GM Service Manual Online
For 1990-2009 cars only
Makes
🢒
Buick
🢒
2005
🢒
Rendezvous - AWD
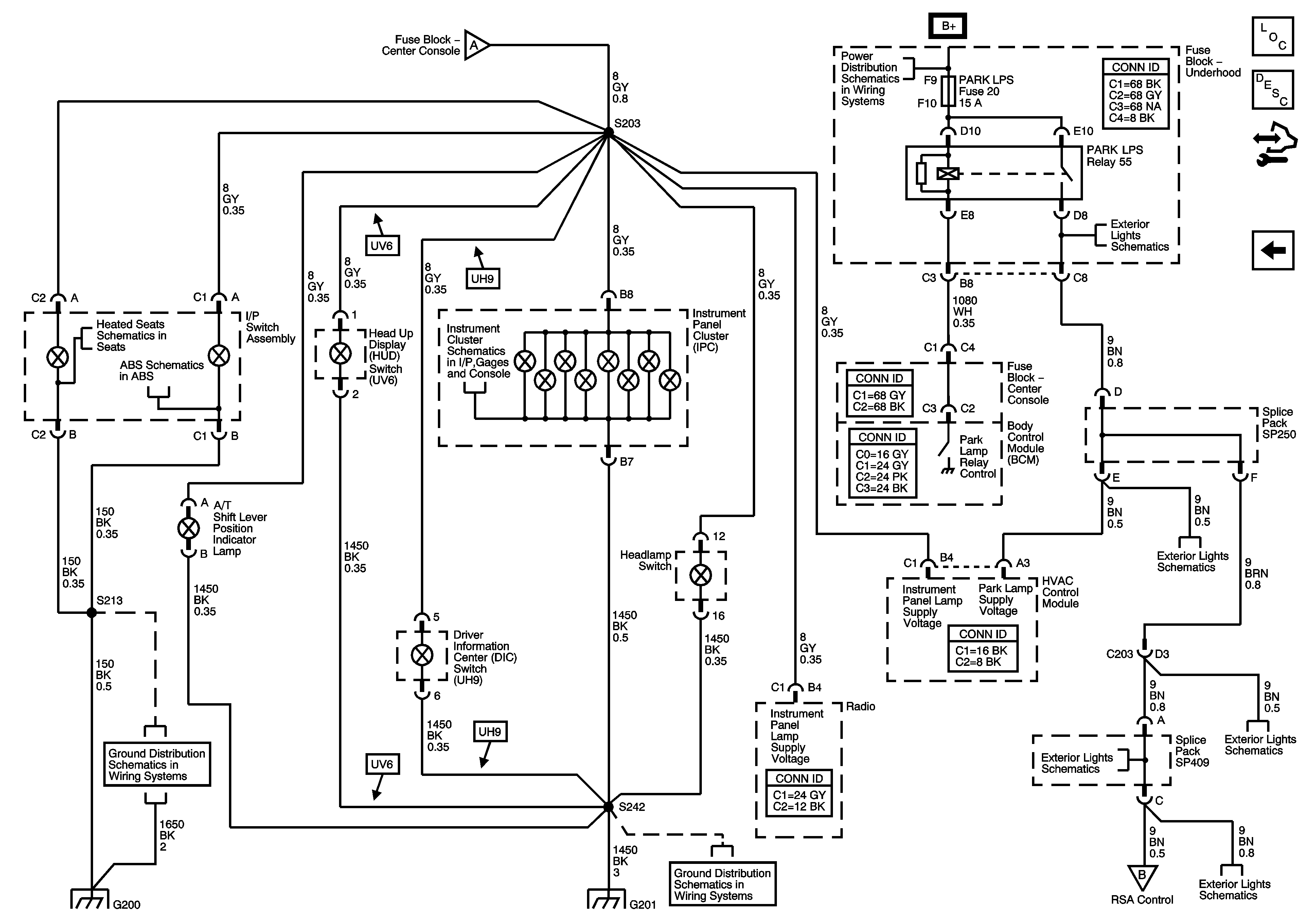
🢒 Panel Lamps - Pontiac, Page 2 of 2
Panel Lamps - Pontiac, Page 2 of 2
Panel Lamps - Pontiac - 2 of 2
Master Electrical Component List
Interior Lighting Systems Description and Operation
Control Module References
Dimming Cont and Panel Lamps 1 of 2-Pontiac
Dimming Cont and Panel Lamps 1 of 2-Pontiac
B+ Bus 1 of 2
Driver Power and Heat Seat
Differential Lock Schematics
Indicators
Park Lamps - Pontiac (Early Production)
Park Lamps - Pontiac (Early Production)
G200
Park Lamps - Pontiac (Early Production)
Park Lamps - Pontiac (Early Production)
G200
G201
G201
Dimming Cont and Panel Lamps 1 of 2-Pontiac
Park Lamps - Pontiac (Early Production)