GM Service Manual Online
For 1990-2009 cars only
Makes
🢒
Buick
🢒
2005
🢒
Rendezvous - AWD
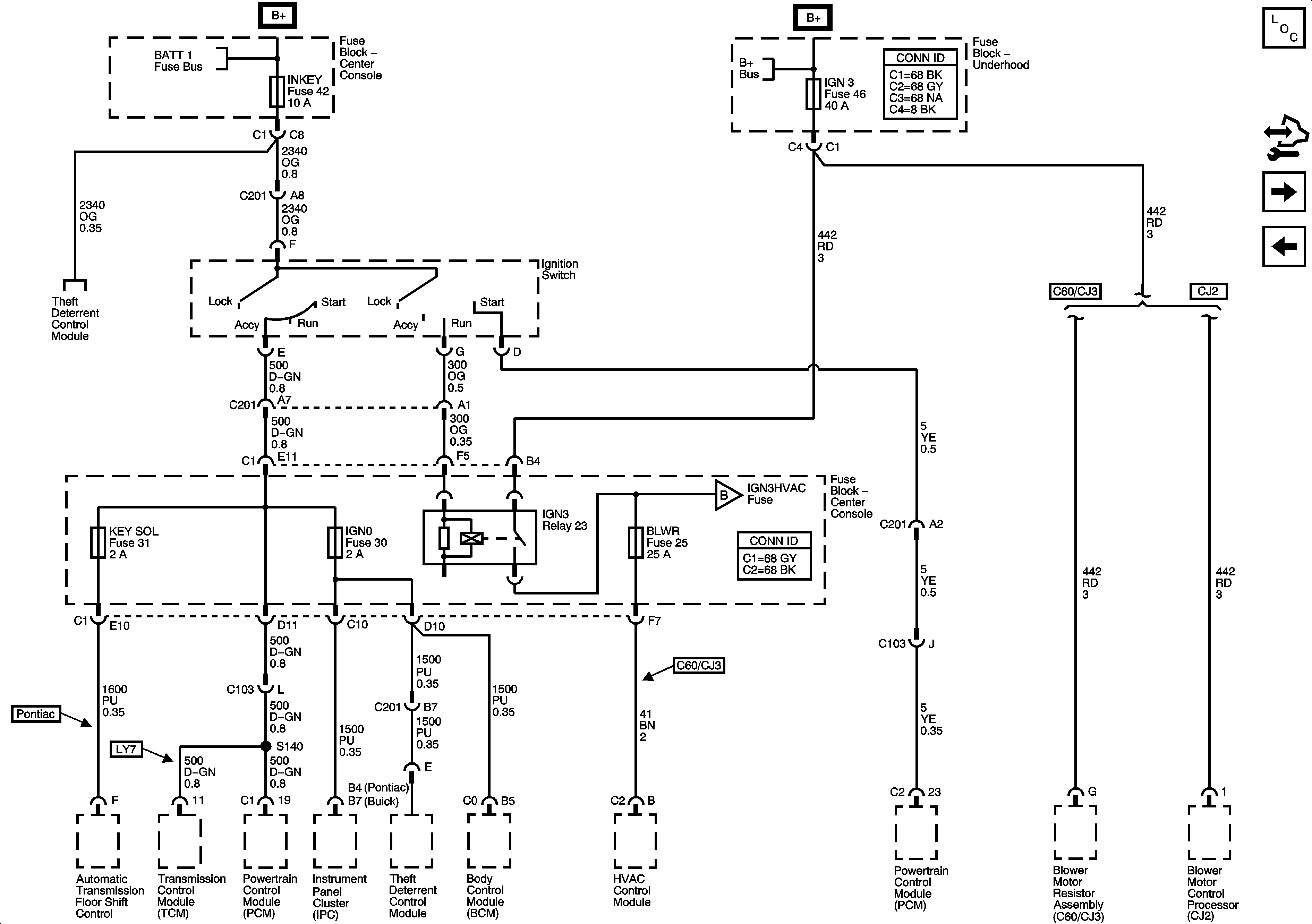
🢒 Ignition Switch - ACCY/RUN/START, RUN, and START Bus Bars and BLWR, IGN0, and KEY SOL Fuses
Ignition Switch - ACCY/RUN/START, RUN, and START Bus Bars and BLWR, IGN0, and KEY SOL Fuses
Ignition Switch - ACCY/RUN/START, RUN, and START Bus Bars and BLWR, IGN0, IGN 3, and KEY SOL Fuses
Master Electrical Component List
Control Module References
IGN3HVAC Fuse
BATT 1, BCML, HUD, HZD FL, INKEY, IP MDL, RADIO, and RD AMP Fuses
B+ Bus 1 of 2
IGN3HVAC Fuse