GM Service Manual Online
For 1990-2009 cars only
Makes
🢒
Buick
🢒
2005
🢒
Rendezvous - AWD
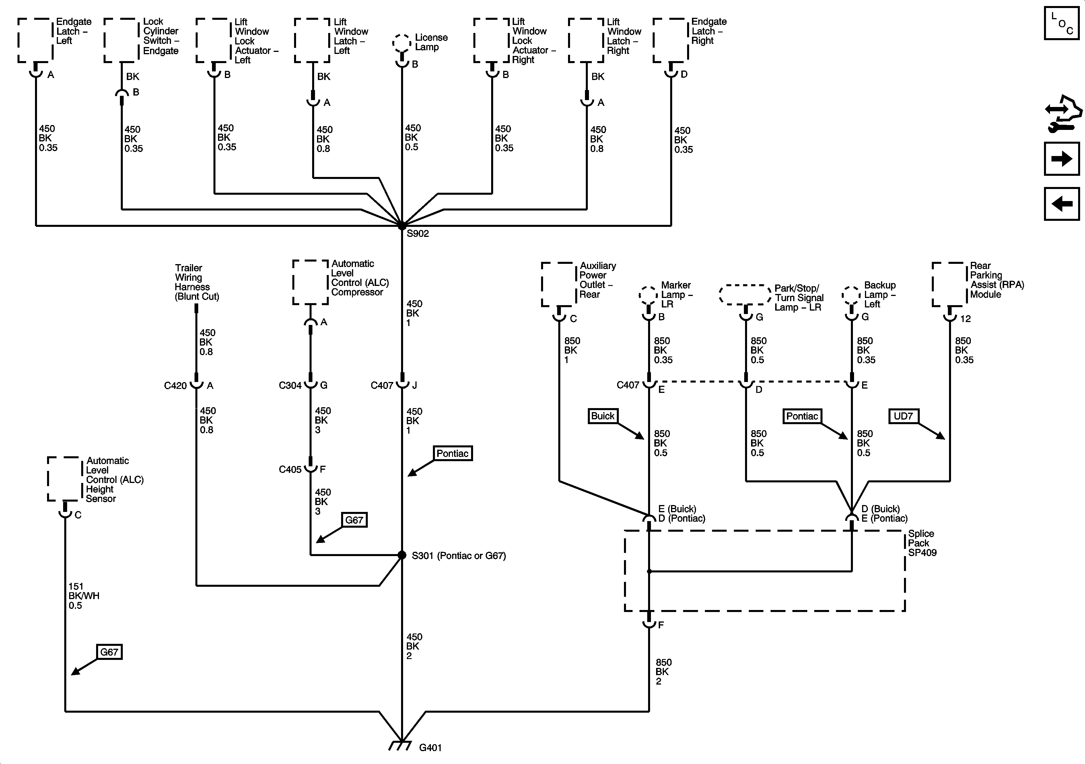
🢒 G401
G401
G401
Master Electrical Component List
Control Module References
G402 and G403
G303