GM Service Manual Online
For 1990-2009 cars only
Makes
🢒
Buick
🢒
2005
🢒
Rendezvous - AWD
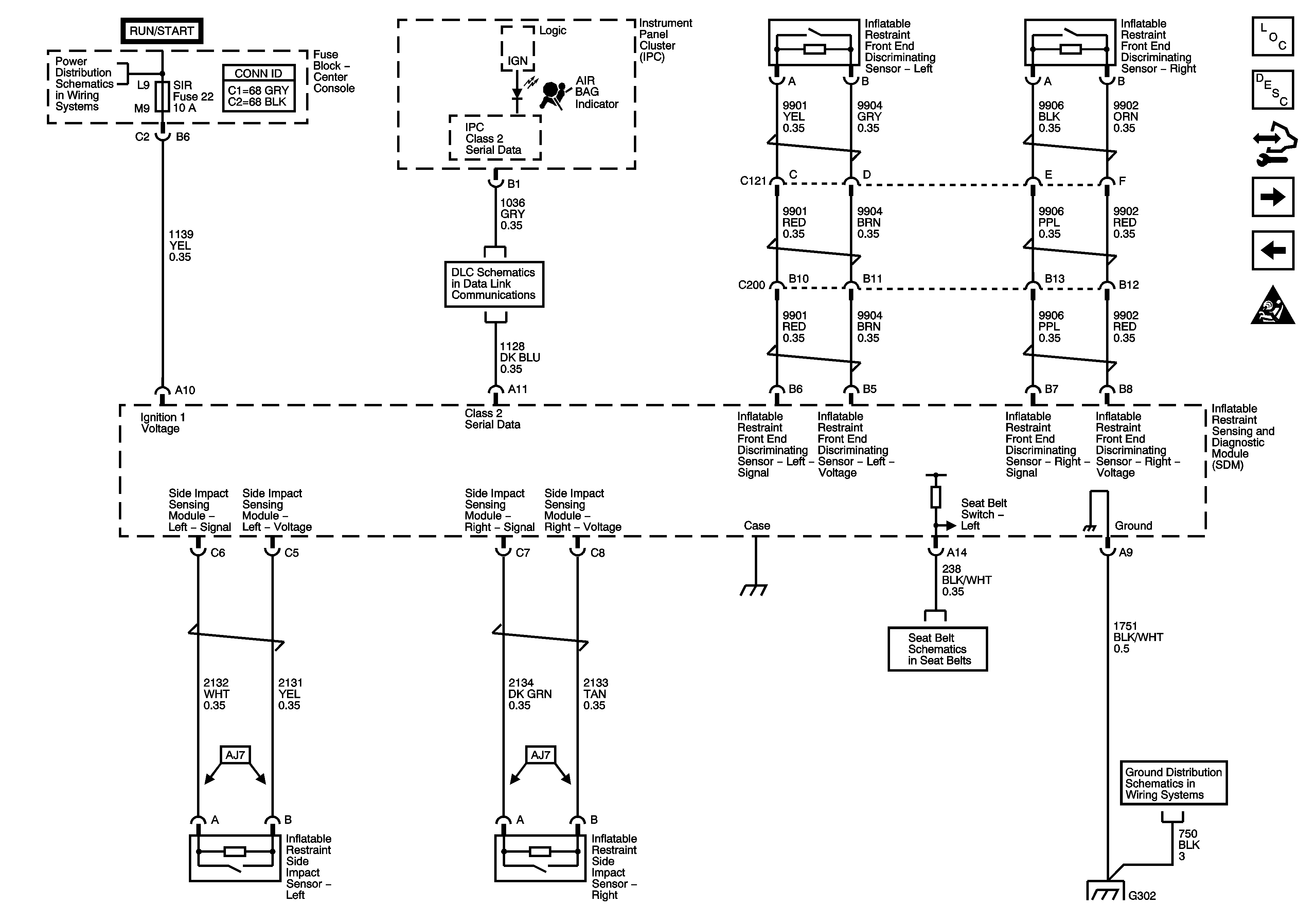
🢒 Power, Ground, Class 2 and Inflatable Restraint Sensors
Power, Ground, Class 2 and Inflatable Restraint Sensors
Power, Ground, Class 2 Serial Data and Inflatable Restraint Sensors -- Buick