GM Service Manual Online
For 1990-2009 cars only
Makes
🢒
Buick
🢒
2005
🢒
Rendezvous - AWD
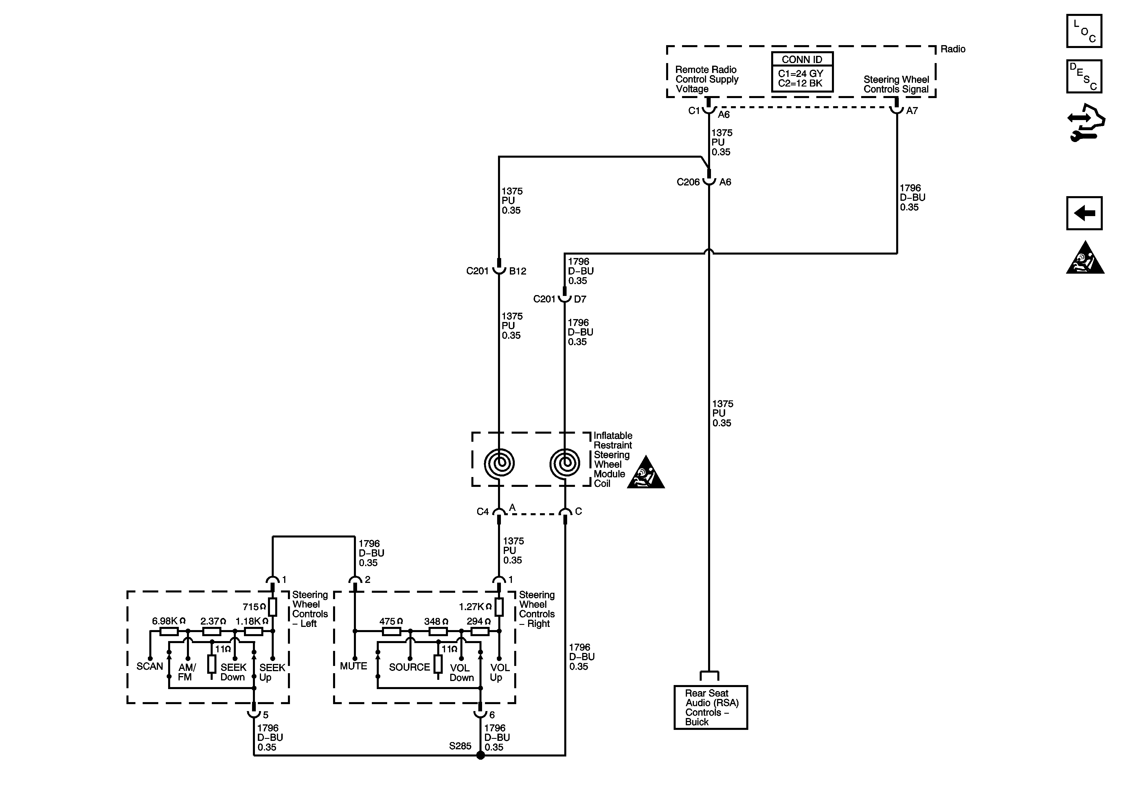
🢒 Steering Wheel Controls - Buick
Steering Wheel Controls - Buick
Steering Wheel Controls - Buick
Master Electrical Component List
Radio/Audio System Description and Operation
Control Module References
Steering Wheel and Tailgate Controls - Pontiac
SIR Caution for Zoning
SIR Caution for Zoning
Uplevel Radio w/ RSA Controls - Buick