GM Service Manual Online
For 1990-2009 cars only

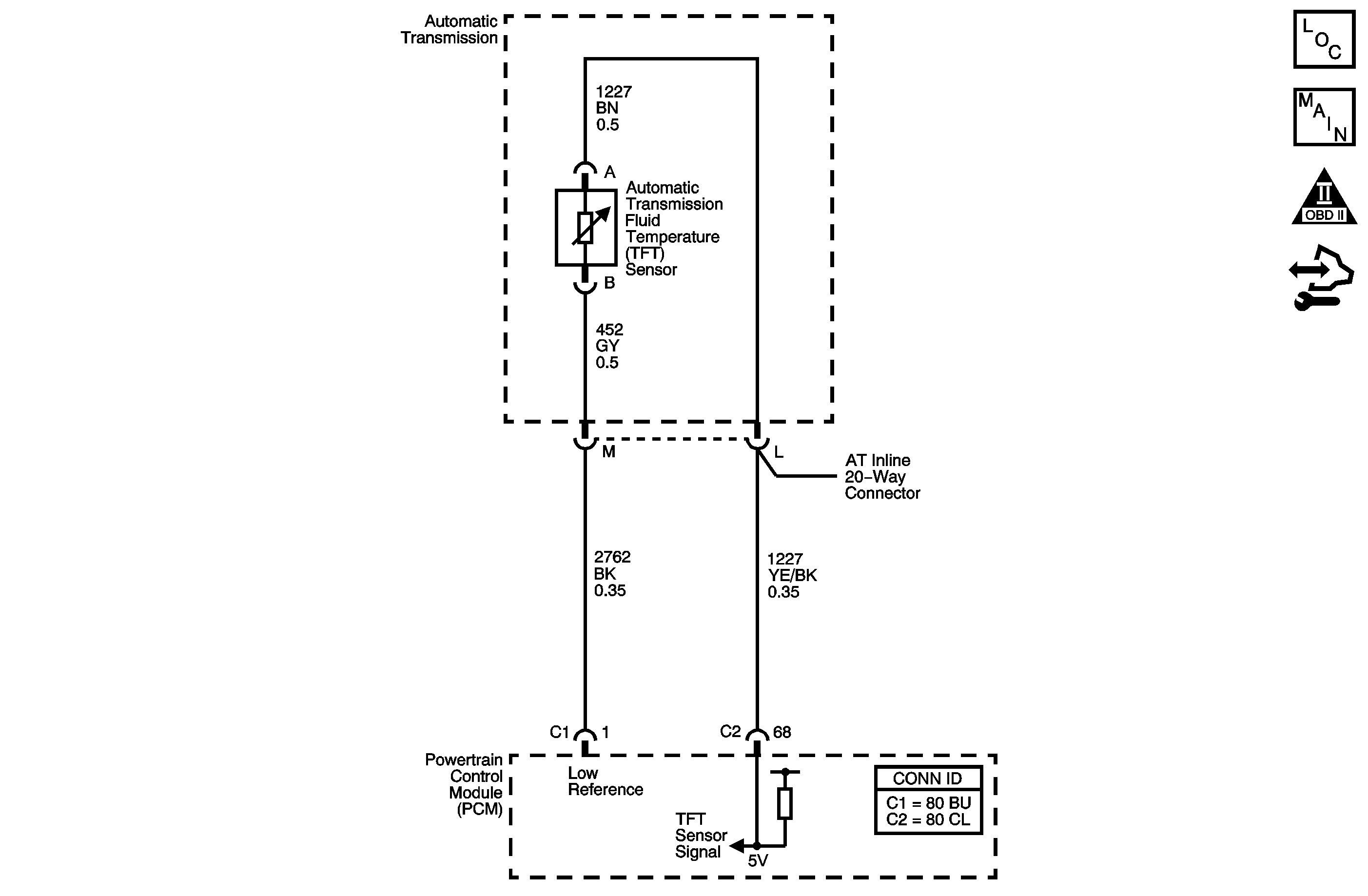
DTC P0713 3.4L


Object Number: 1441834  Size: MF
Master Electrical Component List
Automatic Transmission Controls Schematics
OBD II Symbol Description Notice
Control Module References

Circuit Description

The automatic transmission fluid temperature (TFT) sensor is a negative coefficient thermistor whose resistance value changes based on temperature. The PCM provides a 5 volt reference to the sensor. A low fluid temperature, an open TFT sensor or sensor circuit results in high signal voltage. The TFT operating range is -40 to +151°C (-40 to +304°F).

If the PCM detects a continuous open or a short to voltage on the TFT sensor circuit, then DTC P0713 sets. DTC P0713 is a type C DTC.

DTC Descriptor

This diagnostic procedure supports the following DTC:

DTC P0713 Transmission Fluid Temperature (TFT) Sensor Circuit High Voltage

Conditions for Running the DTC

The ignition is ON.

Conditions for Setting the DTC

The PCM detects a TFT sensor voltage 4.92 volts or more for 6 minutes and 40 seconds continuous.

Action Taken When the DTC Sets

    • The PCM does not illuminate the malfunction indicator lamp (MIL).
    • The PCM freezes transmission adaptive functions.
    • The PCM calculates a default TFT from the ECT sensor and the IAT sensor.
    • The PCM records the operating conditions when the Conditions for Setting the DTC are met. The PCM stores this information as Failure Records.
    • The PCM stores DTC P0713 in PCM history.

Conditions for Clearing the DTC

    • A scan tool can clear the DTC.
    • The PCM clears the DTC from PCM history if the vehicle completes 40 warm-up cycles without a non-emission related diagnostic fault occurring.
    • The PCM cancels the DTC default actions when the fault no longer exists and the DTC passes.

Test Description

The numbers below refer to the step numbers on the diagnostic table.

  1. A value of 4.9-5.0 volts indicates the PCM and engine side of the wiring are good.

  2. A short to voltage greater than 5 volts would cause the TFT sensor to open.

  3. A short to the TFT sensor signal circuit and any other circuits in the transmission harness could cause the TFT sensor to open.

Step

Action

Value(s)

Yes

No

1

Did you perform the Diagnostic System Check - Vehicle?

--

Go to Step 2

Go to Diagnostic System Check - Vehicle in Vehicle DTC Information

2

  1. Install a scan tool.
  2. Turn ON the ignition with the engine OFF.
  3. Important: Before clearing the DTCs, use the scan tool in order to record the Failure Records for reference. Using the Clear DTC Information function will erase the stored Failure Records from the PCM.

  4. Record the Failure Records.
  5. Clear the DTCs.
  6. With a scan tool, observe the TFT Sensor parameter.

Does the scan tool display a TFT Sensor voltage less than the specified value?

4.9 V

Go to Intermittent Conditions in Engine Controls - 3.4L

Go to Step 3

3

  1. Turn OFF the ignition.
  2. Disconnect the AT inline 20-way connector.
  3. Connect the J 44152 jumper harness to the engine side of the 20-way connector.
  4. Using the J 35616 GM terminal test kit, connect a DMM between the TFT sensor signal and the low reference circuits of the J 44152 jumper harness.
  5. Refer to Automatic Transmission Inline 20-Way Connector End View .

  6. Turn ON the ignition with the engine OFF.
  7. Observe the voltage on the DMM.

Does the voltage measure within the specified range?

4.9-5.0 V

Go to Step 7

Go to Step 4

4

Does the voltage in Step 3 measure more than the specified value?

5.0 V

Go to Step 6

Go to Step 5

5

  1. Test the signal circuit of the TFT sensor for an open between the PCM and the AT inline 20-way connector.
  2. Test the low reference circuit of the TFT sensor for an open between the PCM and the AT inline 20-way connector.

Refer to Testing for Continuity and Wiring Repairs in Wiring Systems.

Did you find and correct the condition?

--

Go to Step 15

Go to Step 14

6

Test the signal circuit of the TFT sensor for a short to voltage between the PCM and the AT inline 20-way connector.

Refer to Testing for a Short to Voltage and Wiring Repairs in Wiring Systems.

Did you find and correct the condition?

--

Go to Step 12

Go to Step 14

7

  1. Turn OFF the ignition.
  2. Disconnect the AT inline 20-way connector. Additional DTCs may set.
  3. Install the J 44152 on the transmission side of the 20-way connector.
  4. Using the DMM, measure the resistance between terminals L and M of the J 44152 .
  5. Refer to Automatic Transmission Inline 20-Way Connector End View .

Is the resistance less than the specified value?

100 K ohms

Go to Step 9

Go to Step 8

8

  1. Test the signal circuit of the TFT sensor for an open between the AT inline 20-way connector and the TFT sensor.
  2. Test the low reference circuit of the TFT sensor for an open between the AT inline 20-way connector and the TFT sensor.

Refer to Testing for Continuity in Wiring Systems.

Did you find the condition?

--

Go to Step 11

Go to Step 9

9

Measure the resistance between the TFT sensor signal circuit and all other terminals, except M, of the J 44152 .

Is the resistance greater than the specified value?

1,000 ohms

Go to Step 10

Go to Step 11

10

Test the signal circuit of the TFT sensor for a short to voltage between the PCM and the AT inline 20-way connector.

Refer to Testing for a Short to Voltage and Wiring Repairs .

Did you find and correct the condition?

--

Go to Step 15

Go to Intermittent Conditions in Engine Controls - 3.4L

11

Replace the automatic transmission wiring harness assembly.

Refer to Wiring Harness Replacement .

Did you complete the replacement?

--

Go to Step 12

--

12

Was the engine harness repaired, or the transmission harness replaced due to a short to power or other circuit?

--

Go to Step 13

Go to Step 15

13

Replace the automatic transmission fluid temperature sensor.

Refer to Fluid Temperature Sensor Replacement .

Did you complete the replacement?

--

Go to Step 15

--

14

Replace the PCM.

Refer to Control Module References in Computer/Integrating Systems for replacement, set-up or programming.

Did you complete the replacement?

--

Go to Step 15

--

15

Perform the following procedure in order to verify the repair:

  1. Select DTC.
  2. Select Clear DTC Information.
  3. Operate the vehicle under the following conditions:
  4. • Turn On the ignition with the engine OFF.
    • Verify that the TFT sensor voltage is less than 4.92 volts for 6 minutes and 40 seconds.
  5. Select Specific DTC.
  6. Enter DTC P0713.

Has the test run and passed?

--

Go to Step 16

Go to Step 2

16

With the scan tool, observe the stored information, capture info and DTC info.

Does the scan tool display any DTCs that you have not diagnosed?

--

Go to Diagnostic Trouble Code (DTC) List - Vehicle in Vehicle DTC Information

System OK

DTC P0713 3.6L


Object Number: 1441837  Size: MF
Master Electrical Component List
Automatic Transmission Controls Schematics
OBD II Symbol Description Notice
Control Module References

Circuit Description

The automatic transmission fluid temperature (TFT) sensor is a negative coefficient thermistor whose resistance value changes based on temperature. The TCM provides a 5 volt reference to the sensor. A low fluid temperature, an open TFT sensor or sensor circuit results in high signal voltage. The TFT operating range is -40 to +151°C (-40 to +304°F).

If the TCM detects a continuous open or a short to voltage on the TFT sensor circuit, then DTC P0713 sets. DTC P0713 is a type C DTC.

DTC Descriptor

This diagnostic procedure supports the following DTC:

DTC P0713 Transmission Fluid Temperature (TFT) Sensor Circuit High Voltage

Conditions for Running the DTC

No VSS DTC P0722 or P0723.

Conditions for Setting the DTC

The TCM detects a TFT of -39.5°C (39°F) or less for 25 seconds.

Action Taken When the DTC Sets

    • The TCM does not request the ECM to illuminate the malfunction indicator lamp (MIL).
    • The TCM freezes transmission adaptive functions.
    • The TCM calculates a default TFT from the ECT sensor and the IAT sensor.
    • The TCM records the operating conditions when the Conditions for Setting the DTC are met. The TCM stores this information as Failure Records.
    • The TCM stores DTC P0713 in TCM history.

Conditions for Clearing the DTC

    • A scan tool can clear the DTC.
    • The TCM clears the DTC from TCM history if the vehicle completes 40 warm-up cycles without a non-emission related diagnostic fault occurring.
    • The TCM cancels the DTC default actions when the fault no longer exists and the DTC passes.

Test Description

The numbers below refer to the step numbers on the diagnostic table.

  1. A value of 4.9-5.0 volts indicates the TCM and engine side of the wiring are good.

  2. A short to voltage greater than 5 volts would cause the TFT sensor to open.

  3. A short to the TFT sensor signal circuit and any other circuits in the transmission harness could cause the TFT sensor to open.

Step

Action

Value(s)

Yes

No

1

Did you perform the Diagnostic System Check - Vehicle?

--

Go to Step 2

Go to Diagnostic System Check - Vehicle in Vehicle DTC Information

2

  1. Install a scan tool.
  2. Turn ON the ignition with the engine OFF.
  3. Important: Before clearing the DTCs, use the scan tool in order to record the Failure Records for reference. Using the Clear Info function will erase the stored Failure Records from the TCM.

  4. Record the Failure Records.
  5. Clear the DTCs.
  6. With a scan tool, observe the TFT Sensor parameter.

Does the scan tool display a TFT Sensor voltage less than the specified value?

4.9 V

Go to Intermittent Conditions in Engine Controls - 3.6L

Go to Step 3

3

  1. Turn OFF the ignition.
  2. Disconnect the AT inline 20-way connector.
  3. Connect the J 44152 jumper harness to the engine side of the 20-way connector.
  4. Using the J 35616 GM terminal test kit, connect a DMM to the TFT sensor circuit of the J 44152 jumper harness.
  5. Refer to Automatic Transmission Inline 20-Way Connector End View .

  6. Turn ON the ignition with the engine OFF.
  7. Observe the voltage on the DMM.

Does the voltage measure within the specified range?

4.9-5.0 V

Go to Step 7

Go to Step 4

4

Does the voltage in Step 3 measure more than the specified value?

5.0 V

Go to Step 6

Go to Step 5

5

  1. Test the signal circuit of the TFT sensor for an open between the TCM and the AT inline 20-way connector.
  2. Test the low reference circuit of the TFT sensor for an open between the TCM and the AT inline 20-way connector.

Refer to Testing for Continuity and Wiring Repairs in Wiring Systems.

Did you find and correct the condition?

--

Go to Step 14

Go to Step 13

6

Test the signal circuit of the TFT sensor for a short to voltage between the TCM and the AT inline 20-way connector.

Refer to Testing for a Short to Voltage and Wiring Repairs in Wiring Systems.

Did you find and correct the condition?

--

Go to Step 11

Go to Step 13

7

  1. Turn OFF the ignition.
  2. Disconnect the AT inline 20-way connector. Additional DTCs may set.
  3. Install the J 44152 on the transmission side of the 20-way connector.
  4. Using the DMM, measure the resistance of the TFT sensor circuit of the J 44152 .
  5. Refer to Automatic Transmission Inline 20-Way Connector End View .

Is the resistance less than the specified value?

100 K ohms

Go to Step 9

Go to Step 8

8

  1. Test the signal circuit of the TFT sensor for an open between the AT inline 20-way connector and the TFT sensor.
  2. Test the low reference circuit of the TFT sensor for an open between the AT inline 20-way connector and the TFT sensor.

Refer to Testing for Continuity in Wiring Systems.

Did you find the condition?

--

Go to Step 10

Go to Step 12

9

Measure the resistance between the TFT sensor signal and all other terminals, except the TFT sensor low reference, of the J 44152 .

Is the resistance greater than the specified value?

1,000 ohms

Go to Intermittent Conditions in Engine Controls - 3.6L

Go to Step 10

10

Replace the automatic transmission wiring harness assembly.

Refer to Wiring Harness Replacement .

Did you complete the replacement?

--

Go to Step 11

--

11

Was the engine harness repaired, or the transmission harness replaced due to a short to power or other circuit?

--

Go to Step 12

Go to Step 14

12

Replace the automatic transmission fluid temperature sensor.

Refer to Fluid Temperature Sensor Replacement .

Did you complete the replacement?

--

Go to Step 14

--

13

Replace the TCM.

Refer to Control Module References in Computer/Integrating Systems for replacement, set-up or programming.

Did you complete the replacement?

--

Go to Step 14

--

14

Perform the following procedure in order to verify the repair:

  1. Select DTC.
  2. Select Clear Info.
  3. Operate the vehicle under the following conditions:
  4. • Turn On the ignition with the engine OFF.
    • Verify that the TFT sensor voltage is less than 4.9 volts for 6 minutes and 40 seconds.
  5. Select Specific DTC.
  6. Enter DTC P0713.

Has the test run and passed?

--

Go to Step 15

Go to Step 2

15

With the scan tool, observe the stored information, capture info and DTC info.

Does the scan tool display any DTCs that you have not diagnosed?

--

Go to Diagnostic Trouble Code (DTC) List - Vehicle in Vehicle DTC Information

System OK