GM Service Manual Online
For 1990-2009 cars only
Figure 1:

Power, DLC, Ground, and MIL


Object Number: 623555  Size: FS
Master Electrical Component List
Ignition Control, KS
Fuse Block Underhood Fuse: 27, 31, 33 Fuse Block Center Console
Fuse Block Underhood Fuses: 32, 36, 9, 5 and 28
Fuse Block Underhood Fuse: 27, 31, 33 Fuse Block Center Console
Fuse Block-Underhood Fuse: 47, Fuse Block Cent Console Fuses
Ground G111 - Buick
Data Link Connector (DLC) Schematics
Figure 2:

Ignition Control, KS


Object Number: 1620188  Size: FS
Master Electrical Component List
Fuel Injectors, Fuel Pump
Power, DLC, Ground and MIL
Fuse Block Underhood Fuses: 10, 6, 4, 13 and 30
Ground G111 - Buick
Figure 3:

Fuel Injectors, Fuel Pump


Object Number: 623568  Size: FS
Master Electrical Component List
HO2S
Ignition Control, KS
Fuse Block Underhood Fuses: 11 and 7
Fuse Block - Underhood Buss
Ground G111 - Buick
Gages
Ground G301 - Buick
Figure 4:

HO2S


Object Number: 623583  Size: FS
Master Electrical Component List
EGR, EVAP
Fuel Injectors, Fuel Pump
Fuse Block Underhood Fuses: 10, 6, 4, 13 and 30
Ground G117 - Buick
Ground G200 - Buick
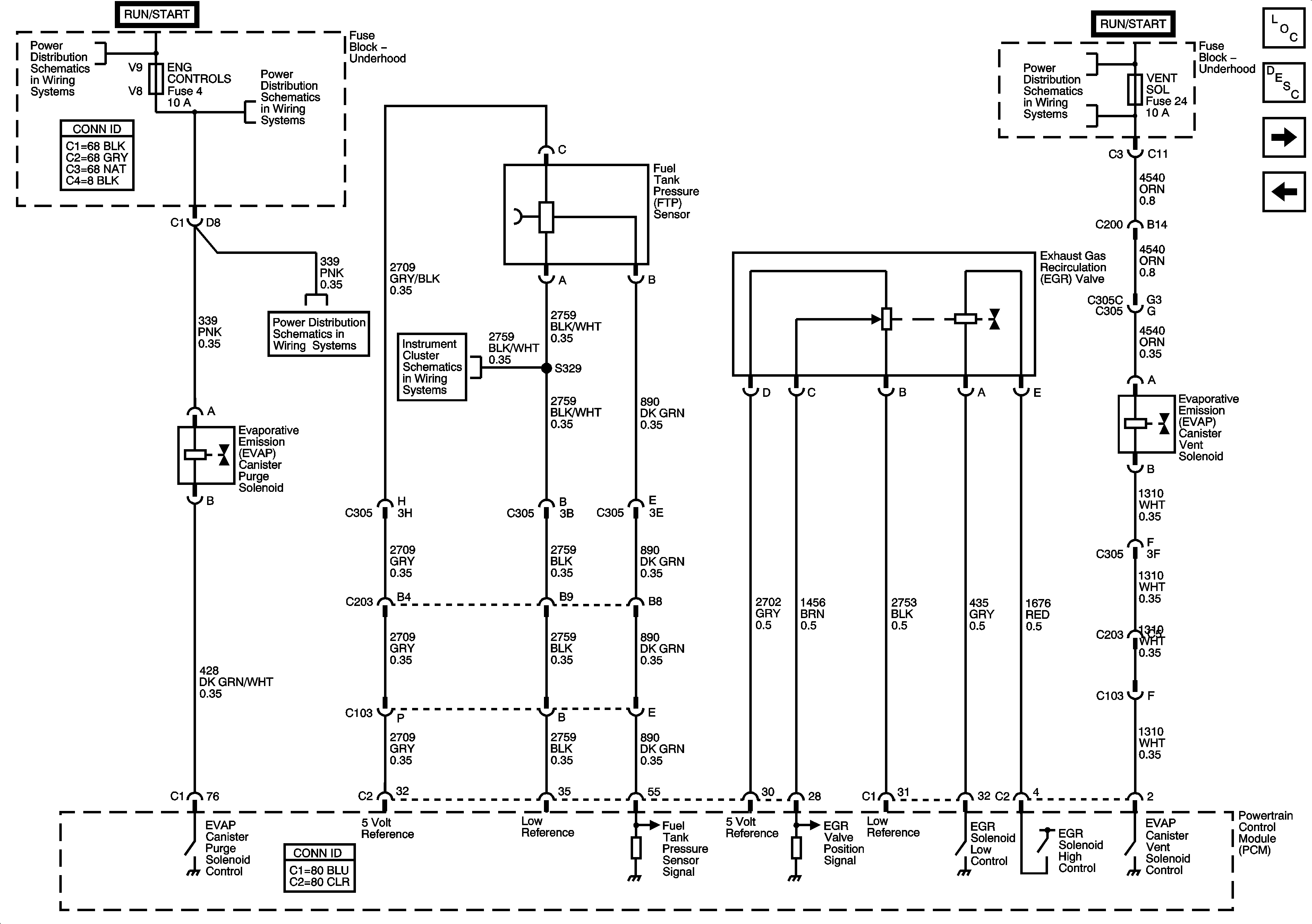
Figure 5:

EGR, EVAP


Object Number: 1396387  Size: FS
Master Electrical Component List
Sensors
HO2S
Fuse Block Underhood Fuses: 10, 6, 4, 13 and 30
Fuse Block Underhood Fuses: 10, 6, 4, 13 and 30
Fuse Block Underhood Fuses: 10, 6, 4, 13 and 30
Gages
Figure 6:

Sensors


Object Number: 623580  Size: FS
Master Electrical Component List
AIR, IAC and MAF
EGR, EVAP
ICC Solenoid Control, SS Valve Control, and TFT Sensor
Gages
Figure 7:

IAC and MAF


Object Number: 901622  Size: FS
Master Electrical Component List
PCM References, Page 1 of 2
Sensors
Fuse Block - Underhood Buss
Fuse Block Underhood Fuses: 10, 6, 4, 13 and 30
Ground G101 - Buick
Ground G101 - Buick
Ground G111 - Buick
Ground G111 - Buick
Figure 8:

PCM References (1 of 2)


Object Number: 901627  Size: FS
Master Electrical Component List
PCM References, Page 2 of 2
AIR, IAC and MAF
03 B Van Engine Cooling Schematics (Cooling Fans)
Power, Ground, Serial Data and Message Center
Charging Control, Indicator
Compressor Controls
Engine Cranking
03 B Van Differential Lock Schematics
03 B Van ABS Schematics (DLC, Indicators and Traction Control Switch)
Cruise Control Schematics
Figure 9:

PCM References (2 of 2)


Object Number: 901628  Size: FS
Master Electrical Component List
PCM References, Page 1 of 2
Switches, ISS and Pressure Control
ICC Solenoid Control, SS Valve Control, and TFT Sensor
ICC Solenoid Control, SS Valve Control, and TFT Sensor
ICC Solenoid Control, SS Valve Control, and TFT Sensor