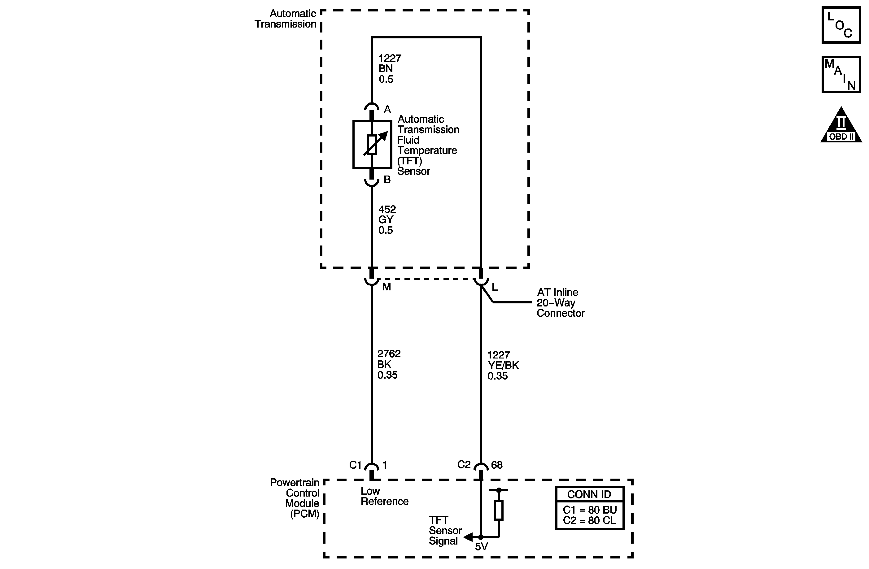
The automatic transmission fluid temperature (TFT) sensor is a negative coefficient thermistor whose resistance value changes based on temperature. The PCM provides a 5 volt reference to the sensor circuit. A high fluid temperature or a short to ground on the signal circuit results in low signal voltage. The TFT sensor operating range is -40 to +151°C (-40 to +304°F).
If the PCM detects a continuous short to ground in the TFT sensor signal circuit, then DTC P0712 sets. DTC P0712 is a type C DTC.
The ignition is ON.
The PCM detects a TFT sensor voltage of 0.2 volts or less for 10 seconds.
| • | The PCM does not turn on the malfunction indicator lamp (MIL). |
| • | The PCM freezes transmission adaptive functions. |
| • | The PCM calculates a default TFT from the ECT sensor and the IAT sensor. |
| • | The PCM records the operating conditions when the Conditions for Setting the DTC are met. The PCM stores this information as Failure Records. |
| • | The PCM stores DTC P0712 in PCM history. |
| • | A scan tool can clear the DTC. |
| • | The PCM clears the DTC from PCM history if the vehicle completes 40 warm-up cycles without a non-emission related diagnostic fault occurring. |
| • | The PCM cancels the DTC default actions when the fault no longer exists and the DTC passes. |
The numbers below refers to the step numbers on the diagnostic table.
A value below 0.2 volts indicates the fault is present. A value above 0.2 volts indicates the fault is intermittent.
A value greater than 4.9 volts indicates the fault is in the transmission side.
For resistance at other temperatures, refer to Transmission Fluid Temperature (TFT) Sensor Specifications.
Step | Action | Value(s) | Yes | No | ||||
|---|---|---|---|---|---|---|---|---|
1 | Did you perform the Diagnostic System Check - Engine Controls? | -- | Go to Step 2 | Go to Diagnostic System Check - Engine Controls in Engine Controls - 3.4L | ||||
Important: Before clearing the DTCs, use the scan tool in order to record the Failure Records. Using the Clear DTC Information function erases the Failure Records from the PCM. Does the scan tool indicate that the TFT sensor voltage is less than specified? | 0.2 V | Go to Step 3 | Go to Intermittent Conditions in Engine Controls - 3.4L | |||||
Does the scan tool indicate that the TFT sensor voltage is greater than specified? | 4.9 V | Go to Step 5 | Go to Step 4 | |||||
4 | Test the signal circuit of the TFT sensor for a short to ground between the PCM and the AT inline 20-way connector. Refer to Testing for Short to Ground and Wiring Repairs in Wiring Systems. Did you find and correct the condition? | -- | Go to Step 11 | Go to Step 10 | ||||
Refer to Automatic Transmission Inline 20-Way Connector End View . Does the resistance measure within the range specified for the given transmission temperatures? | 3,164-3,867 ohms @ 20°C (68°F) 225-285 ohms @ 88°C (190°F) | Go to Step 6 | Go to Step 7 | |||||
6 | Test the signal circuit of the TFT sensor for a short to ground between the AT inline 20-way connector and the TFT sensor. Refer to Testing for Short to Ground in Wiring Systems. Did you find the condition? | -- | Go to Step 9 | Go to Intermittent Conditions in Engine Controls - 3.4L | ||||
7 |
Refer to Testing for Continuity in Wiring Systems. Did you find the condition? | -- | Go to Step 9 | Go to Step 8 | ||||
8 | Replace the TFT sensor. Refer to Fluid Temperature Sensor Replacement . Did you complete the replacement? | -- | Go to Step 11 | -- | ||||
9 | Replace the automatic transmission wiring harness. Refer to Wiring Harness Replacement . Did you complete the replacement? | -- | Go to Step 11 | -- | ||||
10 | Replace the PCM. Refer to Powertrain Control Module Replacement in Engine Controls - 3.4L. Did you complete the replacement? | -- | Go to Step 11 | -- | ||||
11 | Perform the following procedure In order to verify the repair:
Has the test run and passed? | -- | Go to Step 12 | Go to Step 2 | ||||
12 | With a scan tool, observe the stored information, capture info and DTC info. Does the scan tool display any DTCs that you have not diagnosed? | -- | Go to Diagnostic Trouble Code (DTC) List in Engine Controls - 3.4L | System OK |
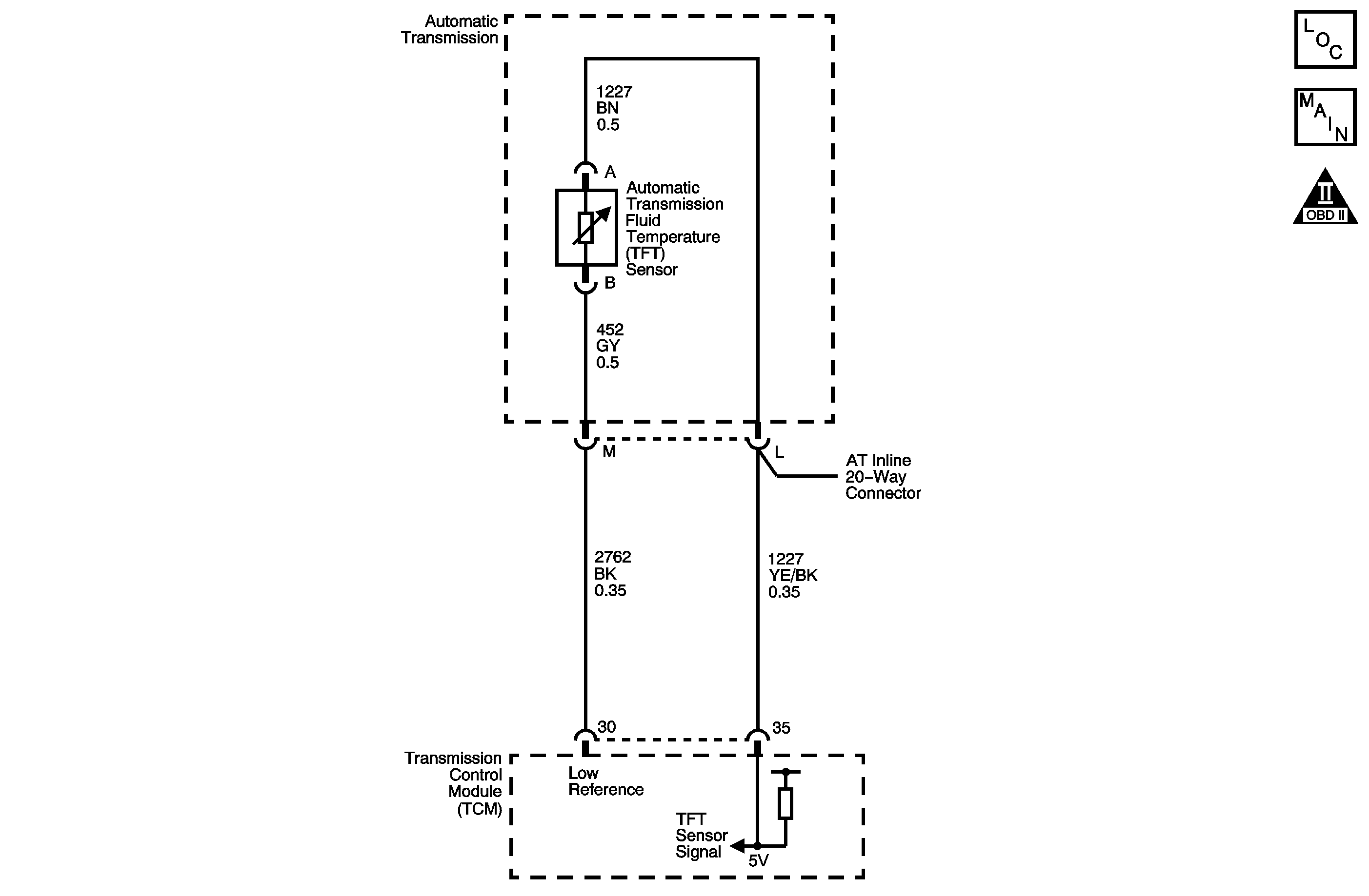
The automatic transmission fluid temperature (TFT) sensor is a negative coefficient thermistor whose resistance value changes based on temperature. The TCM provides a 5 volt reference to the sensor circuit. A high fluid temperature or a short to ground on the signal circuit results in low signal voltage. The TFT sensor operating range is -40 to +151°C (-40 to +304°F).
If the TCM detects a continuous short to ground in the TFT sensor signal circuit, then DTC P0712 sets. DTC P0712 is a type C DTC.
The ignition is ON.
The TCM detects a TFT sensor 149°C (300°F) or more.
| • | The TCM does not request the ECM to illuminate the malfunction indicator lamp (MIL). |
| • | The TCM freezes transmission adaptive functions. |
| • | The TCM calculates a default TFT from the ECT sensor and the IAT sensor. |
| • | The TCM records the operating conditions when the Conditions for Setting the DTC are met. The TCM stores this information as Failure Records. |
| • | The TCM stores DTC P0712 in TCM history. |
| • | A scan tool can clear the DTC. |
| • | The TCM clears the DTC from TCM history if the vehicle completes 40 warm-up cycles without a non-emission related diagnostic fault occurring. |
| • | The TCM cancels the DTC default actions when the fault no longer exists and the DTC passes. |
The numbers below refers to the step numbers on the diagnostic table.
A value below 0.2 volts indicates the fault is present. A value above 0.2 volts indicates the fault is intermittent.
A value greater than 4.9 volts indicates the fault is in the transmission side.
For resistance at other temperatures, refer to Transmission Fluid Temperature (TFT) Sensor Specifications.
Step | Action | Value(s) | Yes | No | ||||
|---|---|---|---|---|---|---|---|---|
1 | Did you perform the Diagnostic System Check - Engine Controls? | -- | Go to Step 2 | Go to Diagnostic System Check - Engine Controls in Engine Controls - 3.6L | ||||
Important: Before clearing the DTCs, use the scan tool in order to record the Failure Records. Using the Clear Info function erases the Failure Records from the TCM. Does the scan tool indicate that the TFT sensor voltage is less than specified? | 0.2 V | Go to Step 3 | Go to Intermittent Conditions in Engine Controls - 3.6L | |||||
Does the scan tool indicate that the TFT sensor voltage is greater than specified? | 4.9 V | Go to Step 5 | Go to Step 4 | |||||
4 | Test the signal circuit of the TFT sensor for a short to ground between the TCM and the AT inline 20-way connector. Refer to Testing for Short to Ground and Wiring Repairs in Wiring Systems. Did you find and correct the condition? | -- | Go to Step 11 | Go to Step 10 | ||||
Refer to Automatic Transmission Inline 20-Way Connector End View . Does the resistance measure within the range specified for the given transmission temperatures? | 3,164-3,867 ohms @ 20°C (68°F) 225-285 ohms @ 88°C (190°F) | Go to Step 6 | Go to Step 7 | |||||
6 | Test the signal circuit of the TFT sensor for a short to ground between the AT inline 20-way connector and the TFT sensor. Refer to Testing for Short to Ground in Wiring Systems. Did you find the condition? | -- | Go to Step 9 | Go to Intermittent Conditions in Engine Controls - 3.6L | ||||
7 |
Refer to Testing for Continuity in Wiring Systems. Did you find the condition? | -- | Go to Step 9 | Go to Step 8 | ||||
8 | Replace the TFT sensor. Refer to Fluid Temperature Sensor Replacement . Did you complete the replacement? | -- | Go to Step 11 | -- | ||||
9 | Replace the automatic transmission wiring harness. Refer to Wiring Harness Replacement . Did you complete the replacement? | -- | Go to Step 11 | -- | ||||
10 | Replace the TCM. Refer to Module, Transmission Control - Replace . Did you complete the replacement? | -- | Go to Step 11 | -- | ||||
11 | Perform the following procedure In order to verify the repair:
Has the test run and passed? | -- | Go to Step 12 | Go to Step 2 | ||||
12 | With a scan tool, observe the stored information, capture info and DTC info. Does the scan tool display any DTCs that you have not diagnosed? | -- | Go to Diagnostic Trouble Code (DTC) List in Engine Controls - 3.6L | System OK |