GM Service Manual Online
For 1990-2009 cars only
Figure 1:

B+ Bus - 1 of 2


Object Number: 1395893  Size: FS
Figure 2:

B+ Bus - 2 of 2


Object Number: 1409523  Size: FS
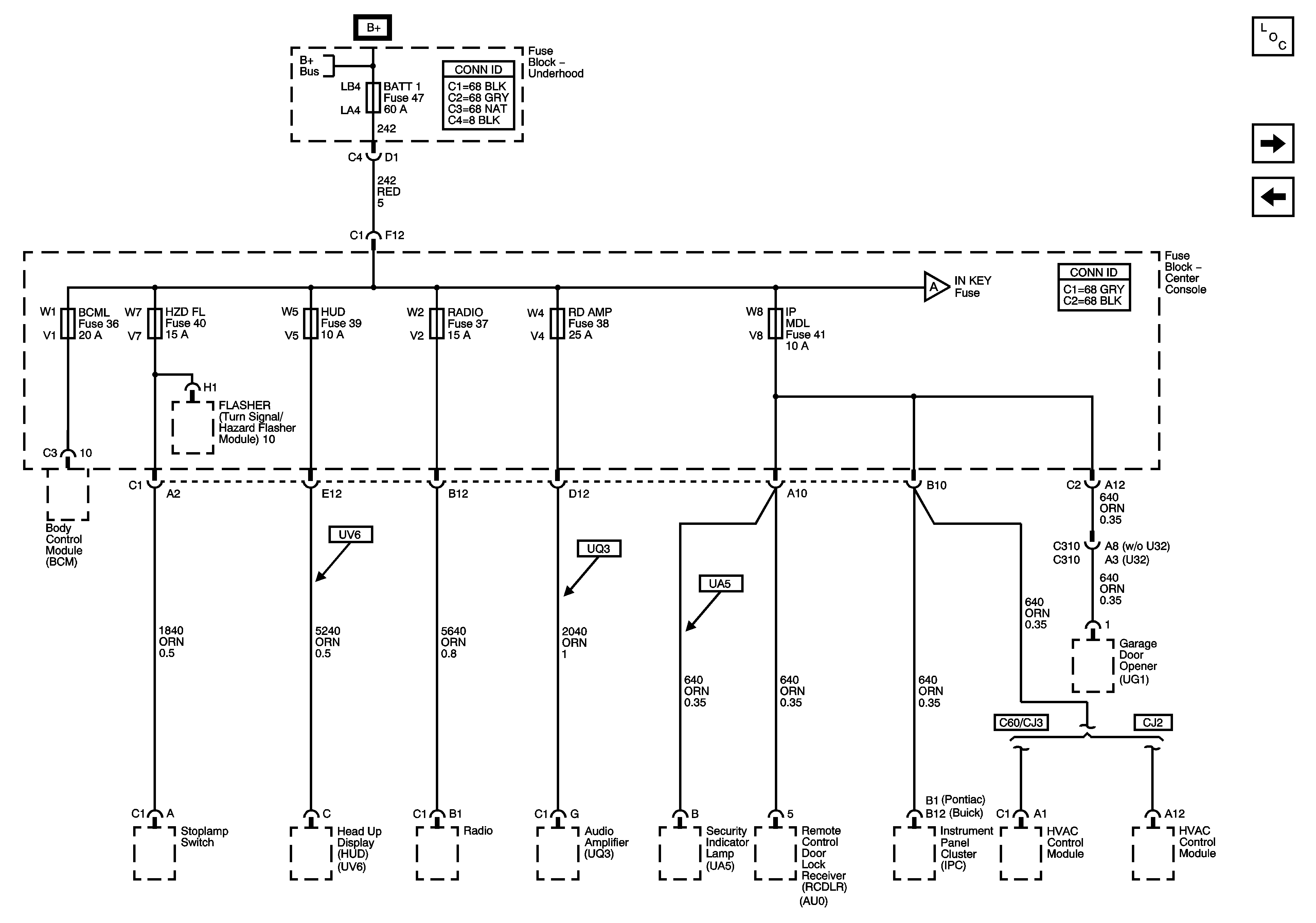
Figure 3:

BATT 1, BCML, HUD, HZD FL, IP MDL, RADIO, and RD AMP Fuses


Object Number: 1406961  Size: FS
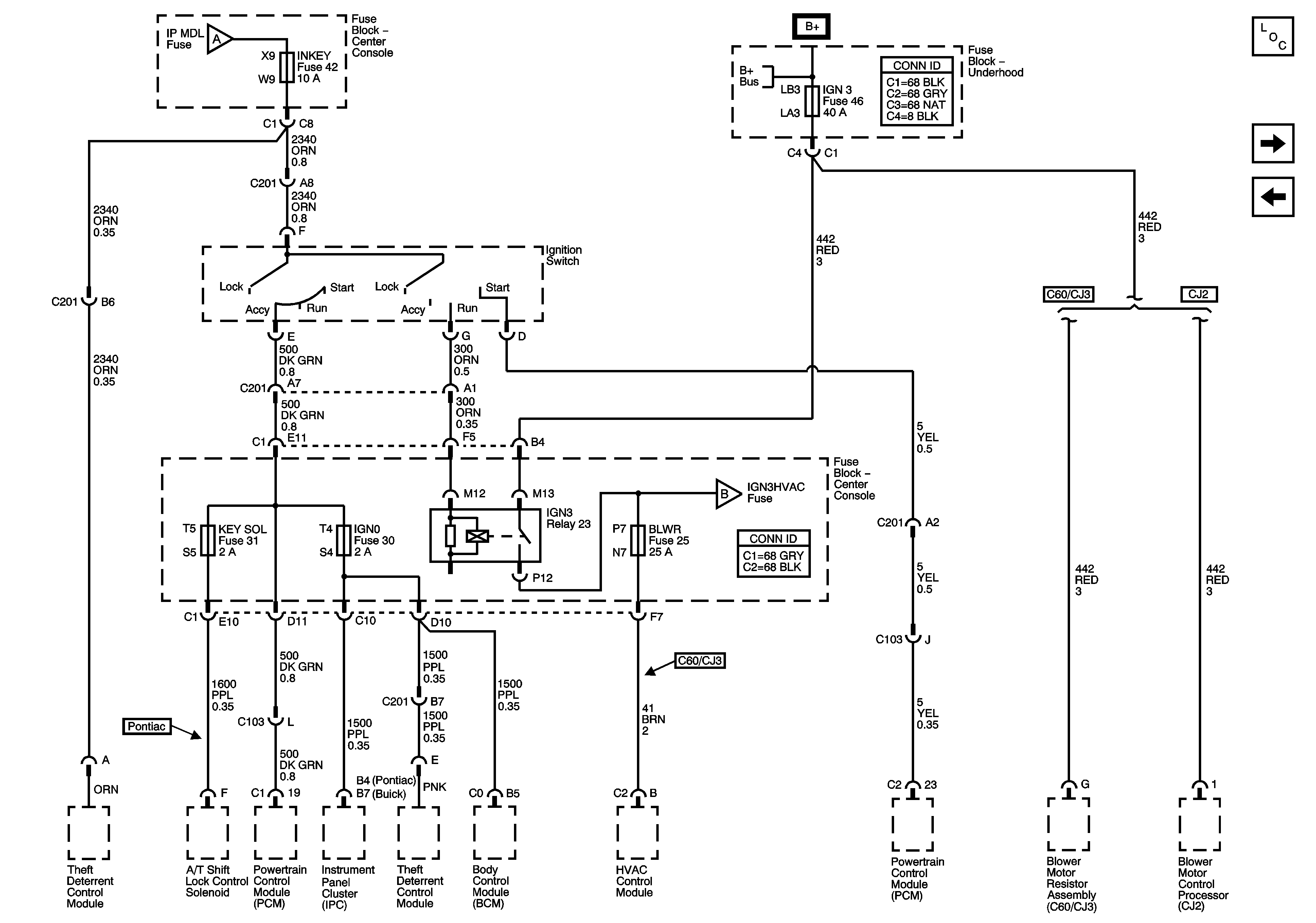
Figure 4:

Ignition Switch - ACCY/RUN/START, RUN, and START Bus Bars and BLWR, IGN0, IGN 3, INKEY, and KEY SOL Fuses


Object Number: 1406941  Size: FS
Figure 5:

IGN3HVAC Fuse


Object Number: 815771  Size: FS
Figure 6:

Ignition Switch - ACCY/RUN, and RUN/START Bus Bars and BCM-ACC, IGN 1 MDL, INTEMM and SIR Fuses


Object Number: 815789  Size: FS
Figure 7:

BTSI, CRUISE, IGN 1 MAIN, and TRN SIG Fuses


Object Number: 1206902  Size: FS
Figure 8:

BATT 2, BCM D, ELC BATT, GATE REL, PWR MIR, PWR STS, and RR AUX Fuses


Object Number: 1406954  Size: FS
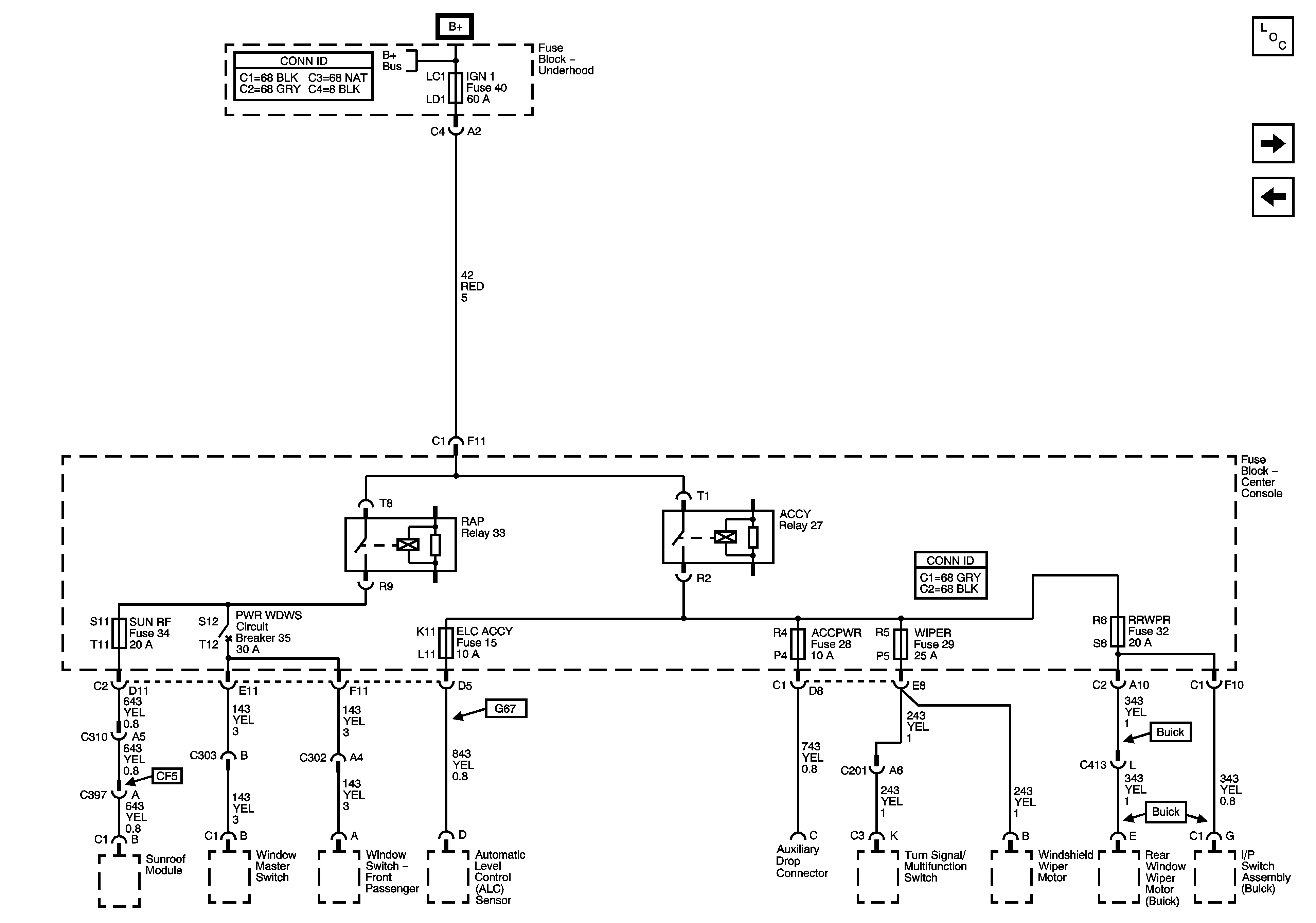
ACCPWR, ELC ACCY, IGN 1, RR WPR, SUN RF, WIPER Fuses, and PWR WDWS Circuit Breaker
BTSI, CRUISE, IGN 1 MAIN, and TRN SIG Fuses
Figure 9:

ACCPWR, ELC ACCY, IGN 1, RR WPR, SUN RF, WIPER Fuses and PWR WDWS Circuit Breaker


Object Number: 1406957  Size: FS
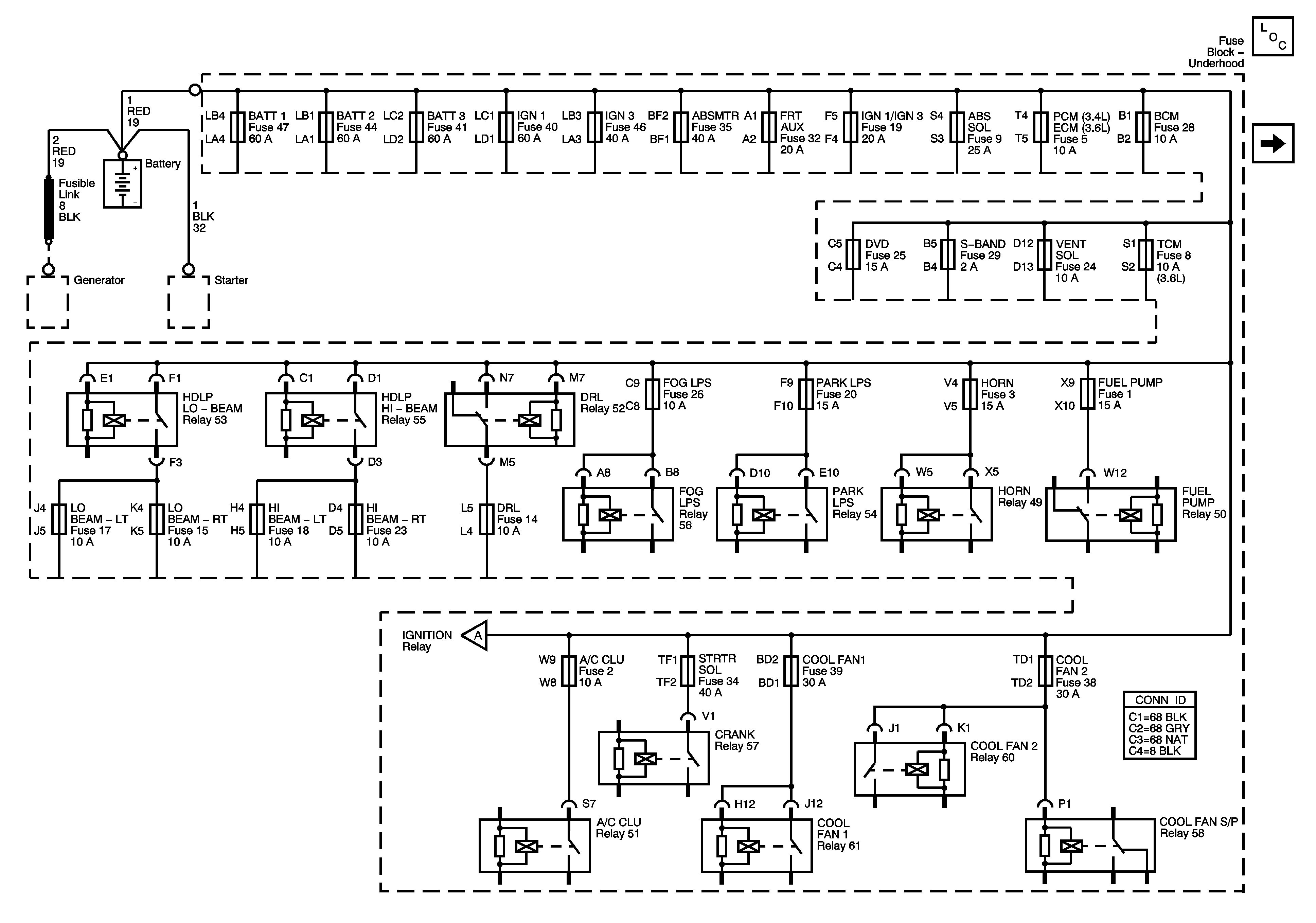
Figure 10:

ABSMTR, ABS SOL, BCM, ECM (3.6L), FRT AUX, PCM (3.4L), and VENT SOL Fuses


Object Number: 1395895  Size: FS
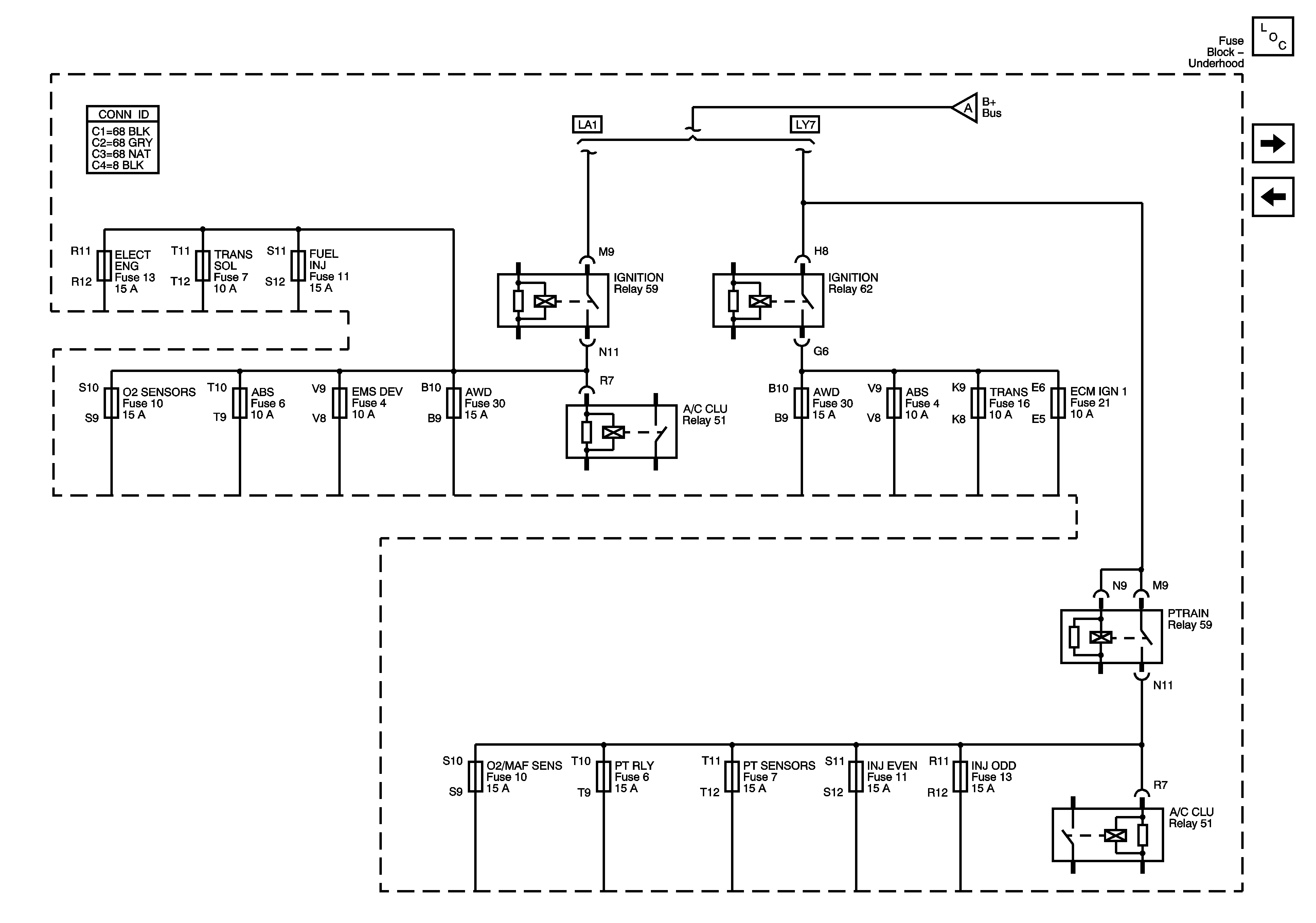
Figure 11:

ABS, AWD, ELEC ENG, EMS DEV, O2 SENSORS Fuses and IGNITION Relay - 3.4L


Object Number: 1407305  Size: FS
Figure 12:

FUEL INJ and TRANS SOL Fuses - 3.4L


Object Number: 815819  Size: FS
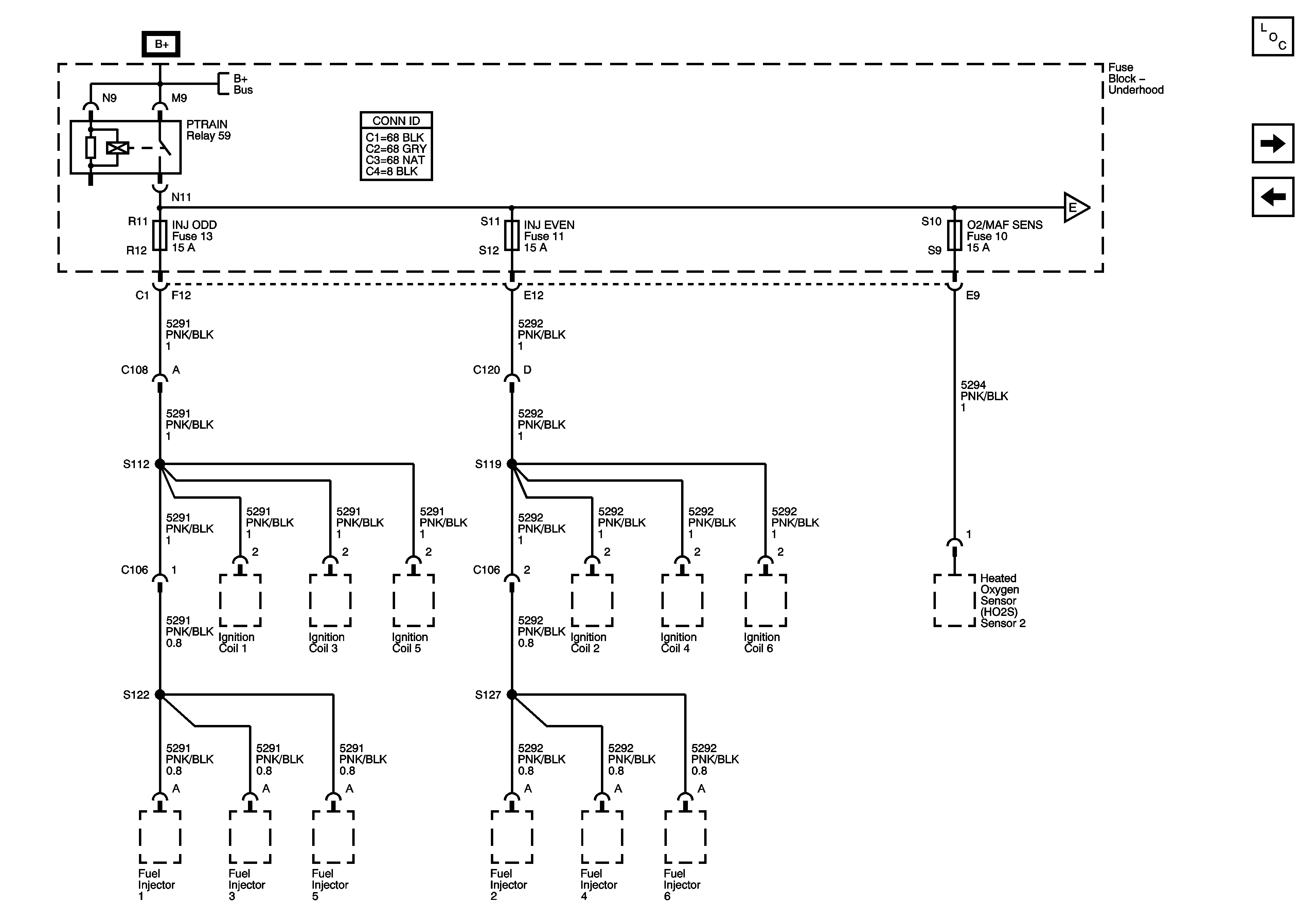
Figure 13:

INJ EVEN, INJ ODD, and O2/MAF SENS - 3.6L


Object Number: 1471037  Size: FS
Figure 14:

BTSI, PT RLY, and PT SENSORS Fuses - 3.6L


Object Number: 1471042  Size: FS
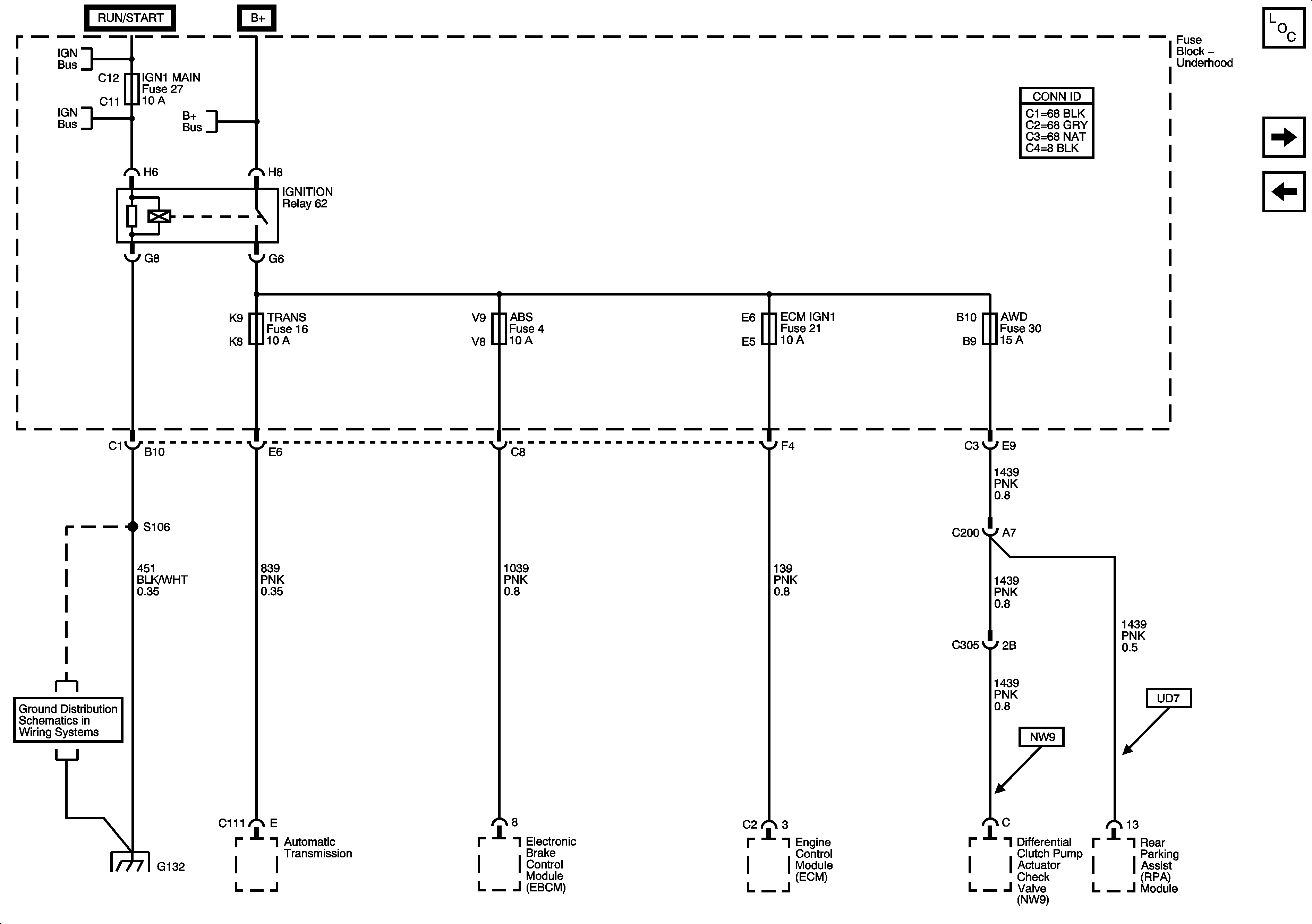
Figure 15:

ABS, AWD, ECM IGN1, TCM Fuses, and IGNITION Relay - 3.6L


Object Number: 1411388  Size: FS
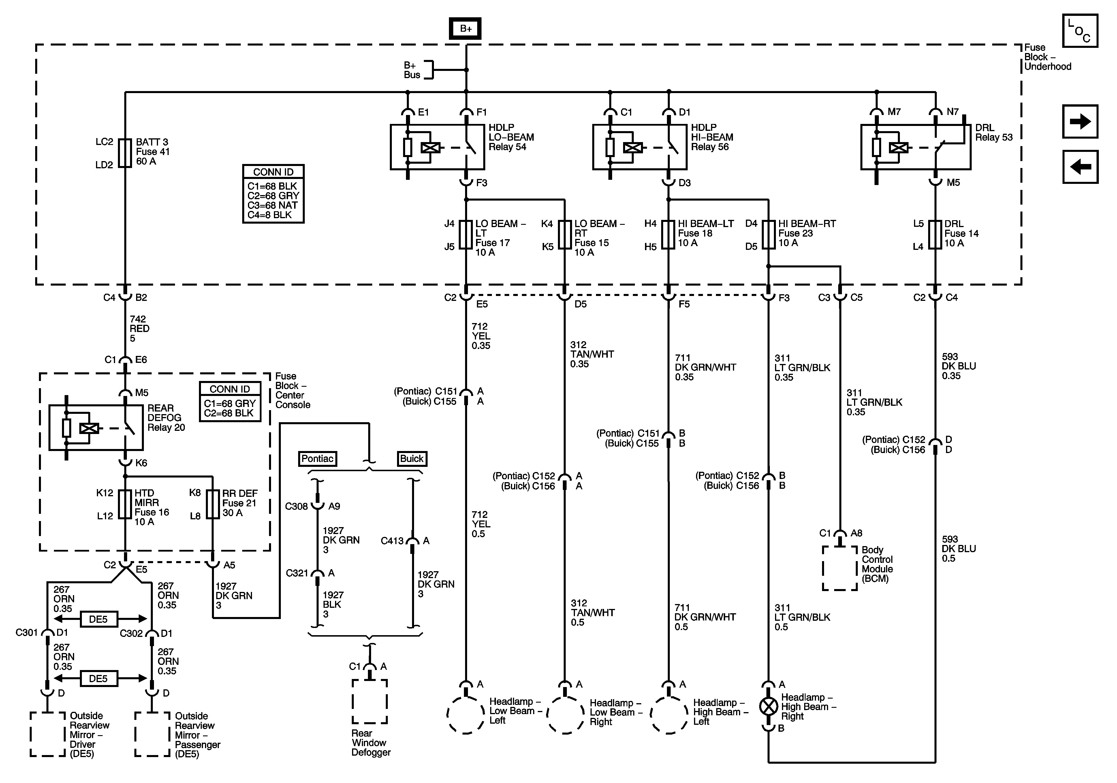
Figure 16:

BATT 3, DRL, HI BEAM-LT, HI BEAM-RT, HTD MIRR, LO BEAM-LT, LO BEAM-RT, and RR DEF Fuses


Object Number: 1406973  Size: FS
Figure 17:

DVD, S BAND, and STG COL Fuses


Object Number: 1471052  Size: FS