GM Service Manual Online
For 1990-2009 cars only

Tools Required

J 39580 Engine Support Stand

Removal Procedure


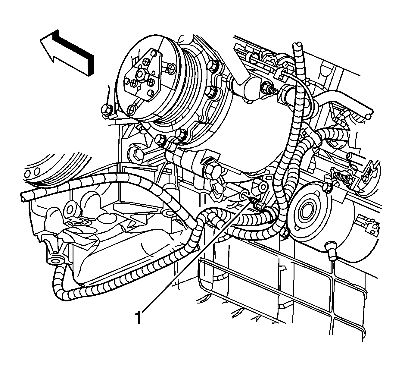
    Object Number: 1641116  Size: SH
  1. Disconnect the negative battery cable. Refer to Battery Negative Cable Disconnection and Connection .
  2. Remove the intake manifold cover. Refer to Intake Manifold Cover Replacement .
  3. Remove the air cleaner assembly. Refer to Air Cleaner Assembly Replacement .
  4. Drain the cooling system. Refer to Cooling System Draining and Filling .
  5. Reposition the radiator inlet hose clamp at the engine.
  6. Remove the radiator inlet hose from the engine.

  7. Object Number: 1642626  Size: SH
  8. Reposition the radiator inlet hose clamp at the engine.
  9. Remove the radiator outlet hose from the engine.

  10. Object Number: 1641136  Size: SH
  11. Disconnect the heater inlet and outlet hoses from the engine.

  12. Object Number: 1641077  Size: SH
  13. Remove the brake booster vacuum hose from the intake manifold.
  14. Disconnect the fuel and evaporative emission (EVAP) line quick connect fittings at the engine. Refer to Metal Collar Quick Connect Fitting Service and Plastic Collar Quick Connect Fitting Service .

  15. Object Number: 1642629  Size: SH
  16. Disconnect the automatic transaxle range selector cable from the selector lever.
  17. Remove the selector cable from the bracket.

  18. Object Number: 1641064  Size: SH
  19. Disconnect the engine harness from throttle actuator control (TAC).

  20. Object Number: 1641065  Size: SH
  21. Remove the engine harness clip (1) from the positive crankcase ventilation (PCV) foul air tube clip.
  22. Disconnect the following electrical connectors:
  23. • The exhaust gas recirculation (EGR) valve
    • The EVAP canister purge solenoid

    Object Number: 1641068  Size: SH
  24. Remove the engine harness clips from the intake manifold.

  25. Object Number: 1641119  Size: SH
  26. Disconnect the engine harness electrical connector (2) from the fuel injector electrical connector (1).
  27. Remove the engine harness electrical connector clip from the belt shield.

  28. Object Number: 1642634  Size: SH
  29. Remove the engine harness clip (1) from the ignition coil bracket.

  30. Object Number: 1642657  Size: SH
  31. Disconnect the engine harness electrical connector (1) from the ignition coil.

  32. Object Number: 1642641  Size: SH
  33. Remove the engine harness clip (1) from the bracket attached to the engine mount strut.

  34. Object Number: 1642658  Size: SH
  35. Disconnect the engine harness electrical connector from the generator.

  36. Object Number: 1642663  Size: SH
  37. Disconnect the engine harness electrical connector (1) from the transaxle.
  38. Remove the engine harness clip (2) from the transaxle stud.

  39. Object Number: 1642660  Size: SH
  40. Raise and suitably support the vehicle. Refer to Lifting and Jacking the Vehicle .
  41. Remove the connector position assurance (CPA) retainer.
  42. Disconnect the engine harness electrical connector from the heated oxygen sensor (HO2S).
  43. Remove the HO2S electrical connector clip from the ignition coil bracket.

  44. Object Number: 1642661  Size: SH
  45. Remove the engine harness clip (1) from the transaxle brace.
  46. Disconnect the vehicle speed sensor (VSS) electrical connector (2).

  47. Object Number: 1641278  Size: SH
  48. Disconnect the following engine harness electrical connectors:
  49. • The oil pressure switch (1)
    • The knock sensor (2).

    Object Number: 1642633  Size: SH
  50. Remove the engine harness clip (1) from the oil level indicator tube.
  51. Remove the starter solenoid "S" terminal nut (3).
  52. Remove the engine harness lead (2) from the starter.

  53. Object Number: 1642637  Size: SH
  54. Remove the engine harness clip (1) from the oil pan.

  55. Object Number: 1642639  Size: SH
  56. Remove the engine harness nut (2, 3).
  57. Remove the negative battery cable lead (4) from the stud.
  58. Remove the engine harness ground wires (1, 5) from the transaxle studs.
  59. Remove the engine harness bolt.
  60. Reposition the negative battery cable and the engine harness.

  61. Object Number: 1642648  Size: SH
  62. Disconnect the engine harness electrical connector from the air conditioning (A/C) pressure sensor (1).

  63. Object Number: 1642654  Size: SH
  64. Disconnect the engine harness electrical connector (1) from the A/C compressor.

  65. Object Number: 1641274  Size: SH
  66. Disconnect the engine harness electrical connector from the right wheel speed sensor.
  67. Remove the engine harness clips from the lower control arm.

  68. Object Number: 1642651  Size: SH
  69. Disconnect the engine harness electrical connector from the left wheel speed sensor.
  70. Remove the engine harness clips from the lower control arm.

  71. Object Number: 1642652  Size: SH
  72. Remove the CPA retainer (2).
  73. Disconnect the engine harness electrical connector (1) from the HO2S.
  74. Remove the engine harness clips from the heat shield and underbody.

  75. Object Number: 1642656  Size: SH
  76. Disconnect the following electrical connectors:
  77. • The knock sensor (1)
    • The crankshaft position (CKP) sensor (2)
  78. Lower the vehicle.
  79. Remove the drive belt. Refer to Drive Belt Replacement .

  80. Object Number: 1642650  Size: SH
  81. Disconnect the engine harness electrical connectors (2, 4) from the instrument panel electrical connectors (3, 5).
  82. Gather all branches of the engine harness and position the harness to the side and out of the way.
  83. Remove the engine mount strut. Refer to Engine Mount Strut Replacement - Left Side and Engine Mount Strut Replacement - Right Side .
  84. Raise and suitably support the vehicle.
  85. Remove rear propeller shaft (all wheel drive (AWD) only). Refer to Propeller Shaft Replacement .
  86. Remove the catalytic converter. Refer to Catalytic Converter Replacement .
  87. Remove the front tires and wheels. Refer to Tire and Wheel Removal and Installation .
  88. Remove the lower radiator air baffle assembly. Refer to Radiator Air Baffle Assemblies and Deflectors .
  89. Remove the engine splash shields. Refer to Engine Splash Shield Replacement .
  90. Remove the stabilizer shaft links from the lower control arms. Refer to Stabilizer Shaft Link Replacement .
  91. Remove the tie rod ends from the steering knuckles. Refer to Steering Knuckle Replacement .
  92. Remove the lower ball joints from the knuckles. Refer to Lower Control Arm Ball Joint Replacement .
  93. Remove the transaxle oil cooler line bracket bolt.
  94. Disconnect the transaxle oil cooler line quick connect fittings at the transaxle. Refer to Transmission Fluid Cooler Hose/Pipe Quick-Connect Fitting Disconnection and Connection .

  95. Object Number: 1640909  Size: SH
  96. Remove the A/C compressor bolts and position the compressor aside. DO NOT discharge the A/C system.
  97. Disconnect the drive axles from the transaxle. Refer to Front Wheel Drive Shaft Replacement .
  98. Secure the drive axles to the steering knuckle/struts.
  99. Remove the front part of the inner fender liner in order to access the front cradle bolts. Refer to Engine Splash Shield Replacement .
  100. Caution: Failure to disconnect the intermediate shaft from the rack and pinion steering gear stub shaft can result in damage to the steering gear and/or intermediate shaft. This damage may cause loss of steering control which could result in an accident and possible personal injury

  101. Remove the intermediate shaft pinch bolt from the steering gear. Refer to Intermediate Steering Shaft Replacement .
  102. Install the J 39580 below the vehicle.

  103. Object Number: 333118  Size: SH
  104. Lower the vehicle until the frame contacts the J 39580 .
  105. Remove the frame bolts. Refer to Front Frame Replacement .
  106. Raise the vehicle in order to separate the powertrain/frame assembly from the vehicle.
  107. Remove the starter motor. Refer to Starter Motor Replacement .

  108. Object Number: 1642631  Size: SH
  109. Remove the transaxle cover bolts.
  110. Remove the transaxle covers.
  111. Remove the torque converter bolts. Refer to Flywheel to Torque Converter Bolt Replacement .

  112. Object Number: 1640833  Size: SH
  113. Remove the engine mount lower nuts.

  114. Object Number: 1641294  Size: SH
  115. Remove the transaxle brace bolts, if equipped with regular production option (RPO) M15.
  116. Remove the transaxle brace.

  117. Object Number: 1641295  Size: SH
  118. Remove the transaxle brace bolts, if equipped with RPO M76.
  119. Remove the transaxle brace.
  120. Remove the exhaust crossover pipe. Refer to Exhaust Crossover Pipe Replacement .
  121. Install an engine hoist to the engine.

  122. Object Number: 1642669  Size: SH
  123. Remove the transaxle to engine bolts/stud.
  124. Support the transaxle.

  125. Object Number: 1642666  Size: SH
  126. Remove the transaxle to engine bolt/stud.
  127. Separate and remove the engine from the transaxle/frame.
  128. Remove the flywheel. Refer to Engine Flywheel Replacement .
  129. Install the engine to the engine stand.

Installation Procedure


    Object Number: 1642666  Size: SH
  1. Remove the engine from the engine stand.
  2. Install the flywheel. Refer to Engine Flywheel Replacement .
  3. Install and mate the engine to the transaxle/frame.
  4. Notice: Refer to Fastener Notice in the Preface section.

  5. Install the transaxle to engine bolt/stud.
  6. Tighten
    Tighten the bolt/stud to 75 N·m (55 lb ft).


    Object Number: 1642669  Size: SH
  7. Install the transaxle to engine bolts/stud.
  8. Tighten
    Tighten the bolt/stud to 75 N·m (55 lb ft).

  9. Remove the support from the transaxle.

  10. Object Number: 1641295  Size: SH
  11. Remove the engine hoist from the engine.
  12. Install the exhaust crossover pipe. Refer to Exhaust Crossover Pipe Replacement .
  13. Install the transaxle brace , if equipped with RPO M76.
  14. Install the transaxle brace bolts.
  15. Tighten
    Tighten the bolts to 43 N·m (32 lb ft).


    Object Number: 1641294  Size: SH
  16. Install the transaxle brace, if equipped with RPO M15.
  17. Install the transaxle brace bolts.
  18. Tighten
    Tighten the bolts to 43 N·m (32 lb ft).


    Object Number: 1640833  Size: SH
  19. Install the engine mount lower nuts.
  20. Tighten
    Tighten the nuts to 47 N·m (35 lb ft).

  21. Install the torque converter bolts. Refer to Flywheel to Torque Converter Bolt Replacement .

  22. Object Number: 1642631  Size: SH
  23. Install the transaxle covers.
  24. Install the transaxle cover bolts.
  25. Tighten
    Tighten the bolts to 10 N·m (89 lb in).


    Object Number: 333118  Size: SH
  26. Install the starter motor. Refer to Starter Motor Replacement .
  27. Lower the vehicle in order to join the powertrain/frame assembly to the vehicle.
  28. Install the frame bolts. Refer to Front Frame Replacement .

  29. Object Number: 1640909  Size: SH
  30. Remove the J 39580 from below the vehicle.
  31. Raise and suitably support the vehicle.
  32. Install the front part of the inner fender liner. Refer to Engine Splash Shield Replacement .
  33. Install the intermediate shaft pinch bolt to the steering gear. Refer to Intermediate Steering Shaft Replacement .
  34. Connect the drive axles to the transaxle. Refer to Front Wheel Drive Shaft Replacement .
  35. Position the A/C compressor and install the A/C compressor bolts.
  36. Tighten
    Tighten the bolts to 50 N·m (37 lb ft).

  37. Connect the transaxle oil cooler line quick connect fittings at the transaxle. Refer to Transmission Fluid Cooler Hose/Pipe Quick-Connect Fitting Disconnection and Connection .
  38. Install the transaxle oil cooler line bracket bolt.
  39. Tighten
    Tighten the bolts to 25 N·m (18 lb ft).


    Object Number: 1642650  Size: SH
  40. Install the lower ball joints to the knuckles. Refer to Lower Control Arm Ball Joint Replacement .
  41. Install the tie rod ends to the steering knuckles. Refer to Steering Knuckle Replacement .
  42. Install the stabilizer shaft links to the lower control arms. Refer to Stabilizer Shaft Link Replacement .
  43. Install the engine splash shields. Refer to Engine Splash Shield Replacement .
  44. Install the lower radiator air baffle assembly. Refer to Radiator Air Baffle Assemblies and Deflectors .
  45. Install the front tires and wheels. Refer to Tire and Wheel Removal and Installation .
  46. Install the catalytic converter. Refer to Catalytic Converter Replacement .
  47. Install rear propeller shaft (AWD only). Refer to Propeller Shaft Replacement .
  48. Lower the vehicle.
  49. Install the engine mount struts. Refer to Engine Mount Strut Replacement - Left Side and Engine Mount Strut Replacement - Right Side .
  50. Gather all branches of the engine harness and position the harness onto the engine.
  51. Connect the engine harness electrical connectors (2, 4) to the instrument panel electrical connectors (3, 5).
  52. Install the drive belt. Refer to Drive Belt Replacement .

  53. Object Number: 1642656  Size: SH
  54. Raise and support the vehicle.
  55. Connect the following electrical connectors:
  56. • The knock sensor (1)
    • The CKP sensor (2)

    Object Number: 1642652  Size: SH
  57. Connect the engine harness electrical connector (1) to the HO2S.
  58. Install the CPA retainer (2).
  59. Install the engine harness clips to the heat shield and underbody.

  60. Object Number: 1642651  Size: SH
  61. Connect the engine harness electrical connector to the left wheel speed sensor.
  62. Install the engine harness clips to the lower control arm.

  63. Object Number: 1641274  Size: SH
  64. Connect the engine harness electrical connector to the right wheel speed sensor.
  65. Install the engine harness clips to the lower control arm.

  66. Object Number: 1642654  Size: SH
  67. Connect the engine harness electrical connector (1) to the A/C compressor.

  68. Object Number: 1642648  Size: SH
  69. Connect the engine harness electrical connector to the A/C pressure sensor (1).

  70. Object Number: 1642639  Size: SH
  71. Position the engine harness and the negative battery cable.
  72. Install the engine harness bolt.
  73. Tighten
    Tighten the bolt to 25 N·m (18 lb ft).

  74. Install the engine harness ground wires (1, 5) to the transaxle studs.
  75. Install the negative battery cable lead (4) to the stud.
  76. Install the engine harness nut (2, 3).
  77. Tighten
    Tighten the nut to 25 N·m (18 lb ft).


    Object Number: 1642637  Size: SH
  78. Install the engine harness clip (1) to the oil pan.

  79. Object Number: 1642633  Size: SH
  80. Install the engine harness lead (2) to the starter.
  81. Install the starter solenoid "S" terminal nut (3).
  82. Tighten
    Tighten the nut to 3 N·m (27 lb in).

  83. Install the engine harness clip (1) to the oil level indicator tube.

  84. Object Number: 1641278  Size: SH
  85. Connect the following engine harness electrical connectors:
  86. • The oil pressure switch (1)
    • The knock sensor (2).

    Object Number: 1642663  Size: SH
  87. Lower the vehicle.
  88. Connect the engine harness electrical connector (1) to the transaxle.
  89. Install the engine harness clip (2) to the transaxle stud.

  90. Object Number: 1642661  Size: SH
  91. Connect the VSS electrical connector (2).
  92. Install the engine harness clip (1) to the transaxle brace.

  93. Object Number: 1642660  Size: SH
  94. Connect the engine harness electrical connector to the HO2S.
  95. Install the CPA retainer.
  96. Install the HO2S electrical connector clip to the ignition coil bracket.

  97. Object Number: 1642658  Size: SH
  98. Connect the engine harness electrical connector to the generator.

  99. Object Number: 1642641  Size: SH
  100. Install the engine harness clip (1) to the bracket attached to the engine mount strut.

  101. Object Number: 1642657  Size: SH
  102. Connect the engine harness electrical connector (1) to the ignition coil.

  103. Object Number: 1642634  Size: SH
  104. Install the engine harness clip (1) to the ignition coil bracket.

  105. Object Number: 1641119  Size: SH
  106. Connect the engine harness electrical connector (2) to the fuel injector electrical connector (1).
  107. Install the engine harness electrical connector clip to the belt shield.

  108. Object Number: 1641068  Size: SH
  109. Install the engine harness clips to the intake manifold.

  110. Object Number: 1641065  Size: SH
  111. Connect the following electrical connectors:
  112. • The EGR valve
    • The EVAP canister purge solenoid
  113. Install the engine harness clip (1) to the PCV foul air tube clip.

  114. Object Number: 1641064  Size: SH
  115. Connect the engine harness to the TAC.

  116. Object Number: 1642629  Size: SH
  117. Install the selector cable to the bracket.
  118. Connect the automatic transaxle range selector cable to the selector lever.

  119. Object Number: 1641077  Size: SH
  120. Install the brake booster vacuum hose to the intake manifold.
  121. Connect the fuel and EVAP line quick connect fittings at the engine. Refer to Metal Collar Quick Connect Fitting Service and Plastic Collar Quick Connect Fitting Service .

  122. Object Number: 1641136  Size: SH
  123. Connect the heater inlet and outlet hoses to the engine.

  124. Object Number: 1642626  Size: SH
  125. Install the radiator outlet hose to the engine.
  126. Position the radiator inlet hose clamp at the engine.

  127. Object Number: 1641116  Size: SH
  128. Install the radiator inlet hose to the engine.
  129. Position the radiator inlet hose clamp at the engine.
  130. Fill the cooling system. Refer to Cooling System Draining and Filling .
  131. Install the air cleaner assembly. Refer to Air Cleaner Assembly Replacement .
  132. Fill the engine with oil. Refer to Engine Oil and Oil Filter Replacement .
  133. Install the intake manifold cover. Refer to Intake Manifold Cover Replacement .
  134. Connect the negative battery cable. Refer to Battery Negative Cable Disconnection and Connection .
  135. Perform the CKP system variation learn procedure. Refer to Crankshaft Position System Variation Learn .
  136. Start the vehicle and allow the engine to run.
  137. Inspect for leaks.
  138. Road test the vehicle.