GM Service Manual Online
For 1990-2009 cars only

Exhaust Manifold Replacement - Right Side RPO LX9

Tools Required

J 41131 Engine Tilt Strap

Removal Procedure


    Object Number: 1642660  Size: SH
  1. Rotate the engine forward for service access. Refer to Rotating the Engine for Service Access .
  2. Remove the manifold absolute pressure (MAP) sensor. Refer to Manifold Absolute Pressure Sensor Replacement .
  3. Remove the exhaust gas recirculation (EGR) valve. Refer to Exhaust Gas Recirculation Valve Replacement .
  4. Remove the heated oxygen sensor (HO2S) connector position assurance (CPA) retainer.
  5. Disconnect the HO2S electrical connector.
  6. Remove the HO2S electrical connector clip from the ignition coil bracket.

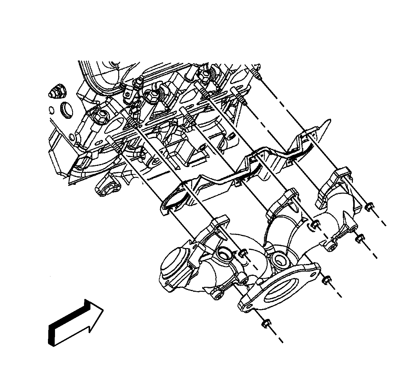
  7. Object Number: 1645118  Size: SH
  8. Remove the ignition coil assembly. Refer to Ignition Coil Replacement .
  9. Remove the spark plug wires from the right bank spark plugs.
  10. Remove the exhaust crossover pipe heat shield bolts.
  11. Remove the exhaust crossover pipe heat shield.

  12. Object Number: 1645119  Size: SH
  13. Remove the exhaust crossover pipe nuts from the right exhaust manifold.
  14. Raise and support the vehicle. Refer to Lifting and Jacking the Vehicle .
  15. Remove the catalytic converter. Refer to Catalytic Converter Replacement .

  16. Object Number: 1645124  Size: SH
  17. Remove the exhaust manifold upper and lower heat shield bolts.
  18. Remove the exhaust manifold upper and lower heat shields.

  19. Object Number: 1645126  Size: SH
  20. Remove the exhaust manifold nuts.
  21. Remove the exhaust manifold.
  22. Remove and discard the exhaust manifold gasket.
  23. Lower the vehicle.
  24. Clean the exhaust manifold sealing surfaces.
  25. If replacing the exhaust manifold, remove the following components:
  26. • EGR valve pipe--Refer to Exhaust Gas Recirculation Pipe Replacement .
    • HO2S--Refer to Heated Oxygen Sensor 1 Replacement .

Installation Procedure


    Object Number: 1645126  Size: SH
  1. If the exhaust manifold was replaced, install the following components:
  2. • EGR valve pipe--Refer to Exhaust Gas Recirculation Pipe Replacement
    • HO2S--Refer to Heated Oxygen Sensor 1 Replacement
  3. Raise and support the vehicle.
  4. Install a NEW exhaust manifold gasket onto the studs.
  5. Install the exhaust manifold.
  6. Notice: Refer to Fastener Notice in the Preface section.

  7. Install the exhaust manifold nuts.
  8. Tighten
    Tighten the nuts to 16 N·m (12 lb ft).


    Object Number: 1645124  Size: SH
  9. Position the exhaust manifold upper heat shield and install the bolts finger tight.
  10. Position the exhaust manifold lower heat shield and install the bolts finger tight.
  11. Tighten the exhaust manifold upper and lower heat shield bolts.
  12. Tighten
    Tighten the bolts to 10 N·m (89 lb in).


    Object Number: 1645119  Size: SH
  13. Install the catalytic converter. Refer to Catalytic Converter Replacement .
  14. Lower the vehicle.
  15. Install the exhaust crossover pipe nuts to the right exhaust manifold.
  16. Tighten
    Tighten the nuts to 25 N·m (18 lb ft).


    Object Number: 1645118  Size: SH
  17. Position the exhaust crossover pipe heat shield to the crossover pipe.
  18. Install the exhaust crossover pipe heat shield bolts.
  19. Tighten
    Tighten the bolts to 10 N·m (89 lb in).

  20. Install the spark plug wires to the right bank spark plugs.
  21. Install the ignition coil assembly. Refer to Ignition Coil Replacement .

  22. Object Number: 1642660  Size: SH
  23. Connect the HO2S electrical connector.
  24. Install the CPA retainer.
  25. Install the HO2S electrical connector clip to the ignition coil bracket.
  26. Install the EGR valve. Refer to Exhaust Gas Recirculation Valve Replacement .
  27. Install the MAP sensor. Refer to Manifold Absolute Pressure Sensor Replacement .
  28. Release the tension on the J 41131 .
  29. Install the engine mount struts. Refer to Engine Mount Strut Replacement - Left Side and Engine Mount Strut Replacement - Right Side .
  30. Remove the J 41131 .
  31. Install the air cleaner outlet duct. Refer to Air Cleaner Outlet Duct Replacement

Exhaust Manifold Replacement - Right Side RPO LY7

Removal Procedure


    Object Number: 1408730  Size: SH
  1. Remove the air inlet duct. Refer to Air Cleaner Inlet Duct Replacement .
  2. Remove the master cylinder fluid level sensor in order to provide clearance for lowering the powertrain. Refer to Brake Fluid Level Indicator Switch Replacement .
  3. Remove the engine mount struts. Refer to Engine Mount Strut Replacement - Left Side and Engine Mount Strut Replacement - Right Side .
  4. Raise and support the vehicle. Refer to Lifting and Jacking the Vehicle .
  5. Remove the catalytic converter. Refer to Catalytic Converter Replacement .

  6. Object Number: 1395470  Size: SH

    Important: Use a long extension in order to remove the exhaust crossover pipe nuts.

  7. Remove the exhaust crossover pipe to right bank exhaust manifold nuts (3).

  8. Object Number: 1645139  Size: SH
  9. Remove the exhaust manifold bolts.
  10. Remove the exhaust manifold.
  11. Remove and discard the exhaust manifold gasket.

  12. Object Number: 1645140  Size: SH
  13. If replacing the exhaust manifold, remove the exhaust manifold heat shield bolts and the heat shield.
  14. Clean the exhaust manifold sealing surfaces.

Installation Procedure


    Object Number: 1645140  Size: SH
  1. If the exhaust manifold was replaced, position the exhaust manifold heat shield to the exhaust manifold.
  2. Notice: Refer to Fastener Notice in the Preface section.

  3. Install the exhaust manifold heat shield bolts.
  4. Tighten
    Tighten the bolts to 10 N·m (89 lb in).


    Object Number: 1645139  Size: SH
  5. Insert one bolt through a bolt hole in the exhaust manifold.
  6. Position the NEW exhaust manifold gasket over the bolt.
  7. Position the exhaust manifold to the cylinder head.
  8. Tighten the bolt until snug.
  9. Install the remaining exhaust manifold bolts.
  10. Tighten
    Tighten the bolts to 20 N·m (15 lb ft).


    Object Number: 1395470  Size: SH
  11. Install the exhaust crossover pipe to right bank exhaust manifold nuts (3).
  12. Tighten
    Tighten the bolts to 34 N·m (25 lb ft).

  13. Install the catalytic converter. Refer to Catalytic Converter Replacement .
  14. Connect the intermediate steering shaft to the steering gear. Refer to Intermediate Steering Shaft Replacement .
  15. Lower the vehicle.
  16. Install the engine mount struts. Refer to Engine Mount Strut Replacement - Left Side and Engine Mount Strut Replacement - Right Side .
  17. Install the master cylinder fluid level sensor. Refer to Brake Fluid Level Indicator Switch Replacement .
  18. Install the air inlet duct. Refer to Air Cleaner Inlet Duct Replacement .