GM Service Manual Online
For 1990-2009 cars only
Makes
🢒
Buick
🢒
2006
🢒
Rendezvous - FWD
🢒
Steering
🢒
Steering Wheel and Column
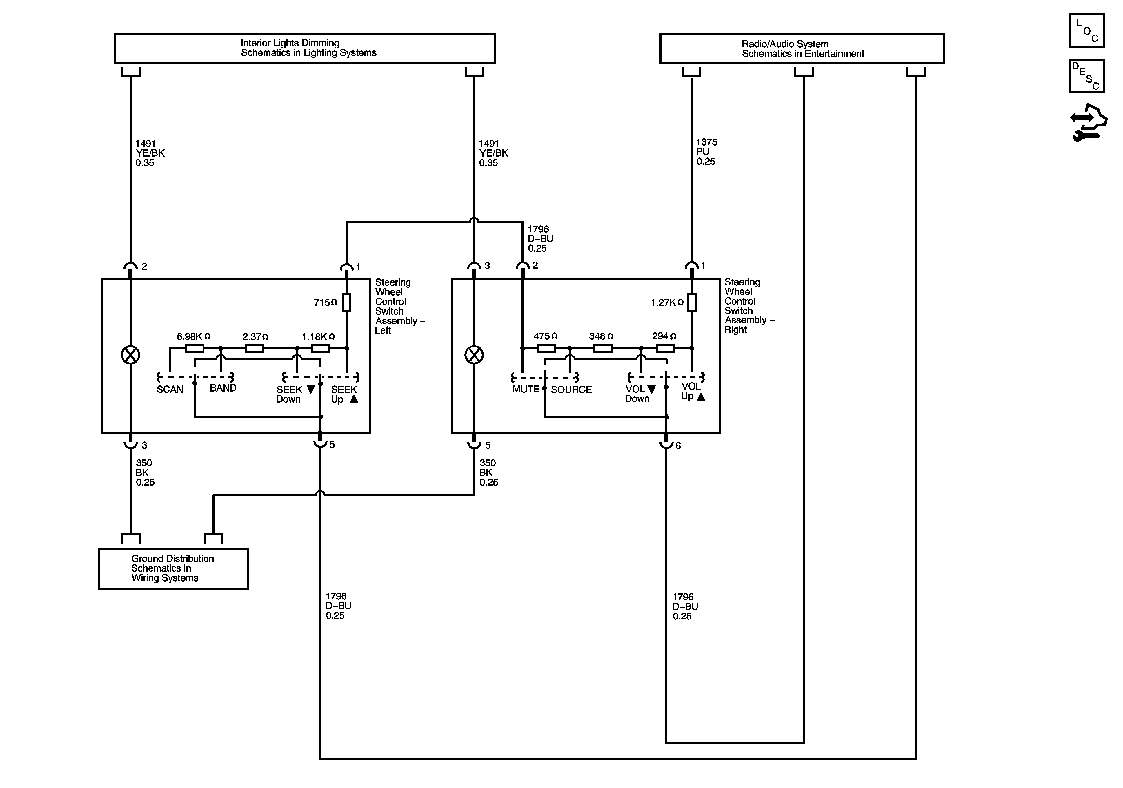
🢒 Steering Wheel Schematics
Master Electrical Component List
Steering Wheel Controls Description and Operation
Control Module References
Dimming Controls and Door, Roof, and Steering Wheel Lamps
Steering Wheel Controls
G202