GM Service Manual Online
For 1990-2009 cars only
Makes
🢒
Buick
🢒
2006
🢒
Rendezvous - FWD
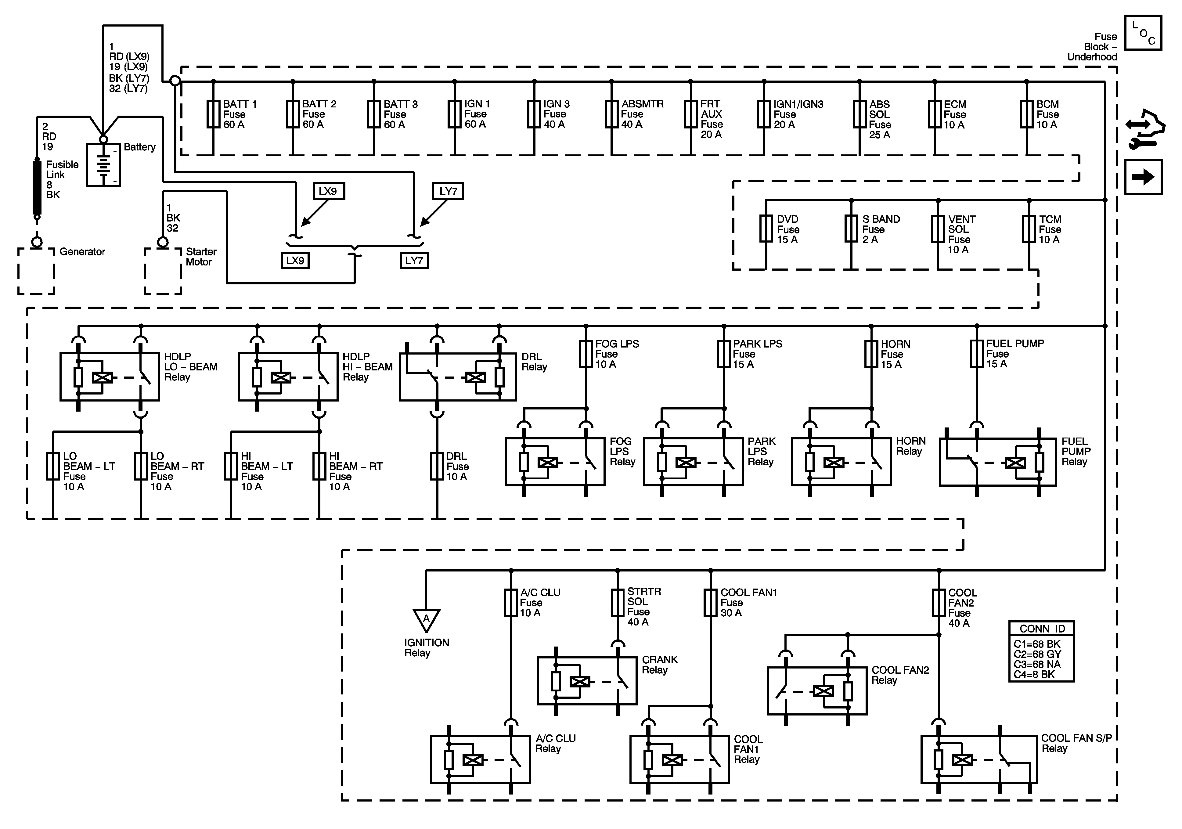
🢒 B+ Bus 1 of 2
B+ Bus 1 of 2
B+ Bus 1 of 2
Master Electrical Component List
Control Module References
B+ Bus 2 of 2
B+ Bus 2 of 2