GM Service Manual Online
For 1990-2009 cars only
Makes
🢒
Buick
🢒
2006
🢒
Rendezvous - FWD
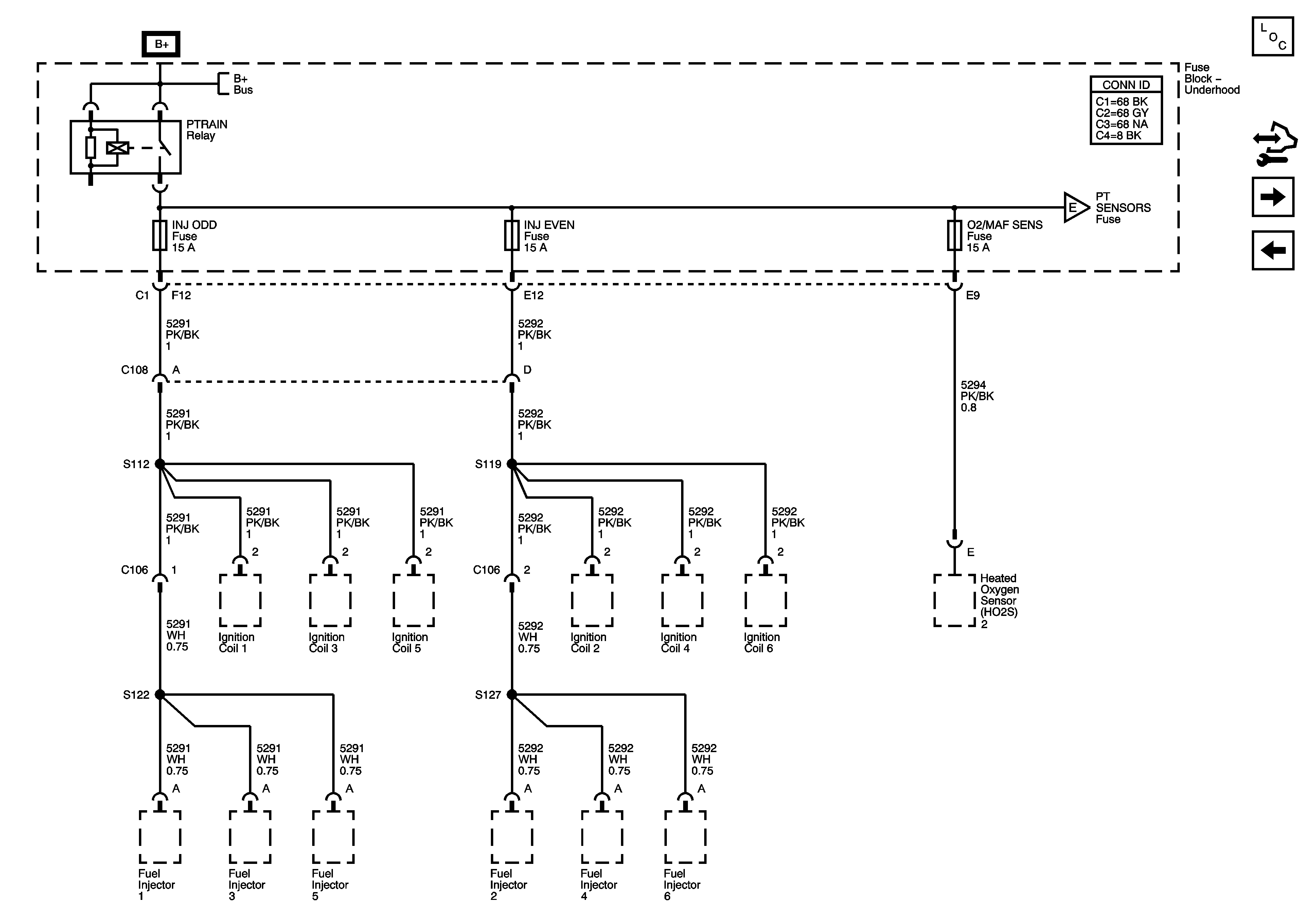
🢒 PTRAIN Relay-1 of 2, INJ EVEN, INJ ODD and O2/MAF SENS Fuses-LY7
PTRAIN Relay-1 of 2, INJ EVEN, INJ ODD and O2/MAF SENS Fuses-LY7
PTRAIN Relay 1 of 2, INJ EVEN, INJ ODD and O2/MAF SENS Fuses - LY7
Master Electrical Component List
Control Module References
PTRAIN Relay-2 of 2, BTSI, PT RLY, and PT SENSORS Fuses-
PTRAIN Relay-2 of 2, BTSI, PT RLY, and PT SENSORS Fuses-LX9
B+ Bus 2 of 2
PTRAIN Relay-2 of 2, BTSI, PT RLY, and PT SENSORS Fuses-