GM Service Manual Online
For 1990-2009 cars only
Makes
🢒
Buick
🢒
2006
🢒
Rendezvous - FWD
🢒 LX9
LX9
LX9
Master Electrical Component List
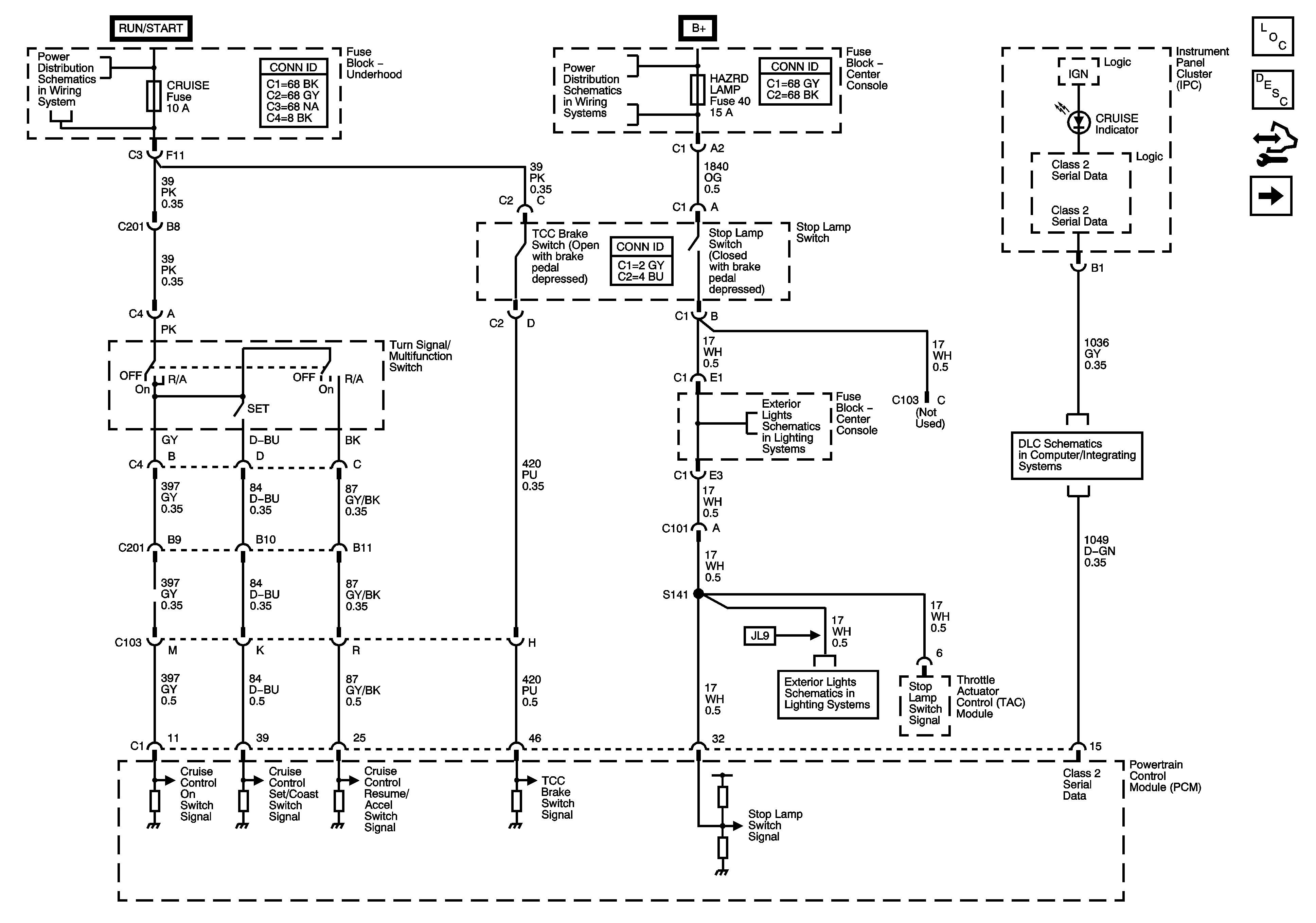
Cruise Control Description and Operation (3.5L)
Control Module References
LY7
G100, G111, and G119
BATT 1, HAZRD LAMP, HUD, IPC/HVAC/SEC/RKE, IS LAMP, PK3, RDO and RDO AMP Fuses
Hazard, Stop, and Turn Signal Lamp Control
DLC Schematics
Hazard, Stop, and Turn Signal Lamp Control