GM Service Manual Online
For 1990-2009 cars only
Makes
🢒
Buick
🢒
2006
🢒
Rendezvous - FWD
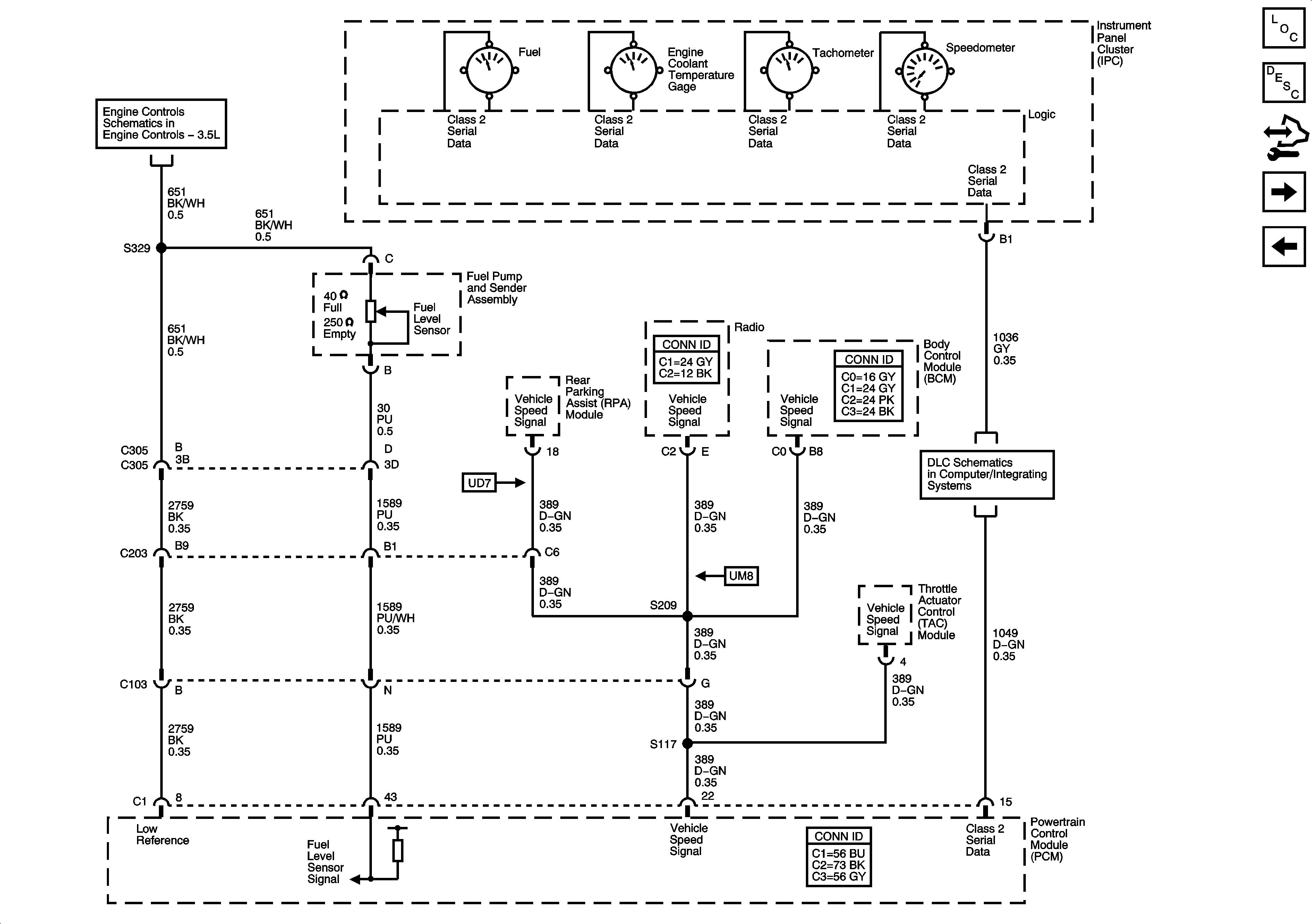
🢒 Gages-LX9
Gages-LX9
Gages - LX9
Master Electrical Component List
Instrument Cluster Description and Operation
Control Module References
Gages-LY7
Engine Oil Sensors and Switches
Fuel Controls-Fuel Pump Controls
DLC Schematics