GM Service Manual Online
For 1990-2009 cars only
Makes
🢒
Buick
🢒
2006
🢒
Rendezvous - FWD
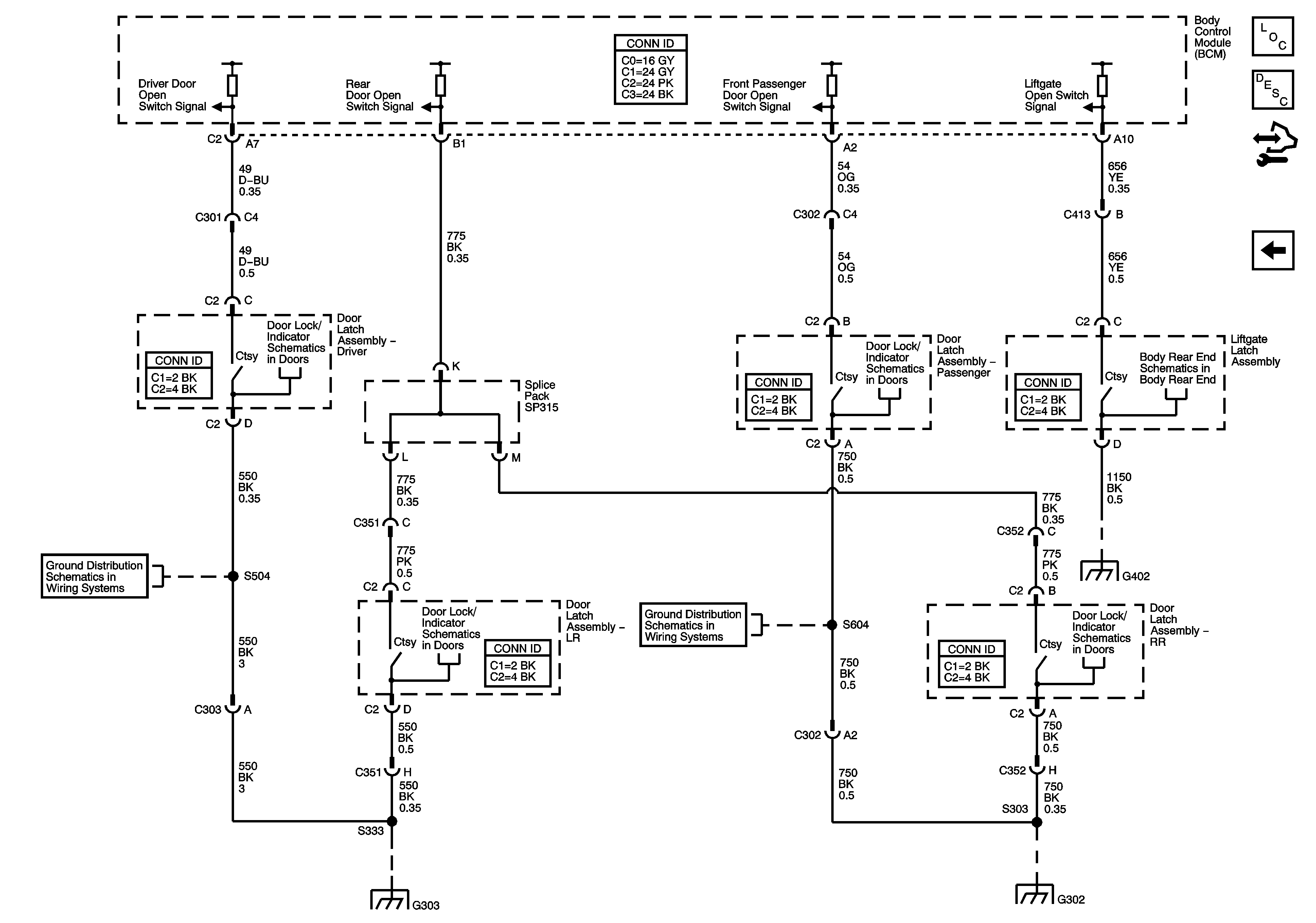
🢒 Door and Liftgate Switches
Door and Liftgate Switches
Door and Liftgate Switches
Master Electrical Component List
Interior Lighting Systems Description and Operation
Control Module References
Roof Lighting
Indicator
Indicator
Body Rear End Schematics
G303-1 of 2
Indicator
G302
Indicator
G303-1 of 2
G302