GM Service Manual Online
For 1990-2009 cars only
Makes
🢒
Buick
🢒
2006
🢒
Rendezvous - FWD
🢒 Memory Seat
Memory Seat
Memory Seat
Master Electrical Component List
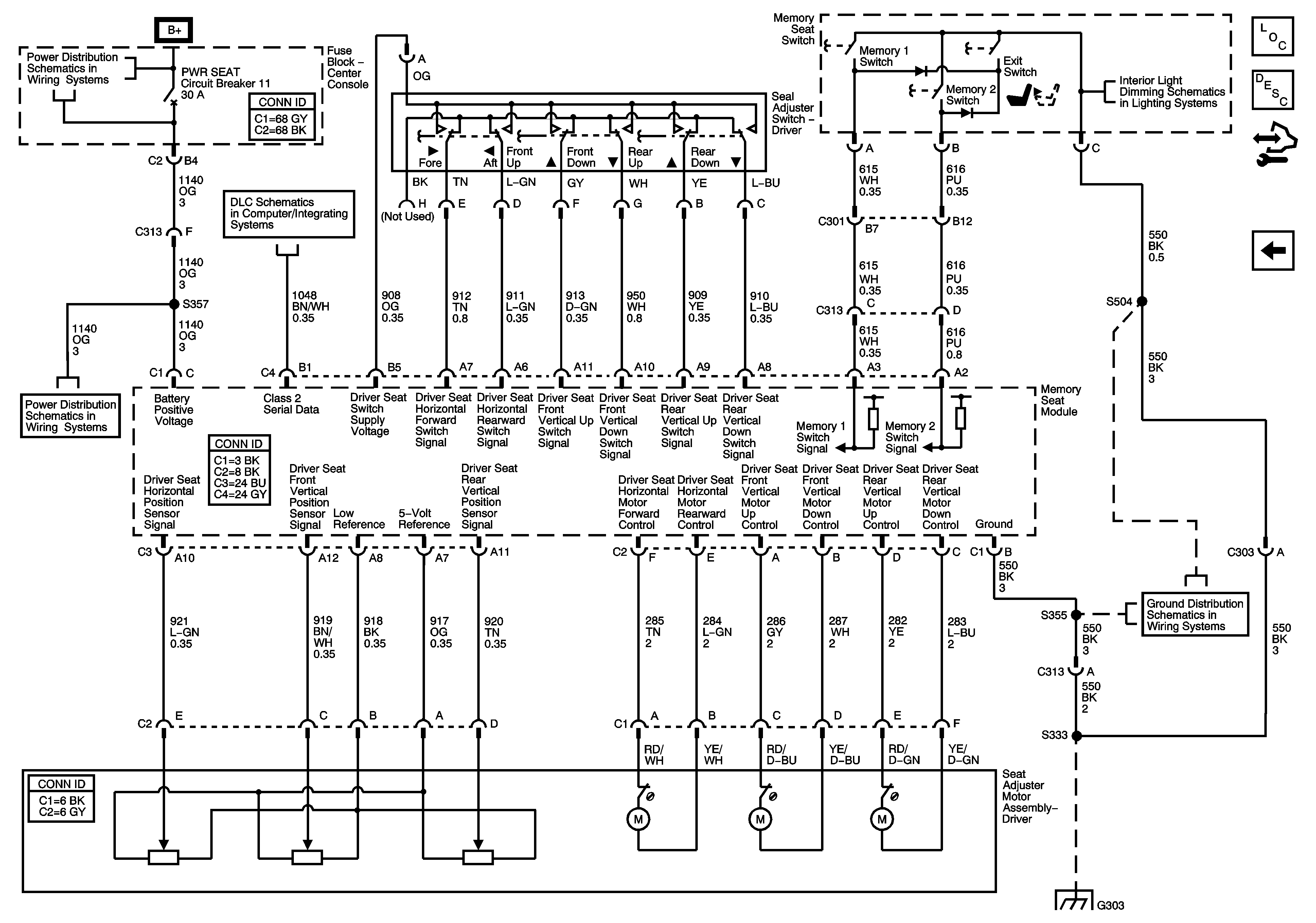
Memory Seats Description and Operation
Control Module References
Power Seat and Heated Seat
BATT 2, ELC CMPRSR, LGATE, PWR DR LCK, PWR MIR, PWR SEAT, and RR AUX PWR OUTLET Fuses
DLC Schematics
Dimming Controls and Door, Roof, and Steering Wheel Lamps
BATT 2, ELC CMPRSR, LGATE, PWR DR LCK, PWR MIR, PWR SEAT, and RR AUX PWR OUTLET Fuses
G303-1 of 2
G303-1 of 2