GM Service Manual Online
For 1990-2009 cars only
Figure 1:

B+ Bus 1 of 2


Object Number: 1740834  Size: FS
Master Electrical Component List
Control Module References
B+ Bus 2 of 2
B+ Bus 2 of 2
Figure 2:

B+ Bus 2 of 2


Object Number: 1740835  Size: FS
Master Electrical Component List
Control Module References
BATT 1, HAZRD LAMP, HUD, IPC/HVAC/SEC/RKE, IS LAMP, PK3, RDO and RDO AMP Fuses
B+ Bus 1 of 2
B+ Bus 1 of 2
Figure 3:

BATT 1, HAZRD LAMP, HUD, IPC/HVAC/SEC/RKE, IS LAMP, PK3, RDO and RDO AMP Fuses


Object Number: 1740836  Size: FS
Master Electrical Component List
Control Module References
BATT 2, ELC CMPRSR, LGATE, PWR DR LCK, PWR MIR, PWR SEAT, and RR AUX PWR OUTLET Fuses
B+ Bus 2 of 2
B+ Bus 1 of 2
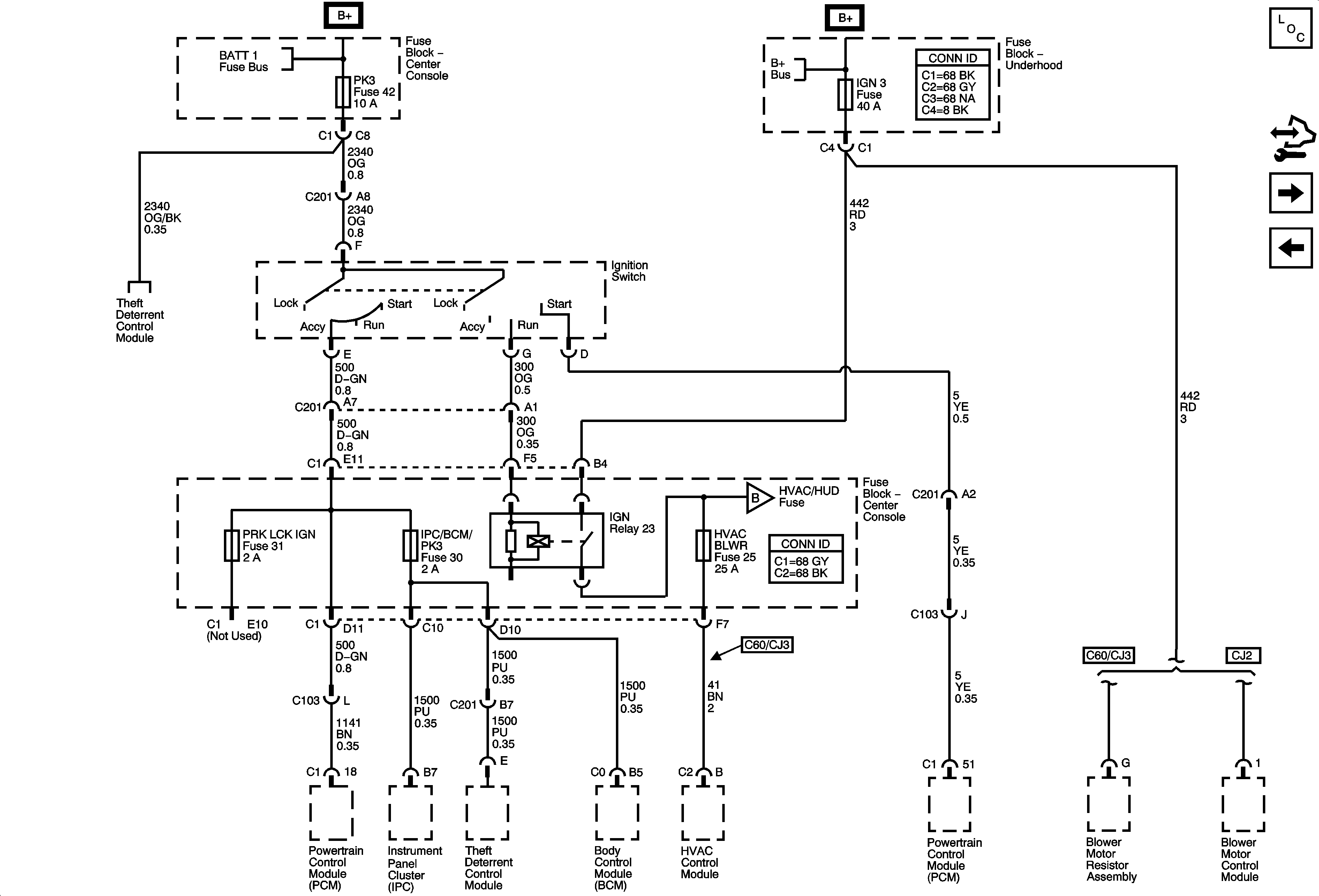
Ignition Switch-ACCY/RUN/START and RUN and START Bus Bars, HVAC BLWR, IPC/BCM/PK3, PK3, and PRK LCK IGN Fuses
Figure 4:

BATT 2, ELC CMPRSR, LGATE, PWR DR LCK, PWR MIR, PWR SEAT, and RR AUX PWR OUTLET Fuses


Object Number: 1740837  Size: FS
Master Electrical Component List
Control Module References
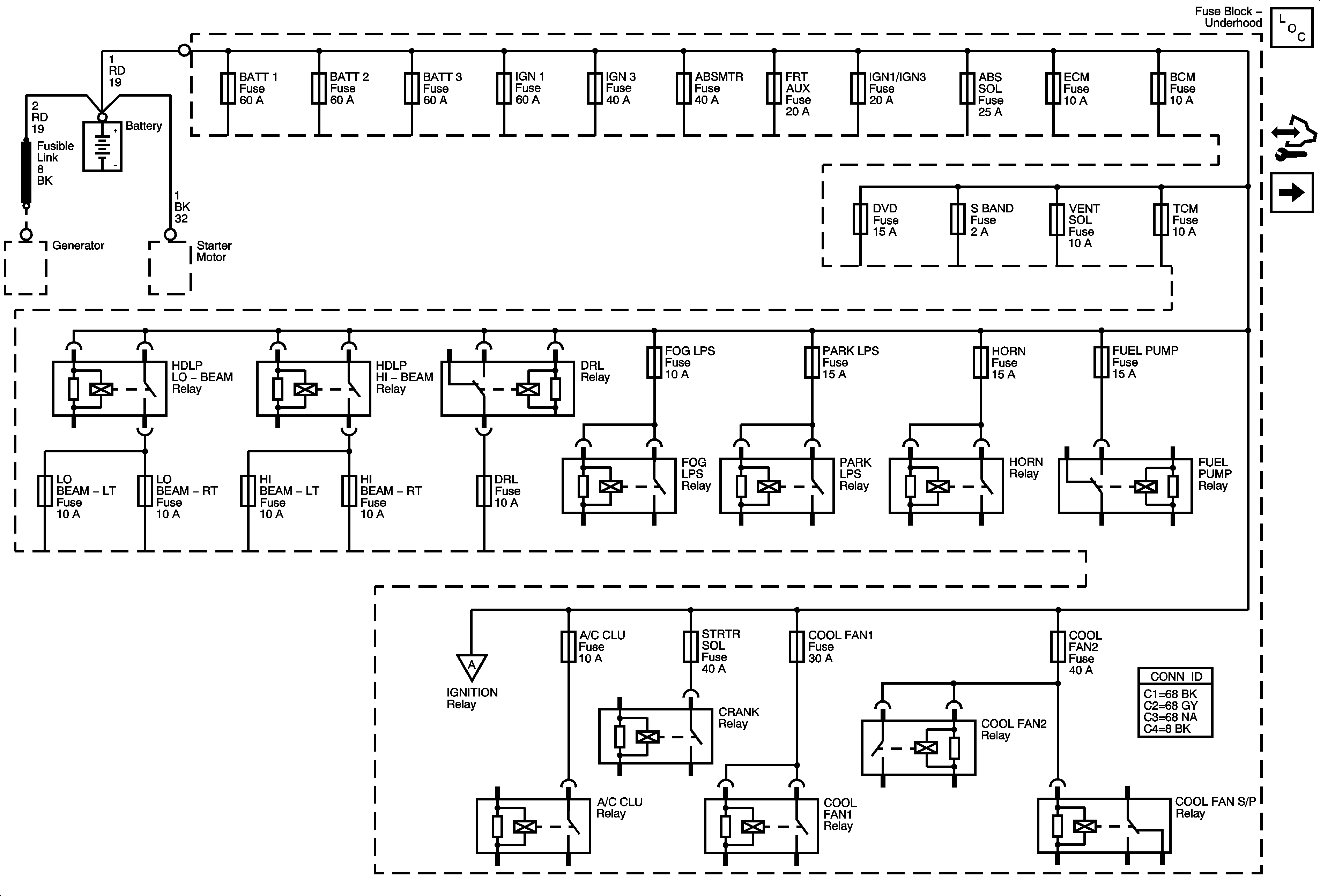
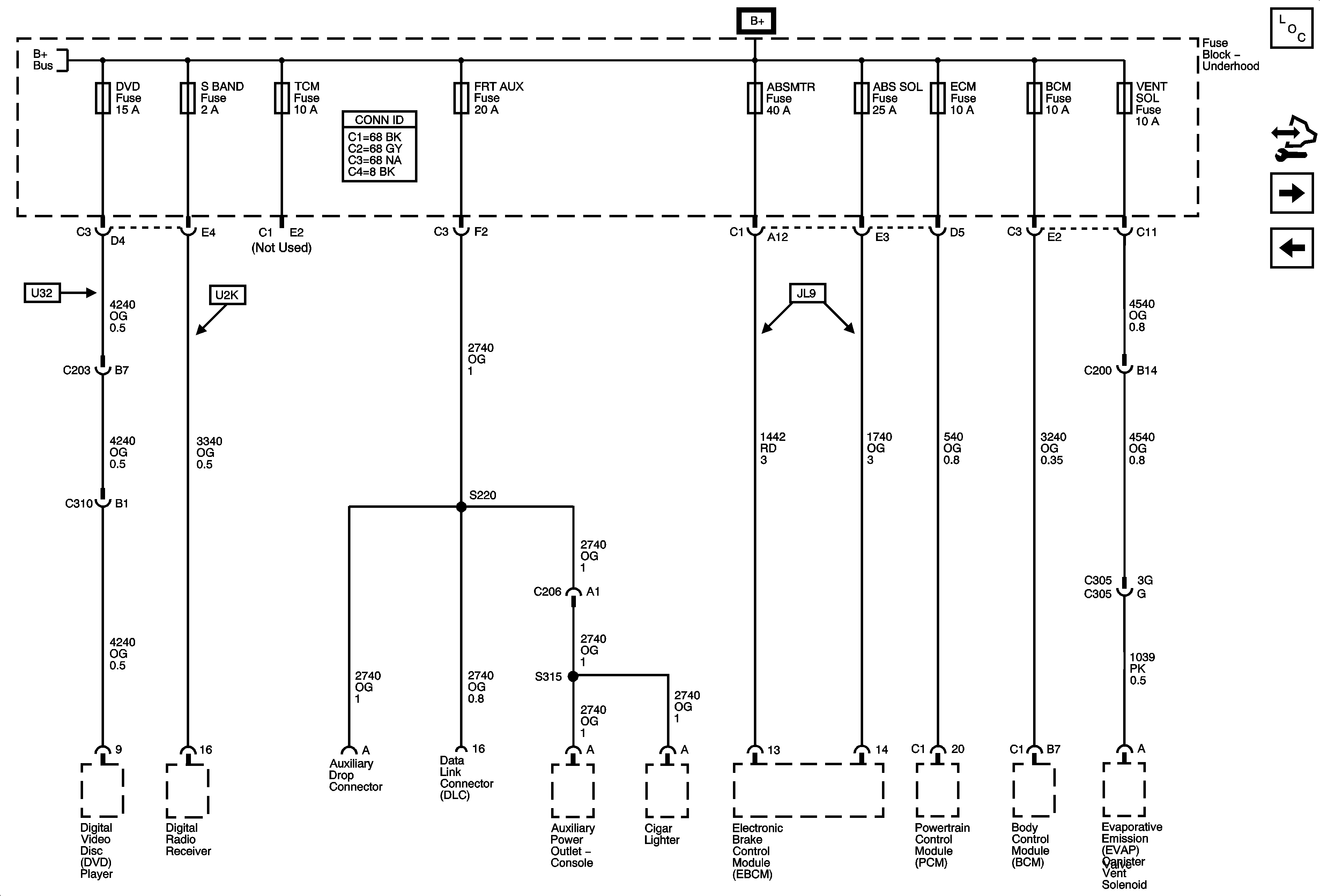
ABSMTR, ABS SOL, BCM, DVD, ECM, FRT AUX, S BAND, TCM, and VENT SOL Fuses
BATT 1, HAZRD LAMP, HUD, IPC/HVAC/SEC/RKE, IS LAMP, PK3, RDO and RDO AMP Fuses
B+ Bus 1 of 2
Figure 5:

ABSMTR, ABS SOL, BCM, DVD, ECM, FRT AUX, S BAND, TCM, and VENT SOL Fuses


Object Number: 1740838  Size: FS
Master Electrical Component List
Control Module References
Ignition Switch-ACCY/RUN/START and RUN and START Bus Bars, HVAC BLWR, IPC/BCM/PK3, PK3, and PRK LCK IGN Fuses
BATT 2, ELC CMPRSR, LGATE, PWR DR LCK, PWR MIR, PWR SEAT, and RR AUX PWR OUTLET Fuses
B+ Bus 1 of 2
Figure 6:

Ignition Switch-ACCY/RUN/START and RUN and START Bus Bars, HVAC BLWR, IPC/BCM/PK3, PK3, and PRK LCK IGN Fuses


Object Number: 1740839  Size: FS
Master Electrical Component List
Control Module References
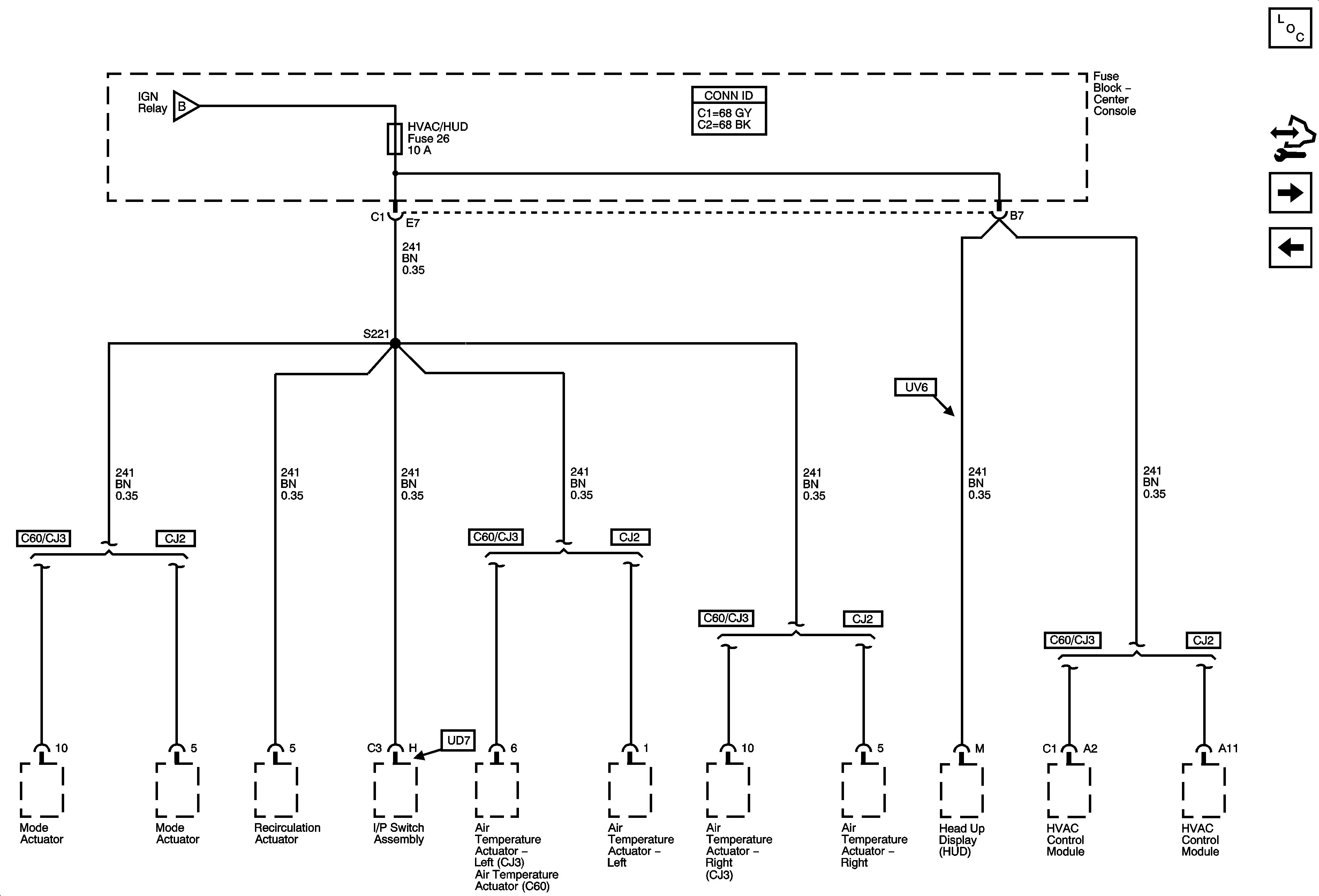
HVAC/HUD Fuse
ABSMTR, ABS SOL, BCM, DVD, ECM, FRT AUX, S BAND, TCM, and VENT SOL Fuses
BATT 1, HAZRD LAMP, HUD, IPC/HVAC/SEC/RKE, IS LAMP, PK3, RDO and RDO AMP Fuses
B+ Bus 1 of 2
BATT 1, HAZRD LAMP, HUD, IPC/HVAC/SEC/RKE, IS LAMP, PK3, RDO and RDO AMP Fuses
HVAC/HUD Fuse
Figure 7:

HVAC/HUD Fuse


Object Number: 1740840  Size: FS
Master Electrical Component List
Control Module References
Ignition Switch-ACCY/RUN and RUN/START Bus Bars, AIRBAG MDL, AUTO OCCUPANT SEN, BCM, IGN1/IGN3, IGN MDL, and TCC SWTCH Fuses
Ignition Switch-ACCY/RUN/START and RUN and START Bus Bars, HVAC BLWR, IPC/BCM/PK3, PK3, and PRK LCK IGN Fuses
Ignition Switch-ACCY/RUN/START and RUN and START Bus Bars, HVAC BLWR, IPC/BCM/PK3, PK3, and PRK LCK IGN Fuses
Figure 8:

Ignition Swich-ACCY/RUN and RUN/START Bus Bars, AIRBAG MDL, AUTO OCCUPANT SEN, BCM, IGN1/IGN3, IGN MDL, and TCC SWTCH Fuses


Object Number: 1740841  Size: FS
Master Electrical Component List
Control Module References
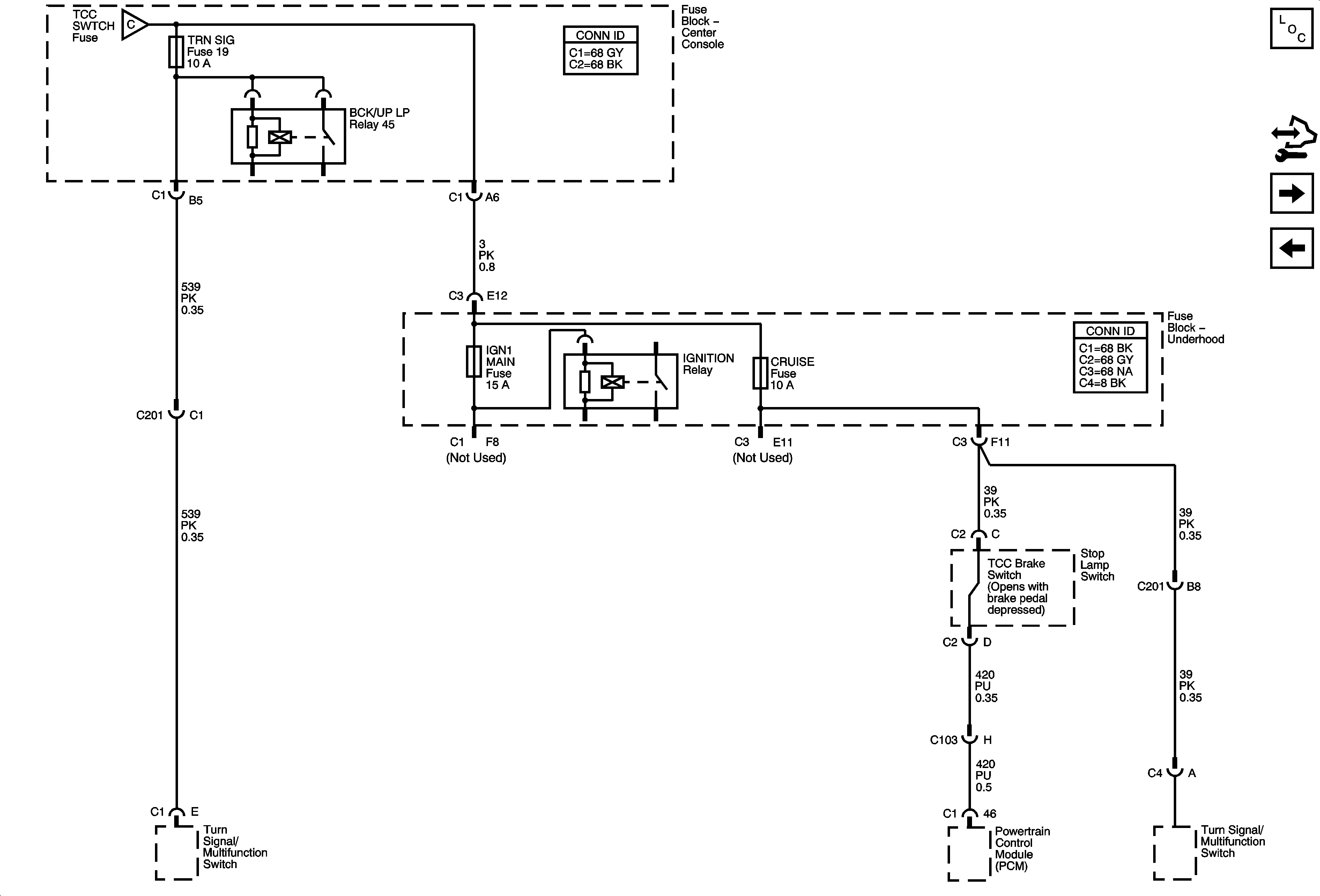
CRUISE, IGN1 MAIN, and TRN SIG Fuses
HVAC/HUD Fuse
B+ Bus 1 of 2
CRUISE, IGN1 MAIN, and TRN SIG Fuses
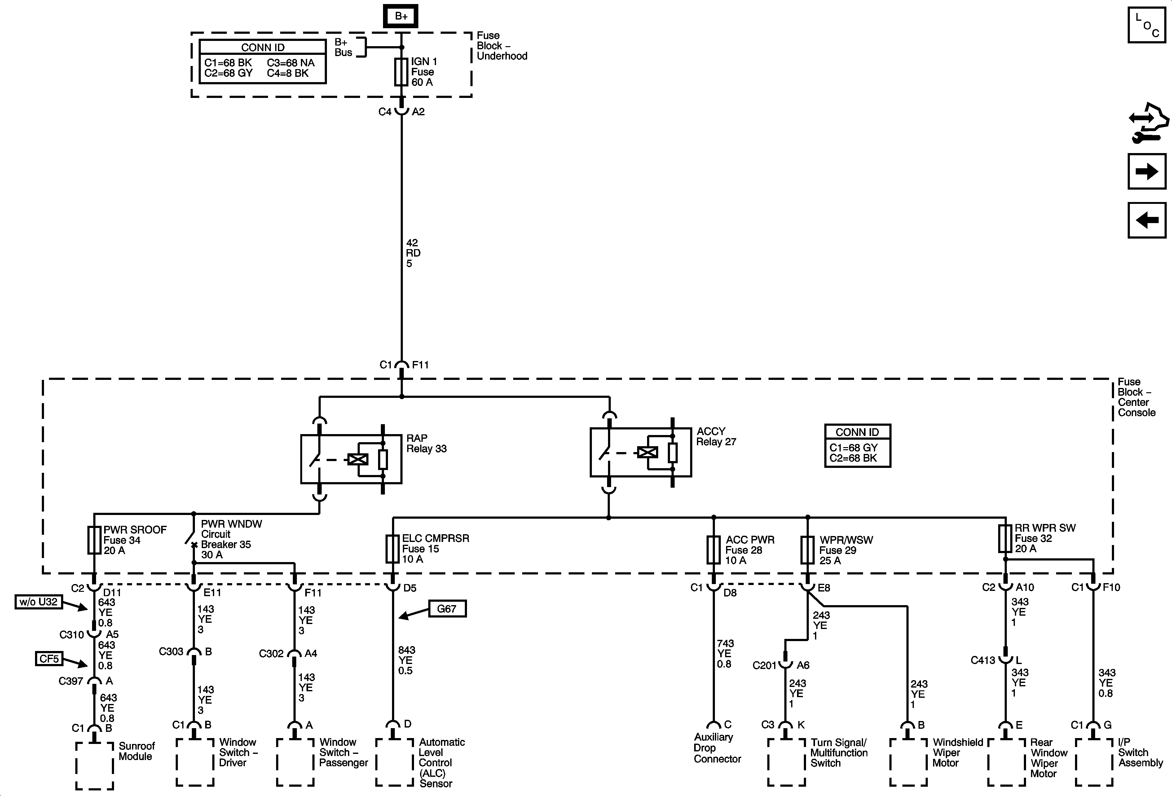
Figure 9:

CRUISE, IGN1 MAIN, and TRN SIG Fuses


Object Number: 1740843  Size: FS
Master Electrical Component List
Control Module References
ACC PWR, ELC CMPRSR, IGN 1, PWR SROOF, PWR WNDW, RR WPR SW, and WPR/WSW Fuses
Ignition Switch-ACCY/RUN and RUN/START Bus Bars, AIRBAG MDL, AUTO OCCUPANT SEN, BCM, IGN1/IGN3, IGN MDL, and TCC SWTCH Fuses
Ignition Switch-ACCY/RUN and RUN/START Bus Bars, AIRBAG MDL, AUTO OCCUPANT SEN, BCM, IGN1/IGN3, IGN MDL, and TCC SWTCH Fuses
Figure 10:

ACC PWR, ELC CMPRSR, IGN 1, PWR SROOF, PWR WNDW, RR WPR SW, and WPR/WSW Fuses


Object Number: 1740844  Size: FS
Master Electrical Component List
Control Module References
PTRAIN Relay-1 of 2, INJ EVEN, INJ ODD and O2/MAF SENS Fuses
CRUISE, IGN1 MAIN, and TRN SIG Fuses
B+ Bus 1 of 2
Figure 11:

PTRAIN Relay 1 of 2, INJ EVEN, INJ ODD and O2/MAF SENS Fuses


Object Number: 1740845  Size: FS
Master Electrical Component List
Control Module References
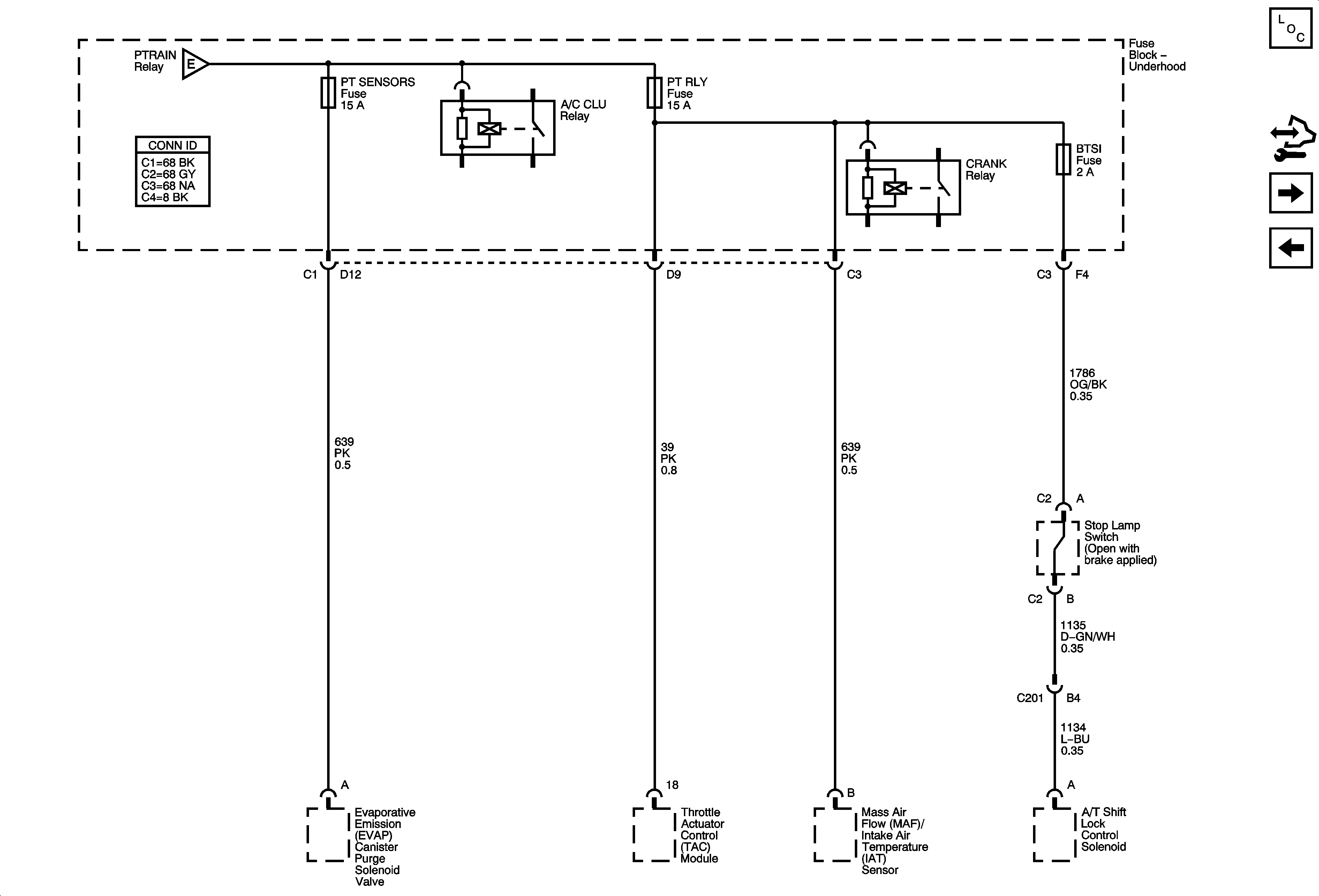
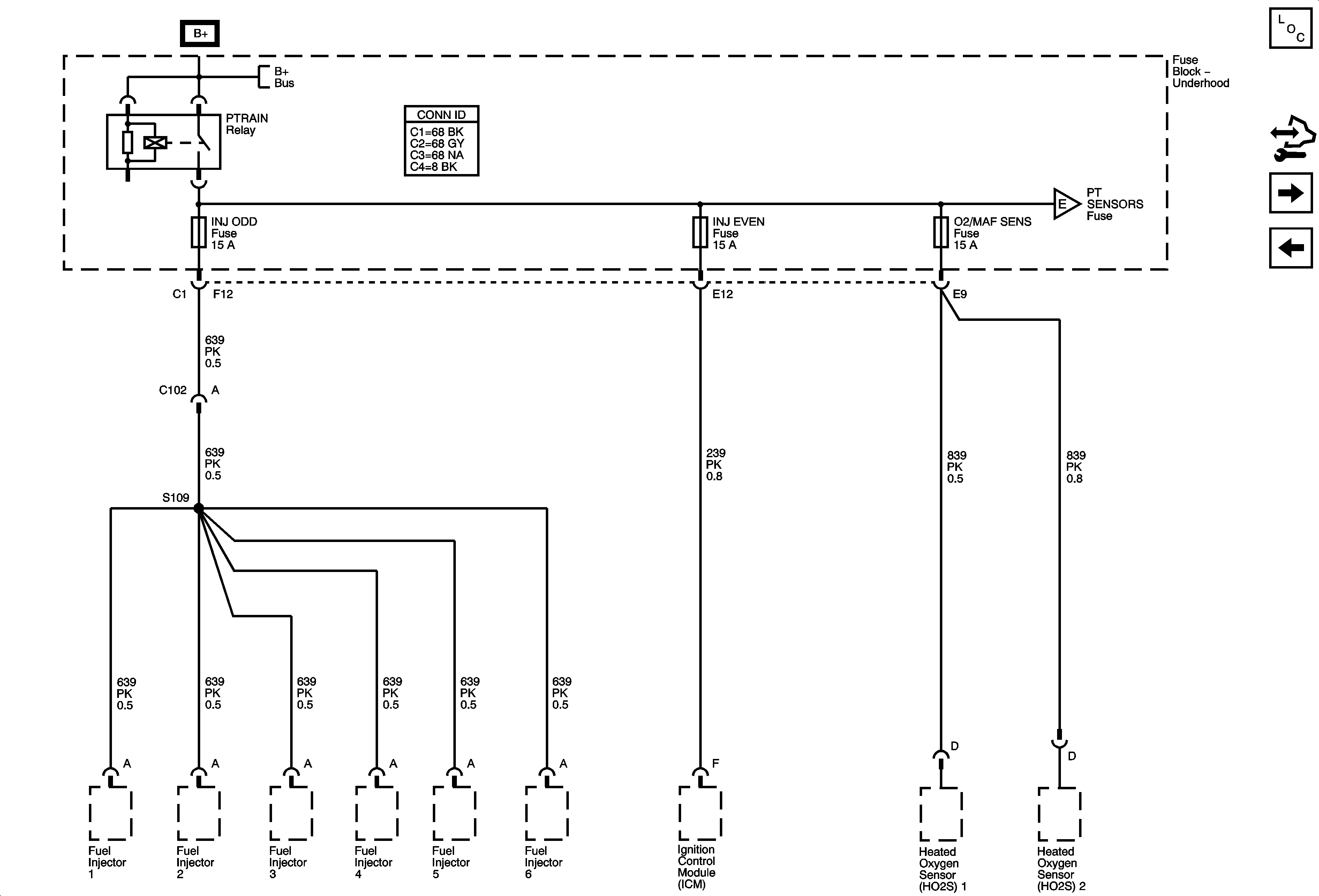
PTRAIN Relay-2 of 2, BTSI, PT RLY, and PT SENSORS Fuses
ACC PWR, ELC CMPRSR, IGN 1, PWR SROOF, PWR WNDW, RR WPR SW, and WPR/WSW Fuses
B+ Bus 2 of 2
PTRAIN Relay-2 of 2, BTSI, PT RLY, and PT SENSORS Fuses
Figure 12:

PTRAIN Relay 2 of 2, BTSI, PT RLY, and PT SENSORS Fuses


Object Number: 1740846  Size: FS
Master Electrical Component List
Control Module References
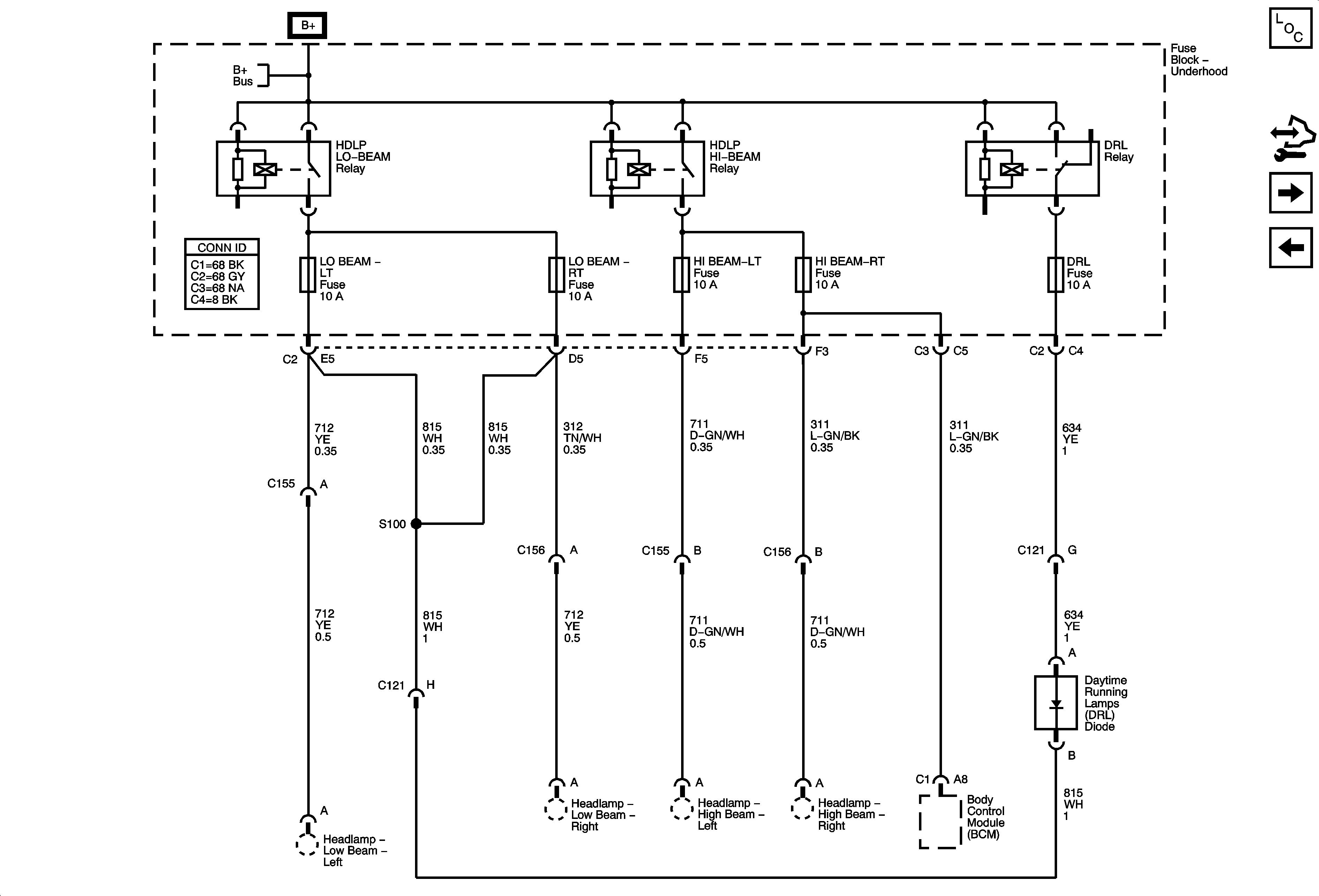
DRL, HI BEAM-LT, HI BEAM-RT, LO BEAM-LT, and LO BEAM-RT Fuses
PTRAIN Relay-1 of 2, INJ EVEN, INJ ODD and O2/MAF SENS Fuses
PTRAIN Relay-1 of 2, INJ EVEN, INJ ODD and O2/MAF SENS Fuses
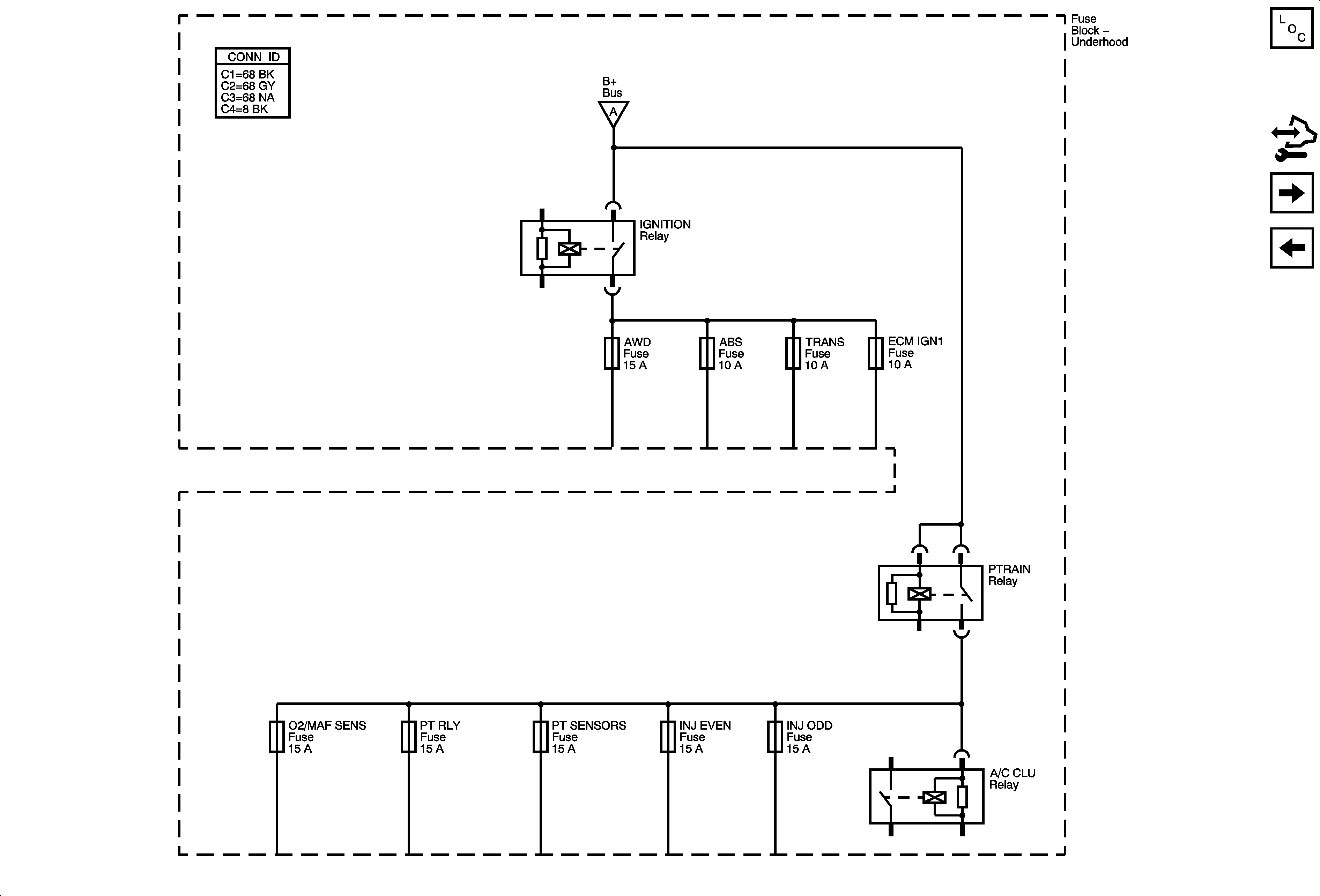
Figure 13:

IGNITION Relay, ABS, AWD, ECM IGN1, and TRANS Fuses


Object Number: 1740847  Size: FS
Master Electrical Component List
Control Module References
DRL, HI BEAM-LT, HI BEAM-RT, LO BEAM-LT, and LO BEAM-RT Fuses
PTRAIN Relay-2 of 2, BTSI, PT RLY, and PT SENSORS Fuses
B+ Bus 2 of 2
Figure 14:

DRL, HI BEAM-LT, HI BEAM-RT, LO BEAM-LT, and LO BEAM-RT Fuses


Object Number: 1740848  Size: FS
Master Electrical Component List
Control Module References
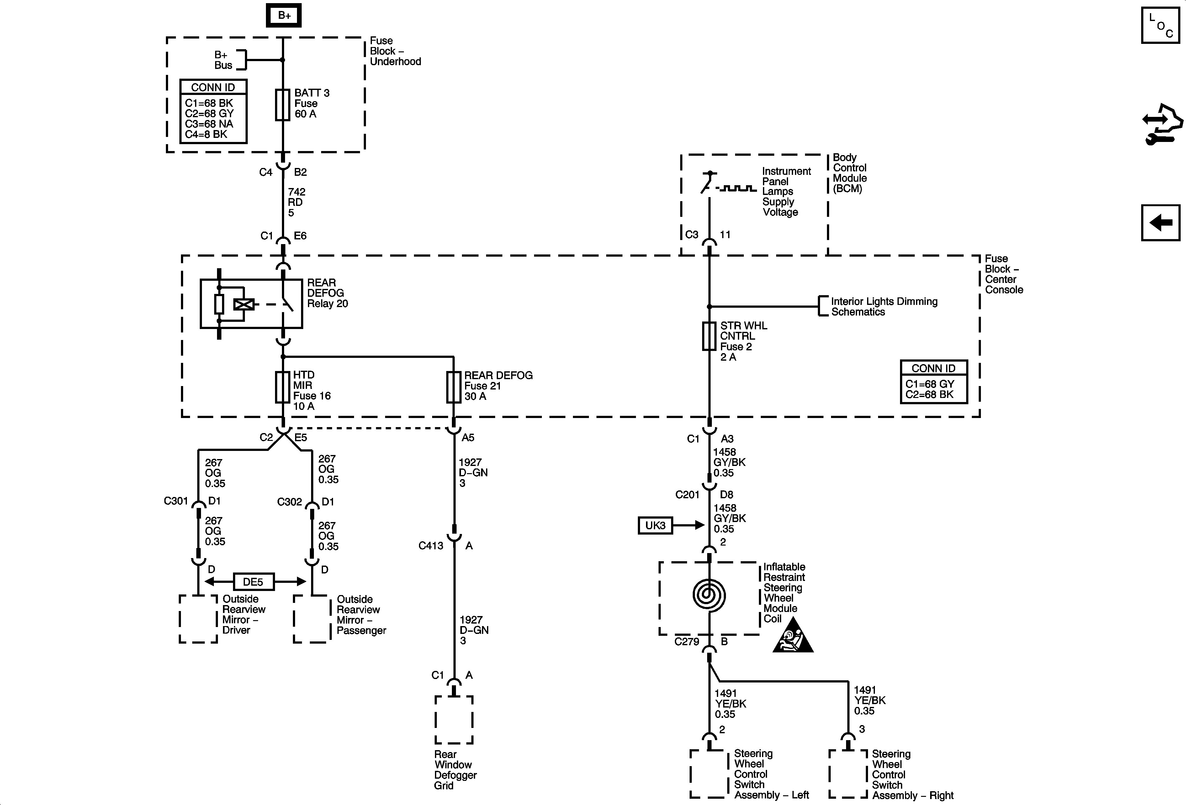
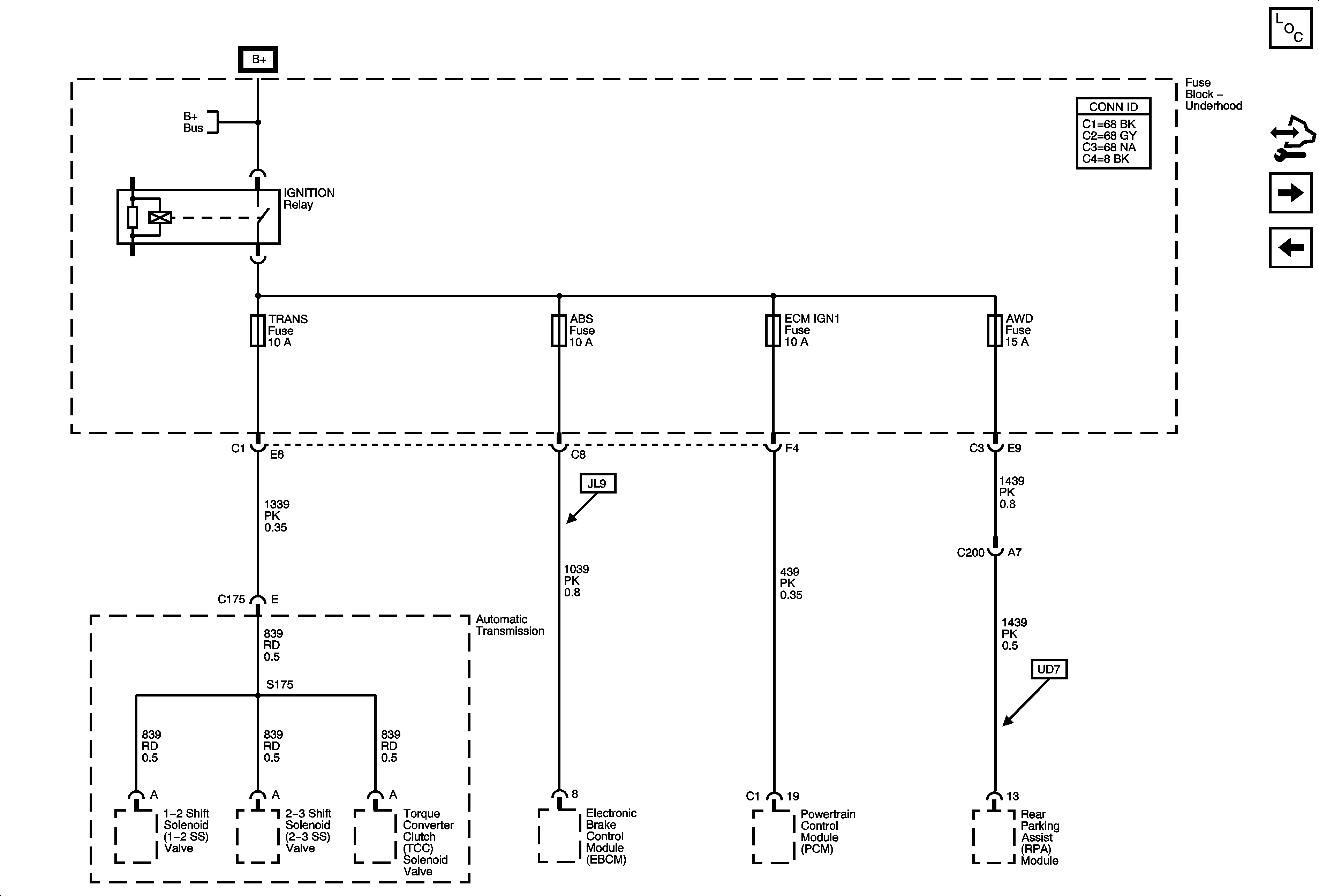
BATT 3, HTD MIR, REAR DEFOG, and STR WHL CNTRL Fuses
IGNITION Relay, ABS, AWD, ECM IGN1, and TRANS Fuses
B+ Bus 1 of 2
Figure 15:

BATT 3, HTD MIR, REAR DEFOG, and STR WHL CNTRL Fuses


Object Number: 1740849  Size: FS
Master Electrical Component List
Control Module References
DRL, HI BEAM-LT, HI BEAM-RT, LO BEAM-LT, and LO BEAM-RT Fuses
B+ Bus 1 of 2
Dimming Controls and Door, Roof, and Steering Wheel Lamps
Power and Grounding Schematic Icons