GM Service Manual Online
For 1990-2009 cars only
Figure 1:

Ground, Power, and Serial Data


Object Number: 1740912  Size: FS
Master Electrical Component List
SIR System Description and Operation
Control Module References
Impact Sensors
SIR Schematic Icons
Ignition Switch-ACCY/RUN and RUN/START Bus Bars, AIRBAG MDL, AUTO OCCUPANT SEN, BCM, IGN1/IGN3, IGN MDL, and TCC SWTCH Fuses
Data Communication Schematics
Seat Belt Schematics
G302
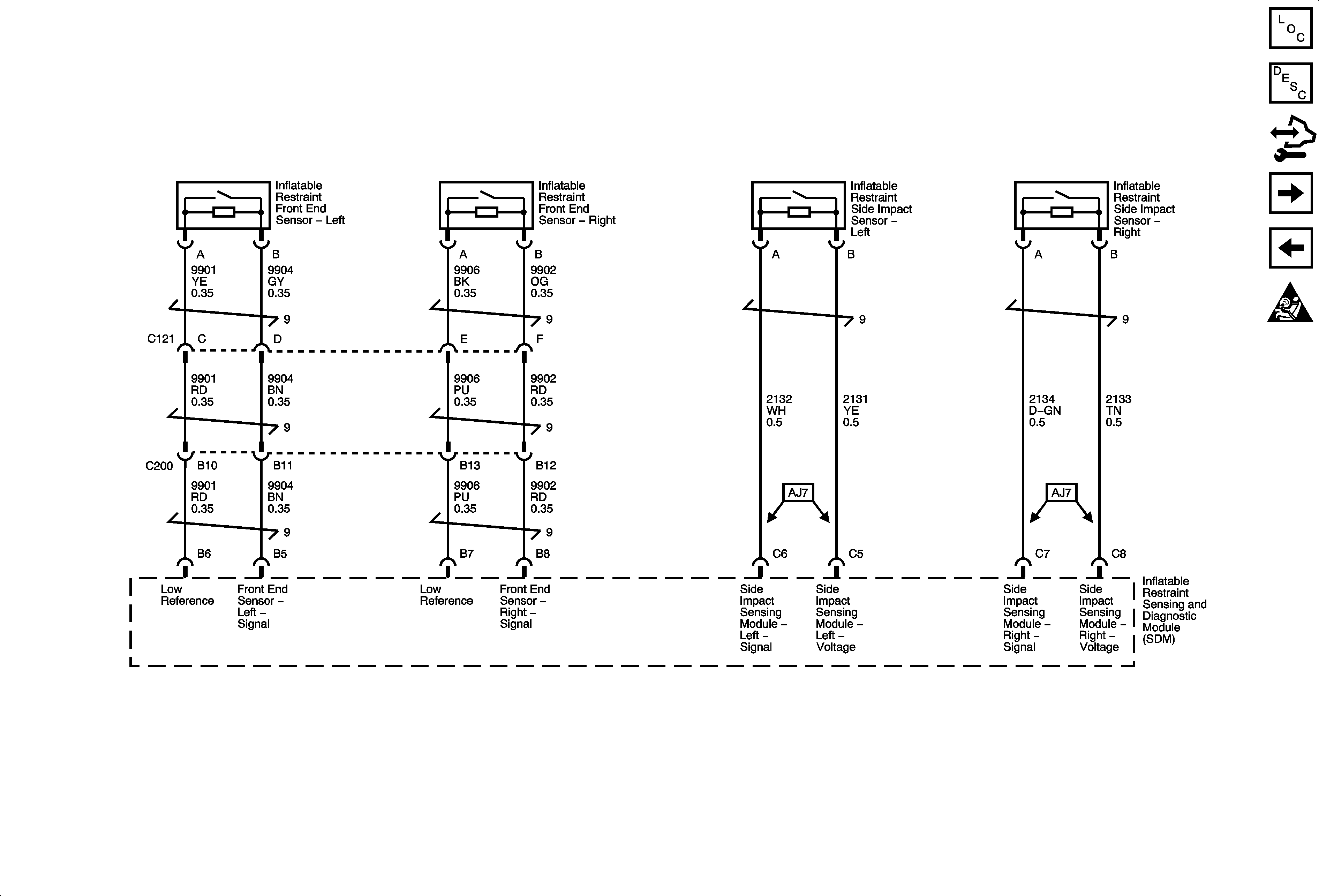
Figure 2:

Impact Sensors


Object Number: 1740914  Size: FS
Master Electrical Component List
SIR System Description and Operation
Control Module References
Impact Modules and Pretensioners
Ground, Power, and Serial Data
SIR Schematic Icons
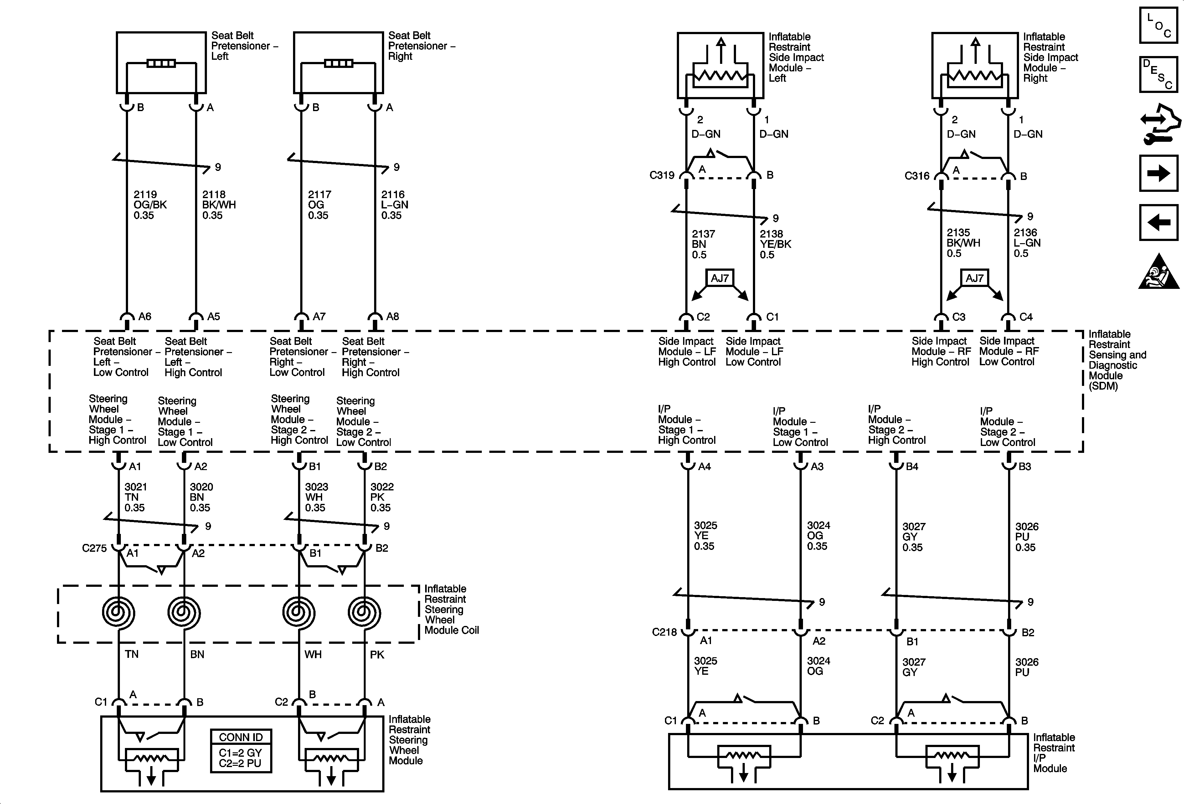
Figure 3:

Impact Modules and Pretensioners


Object Number: 1740916  Size: FS
Master Electrical Component List
SIR System Description and Operation
Control Module References
Passenger Presence System
Impact Sensors
SIR Schematic Icons
Figure 4:

Passenger Presence System


Object Number: 1740917  Size: FS
Master Electrical Component List
SIR System Description and Operation
Control Module References
Impact Modules and Pretensioners
SIR Schematic Icons
Ignition Switch-ACCY/RUN and RUN/START Bus Bars, AIRBAG MDL, AUTO OCCUPANT SEN, BCM, IGN1/IGN3, IGN MDL, and TCC SWTCH Fuses
G302