GM Service Manual Online
For 1990-2009 cars only
Makes
🢒
Buick
🢒
2007
🢒
Rendezvous - FWD
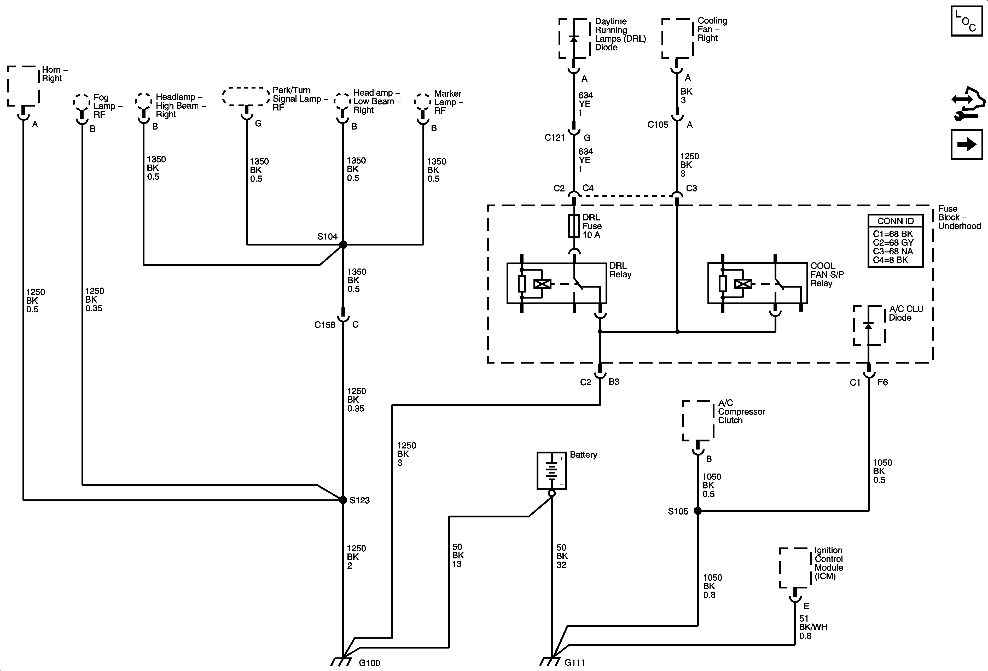
🢒 G100, and G111
G100, and G111
G100, and G111
Master Electrical Component List
Control Module References
G101