GM Service Manual Online
For 1990-2009 cars only
Makes
🢒
Buick
🢒
2007
🢒
Rendezvous - FWD
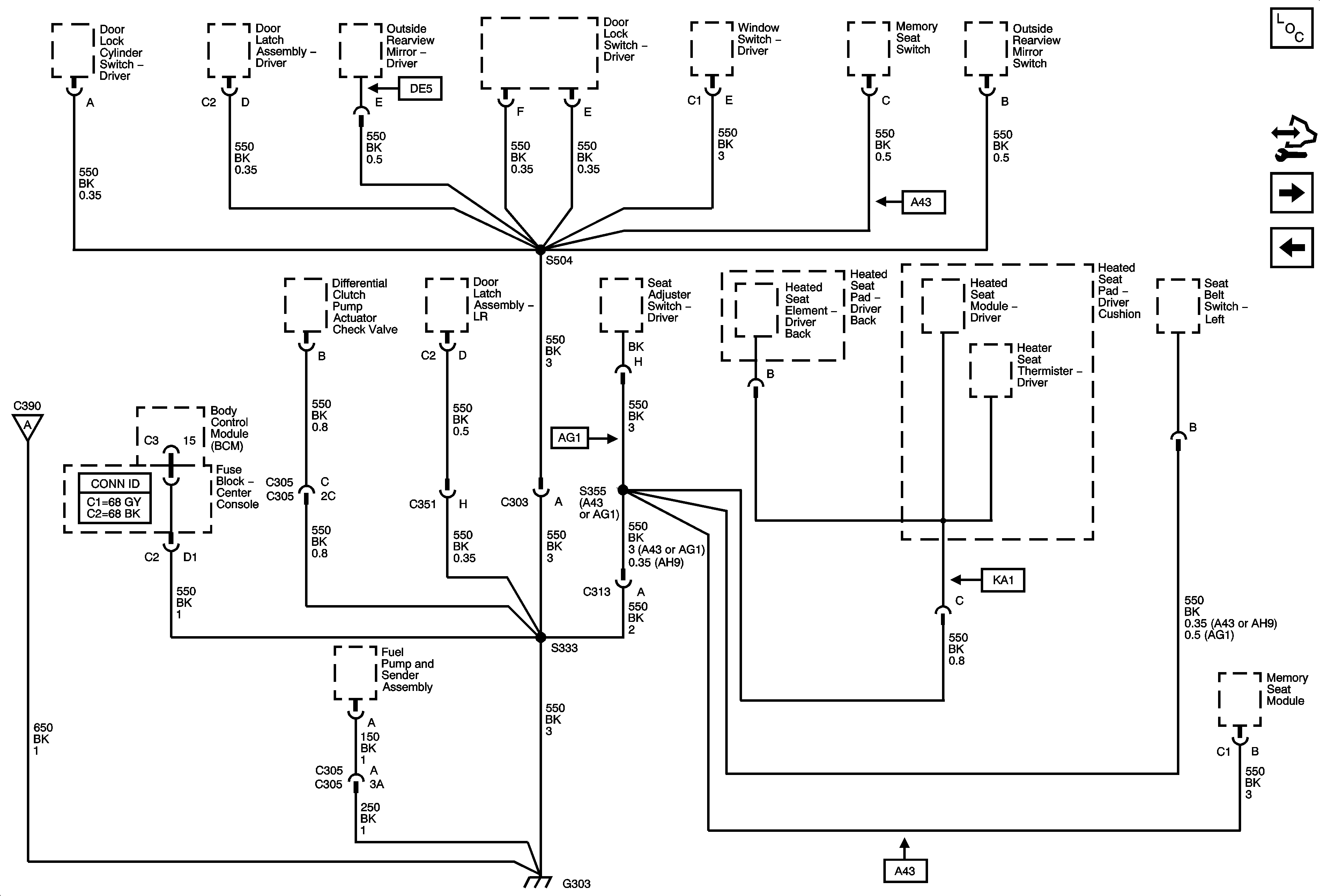
🢒 G303-1 of 2
G303-1 of 2
G303 1 of 2
Master Electrical Component List
Control Module References
G303-2 of 2
G302
G303-2 of 2