GM Service Manual Online
For 1990-2009 cars only
Makes
🢒
Buick
🢒
2007
🢒
Rendezvous - FWD
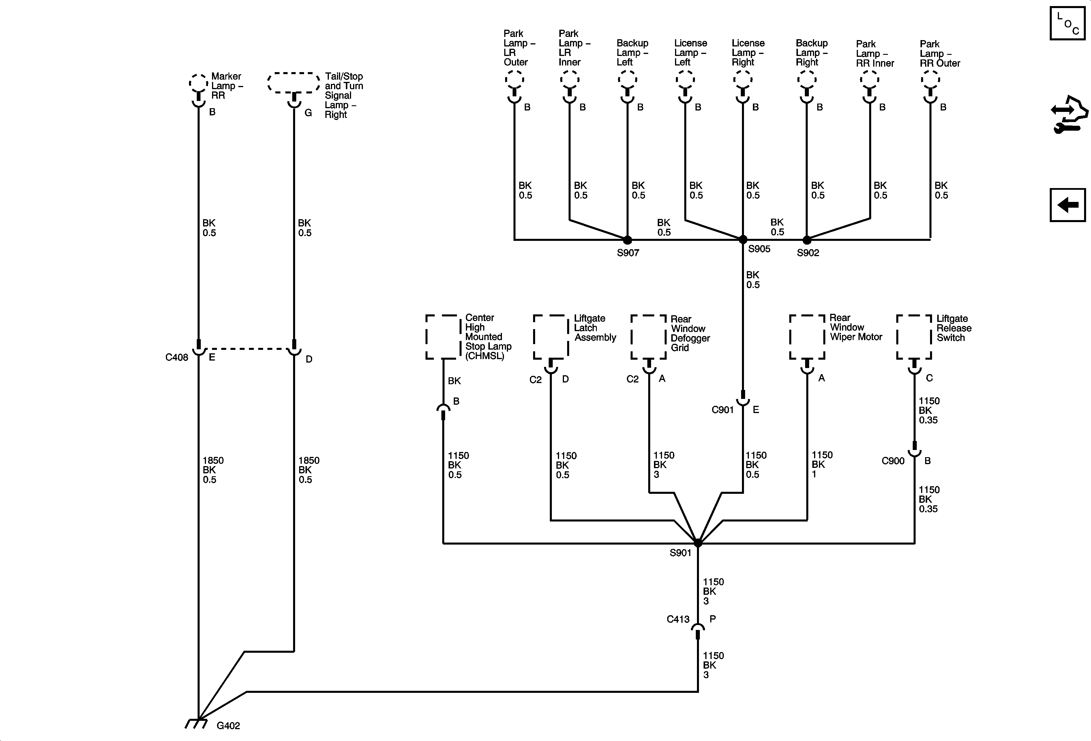
🢒 G402
G402
G402
Master Electrical Component List
Control Module References
G401