GM Service Manual Online
For 1990-2009 cars only
Makes
🢒
Buick
🢒
2007
🢒
Rendezvous - FWD
🢒 Audible Warnings Schematics
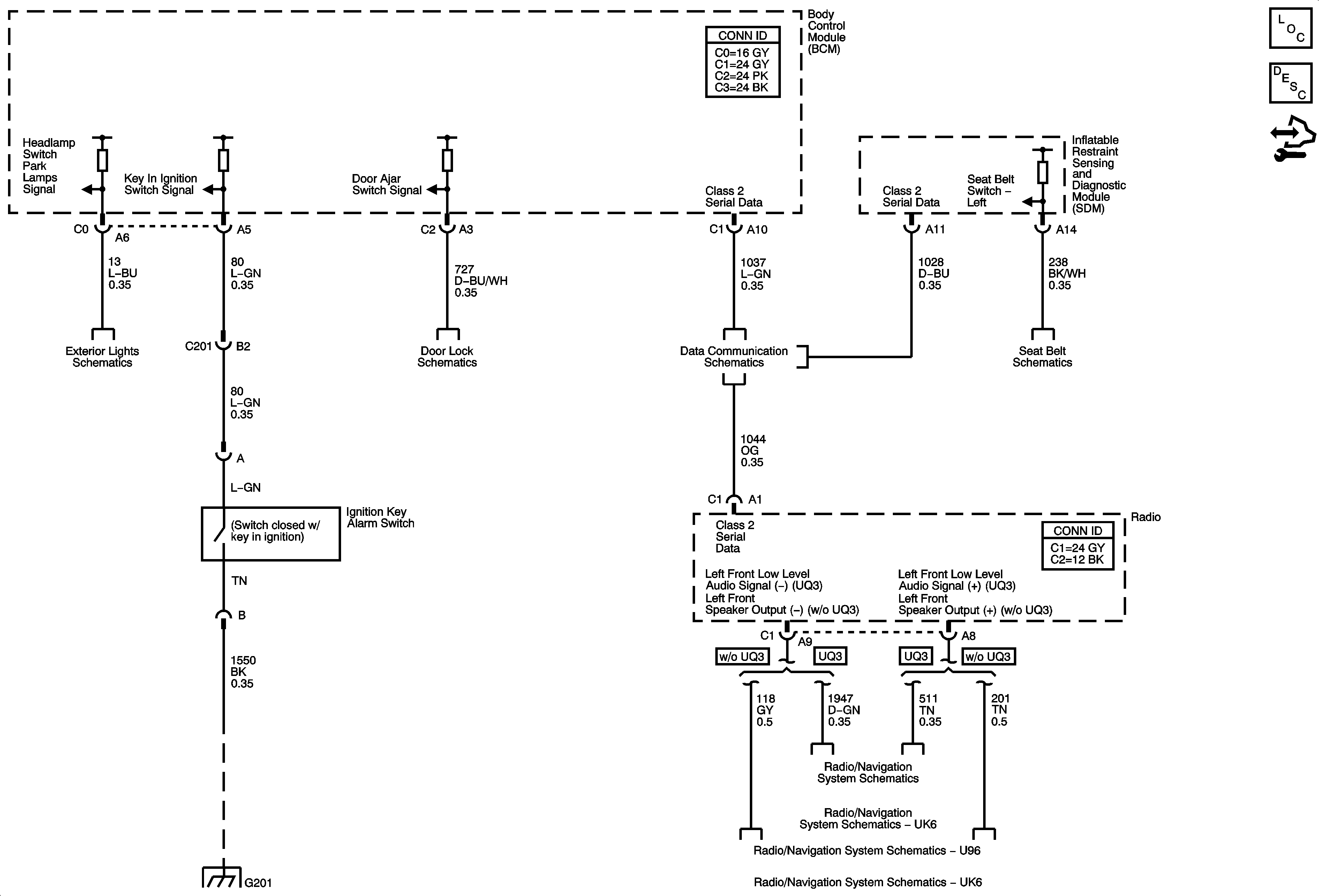
Audible Warnings Schematics
Master Electrical Component List
Audible Warnings Description and Operation
Control Module References
Park Lamps
Indicator
Data Communication Schematics
Seat Belt Schematics
G201
Audio System Controls-UQ3
Audio System Controls-UQ3 w/UK6
Audio System-U96
Audio System-U96 w/UK6