GM Service Manual Online
For 1990-2009 cars only
Makes
🢒
Buick
🢒
2007
🢒
Rendezvous - FWD
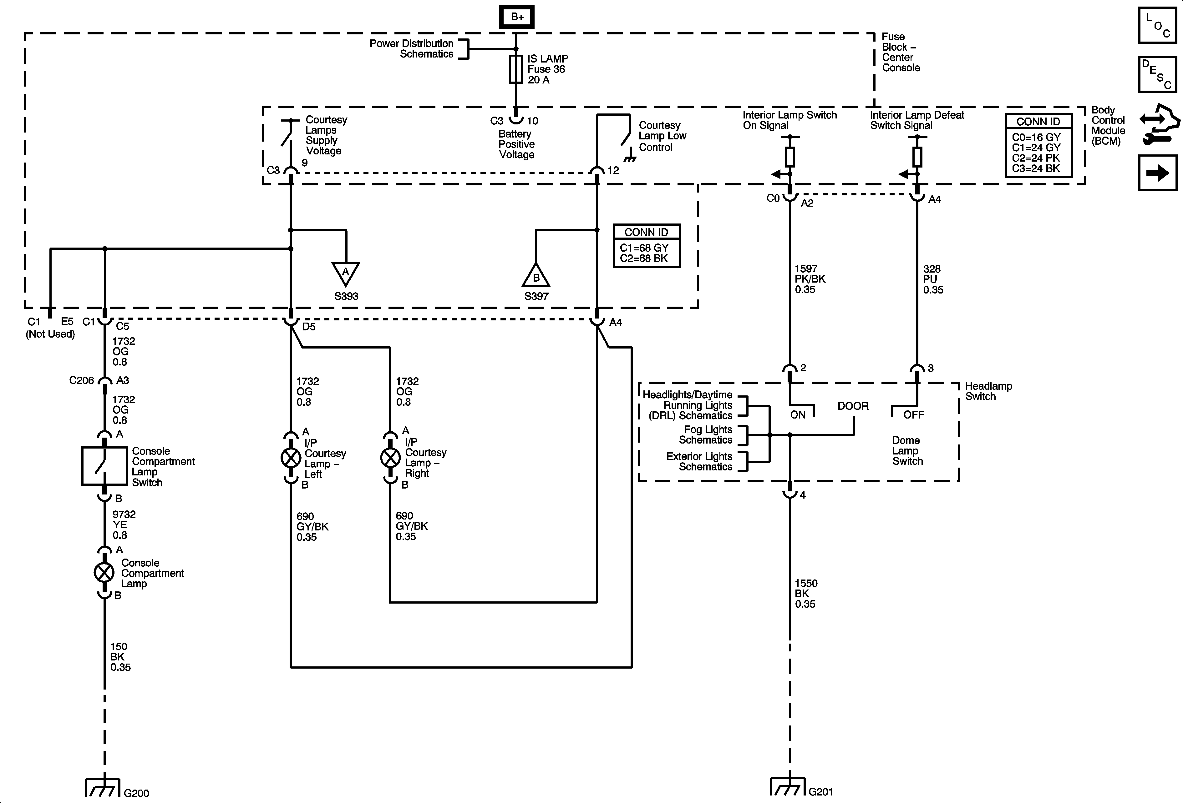
🢒 I/P Lighting, Lamp Control
I/P Lighting, Lamp Control
I/P Lighting, Lamp Control
Master Electrical Component List
Interior Lighting Systems Description and Operation
Control Module References
Roof Lighting
BATT 1, HAZRD LAMP, HUD, IPC/HVAC/SEC/RKE, IS LAMP, PK3, RDO and RDO AMP Fuses
Roof Lighting
Roof Lighting
Indicator, Lamp Control
Fog Lights Schematics
Park Lamps
G200
G201