GM Service Manual Online
For 1990-2009 cars only

INTERMITTENT NO CRANK (REPLACE STARTER ENABLE RELAY)

SUBJECT: INTERMITTENT NO CRANK (REPLACE STARTER ENABLE RELAY)

MODELS AFFECTED: 1992 LESABRE 1991-92 PARK AVENUE/ULTRA 1990-91 RIVIERA/REATTA

CONDITION:

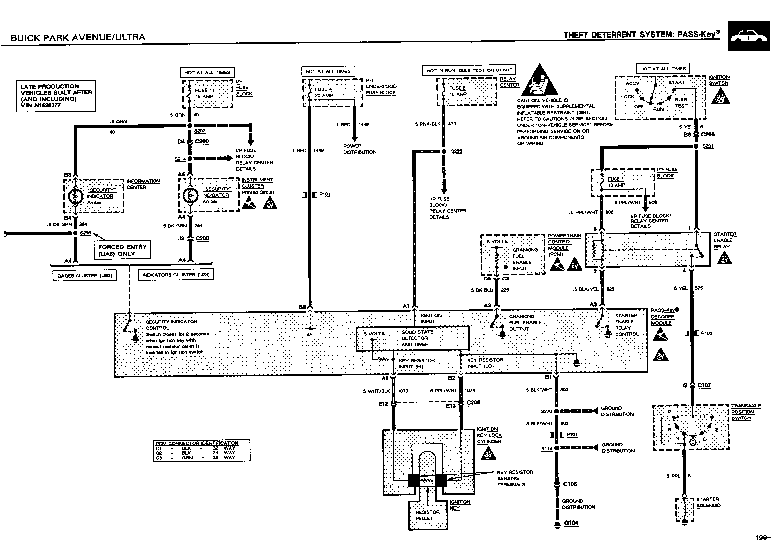
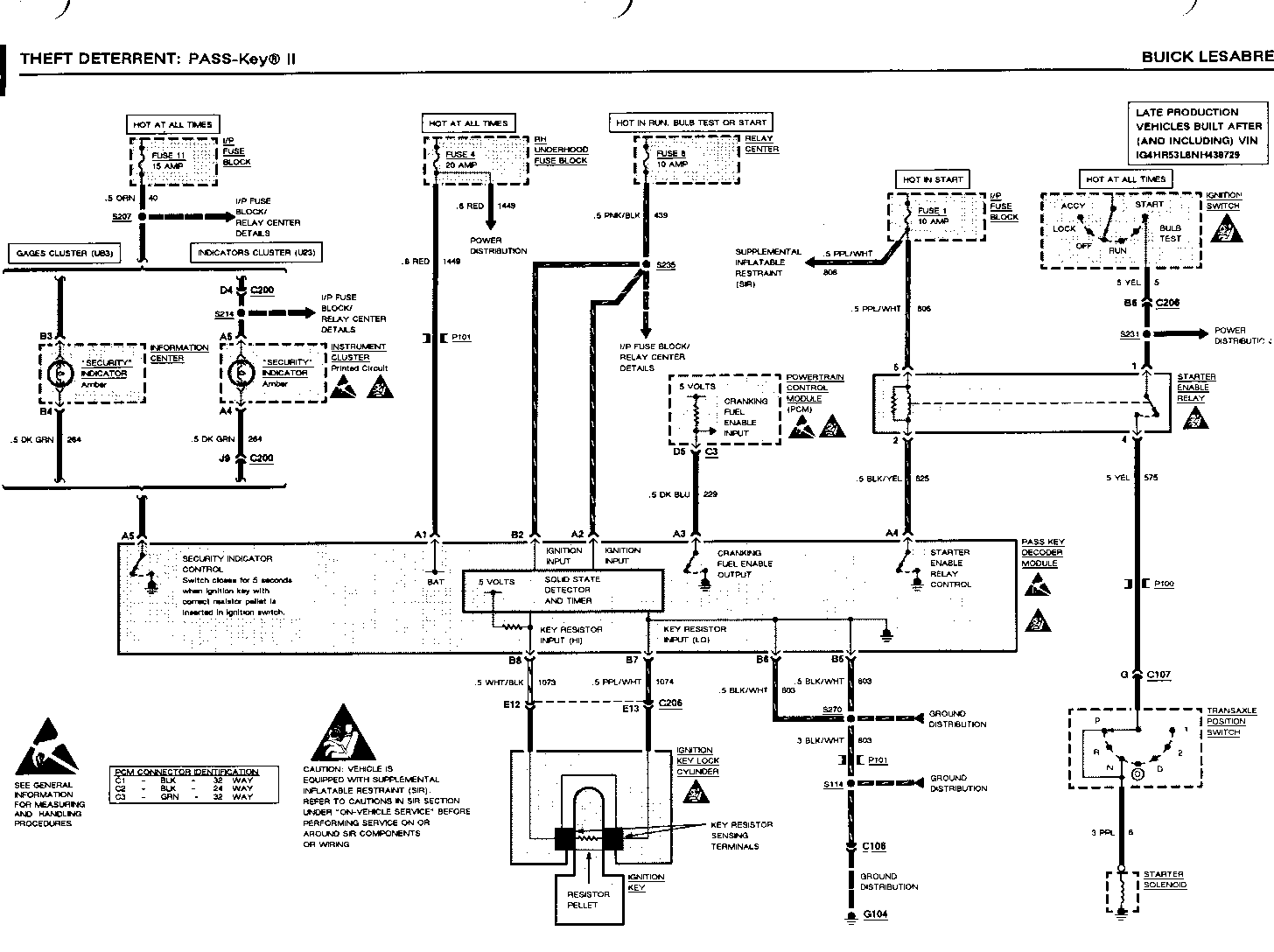
--------- An intermittent "no crank" condition may be caused by a malfunctioning starter enable relay. The security light comes on for two seconds (five seconds on LeSabre models) and then goes out, when attempting to start the vehicle. The vehicle, however, does not always enable the starter.

SERVICE PROCEDURE:

On all Rivieras/Reattas, replace the starter enable relay with Part Number 25609047. Refer to appropriate service manual for starter enable relay location.

On all 1991-92 Park Avenue/Ultras built before VIN N1628377, replace the starter enable relay with Part Number 25609047 (refer to appropriate service manual for starter enable relay location) and change the wiring as per the procedure. On 1992 Park Avenue/Ultras built after (and including) VIN N1628377, diagnose "no crank" condition using the service manual diagnostic procedures, together with the enclosed updated diagnostic information where applicable.

On LeSabres built before VIN NH436308, replace the starter enable relay with Part Number 25609047 (refer to service manual for starter enable relay location) and change the wiring as per the procedure). On LeSabres built after (and including) VIN NH436308, first update the existing service manual information with the enclosed information, then diagnose "no crank" condition using the service manual diagnostic procedures.

WIRING PROCEDURE:

1. Cut circuit 439 (pnk/blk) wire far enough from the relay connector to allow for splicing. Strip the relay side of the wire for splicing. Tape back the harness side of circuit 439. Refer to Figure 1 for wiring modification schematic.

2. Cut circuit 5 (yellow wire) far enough from the relay connector to allow for splicing.

3. Splice the three wires (both circuit 5 wires and the circuit 439 wire to the relay) together with a splice clip, part number 1839906, which can be found in terminal repair kit tool J 38125-A. Follow the procedure for "splicing copper wire using splice clips" in the service manual.

Parts are currently available from GMSPO.

WARRANTY INFORMATION:

Replacing the starter enable relay

Labor Operation No.: J4645 Labor Time: .4 hr. (Riviera/Reatta) 1.5 hr. (LeSabre/Park Avenue/Ultra)

Rewiring the starter enable relay

Labor Operation No.: T6554 Labor Time: 0.2 hr.


Object Number: 75291  Size: FS


Object Number: 74545  Size: FS


Object Number: 77297  Size: FS


Object Number: 74544  Size: FS


Object Number: 74399  Size: FS


Object Number: 78908  Size: FS


Object Number: 85217  Size: FS

General Motors bulletins are intended for use by professional technicians, not a "do-it-yourselfer". They are written to inform those technicians of conditions that may occur on some vehicles, or to provide information that could assist in the proper service of a vehicle. Properly trained technicians have the equipment, tools, safety instructions and know-how to do a job properly and safely. If a condition is described, do not assume that the bulletin applies to your vehicle, or that your vehicle will have that condition. See a General Motors dealer servicing your brand of General Motors vehicle for information on whether your vehicle may benefit from the information.