GM Service Manual Online
For 1990-2009 cars only
Makes
🢒
Buick
🢒
1997
🢒
Riviera
🢒
Engine
🢒
Engine Cooling
🢒 Cooling Fan Schematics
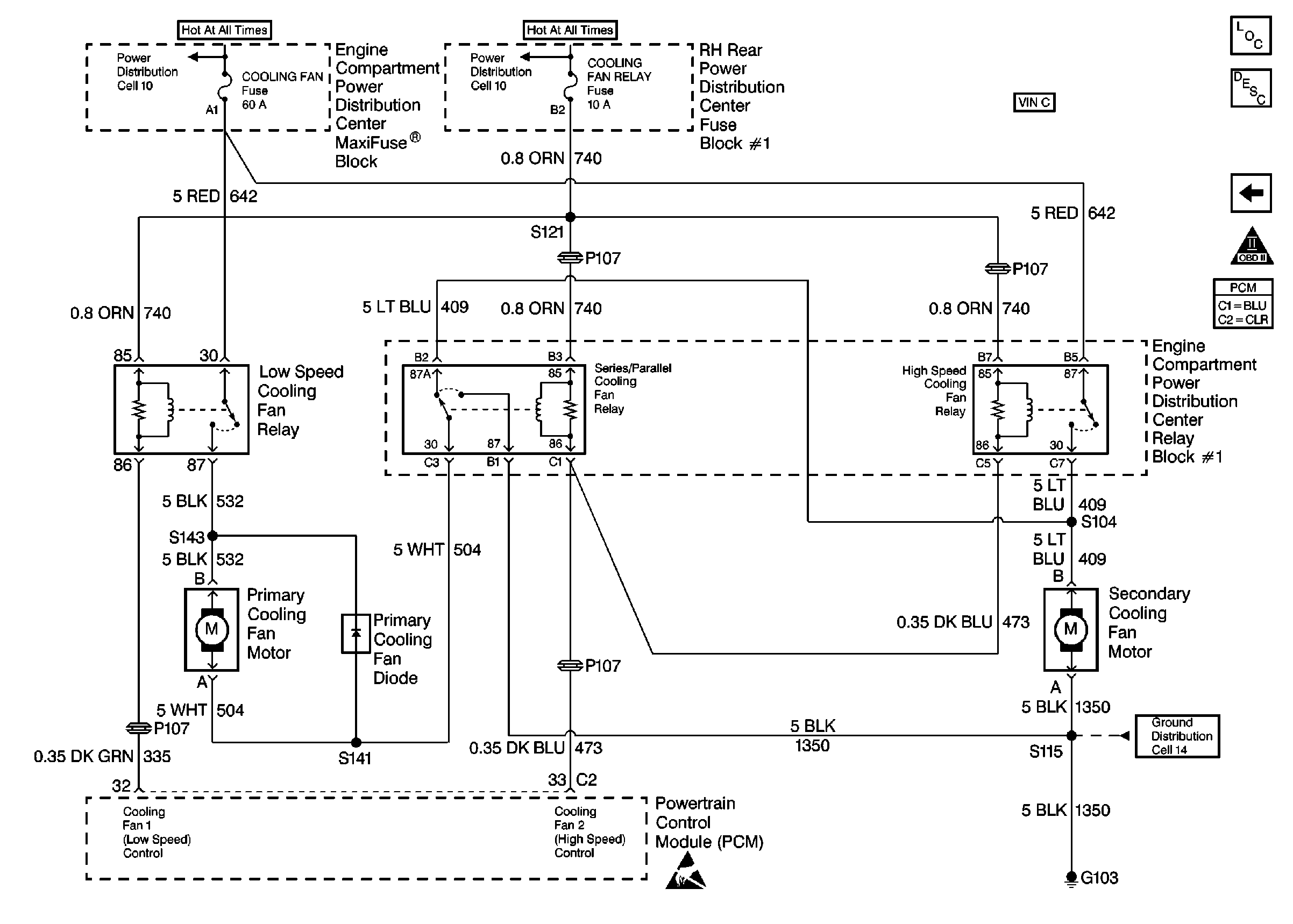
Figure
1:
Cooling Fans, Relays and PCM
Cooling Fans, Relays and PCM
Cooling System Schematic Icons
Cooling System Schematic Icons
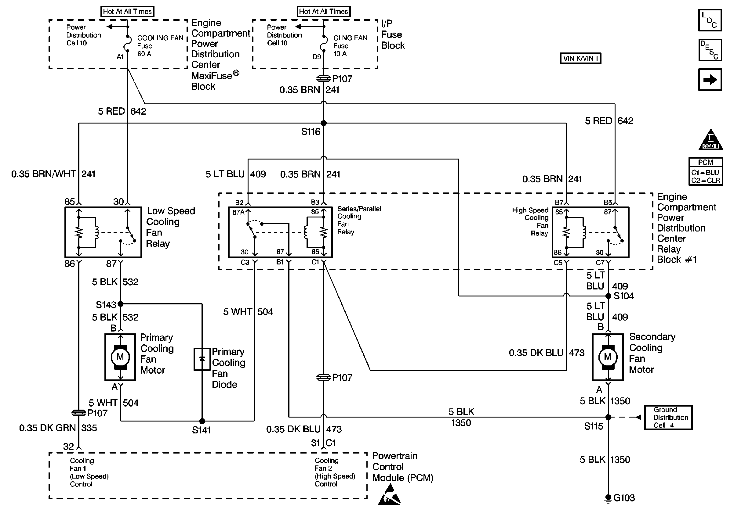
Figure
2:
Cooling Fans, Relays and PCM
Cooling Fans, Relays and PCM
Cooling System Schematic Icons
Cooling System Schematic Icons