GM Service Manual Online
For 1990-2009 cars only
Makes
🢒
Buick
🢒
1997
🢒
Riviera
🢒 Fuel Control (Vin 1)
Fuel Control (Vin 1)
Fuel Control (Vin 1)
Engine Controls Components
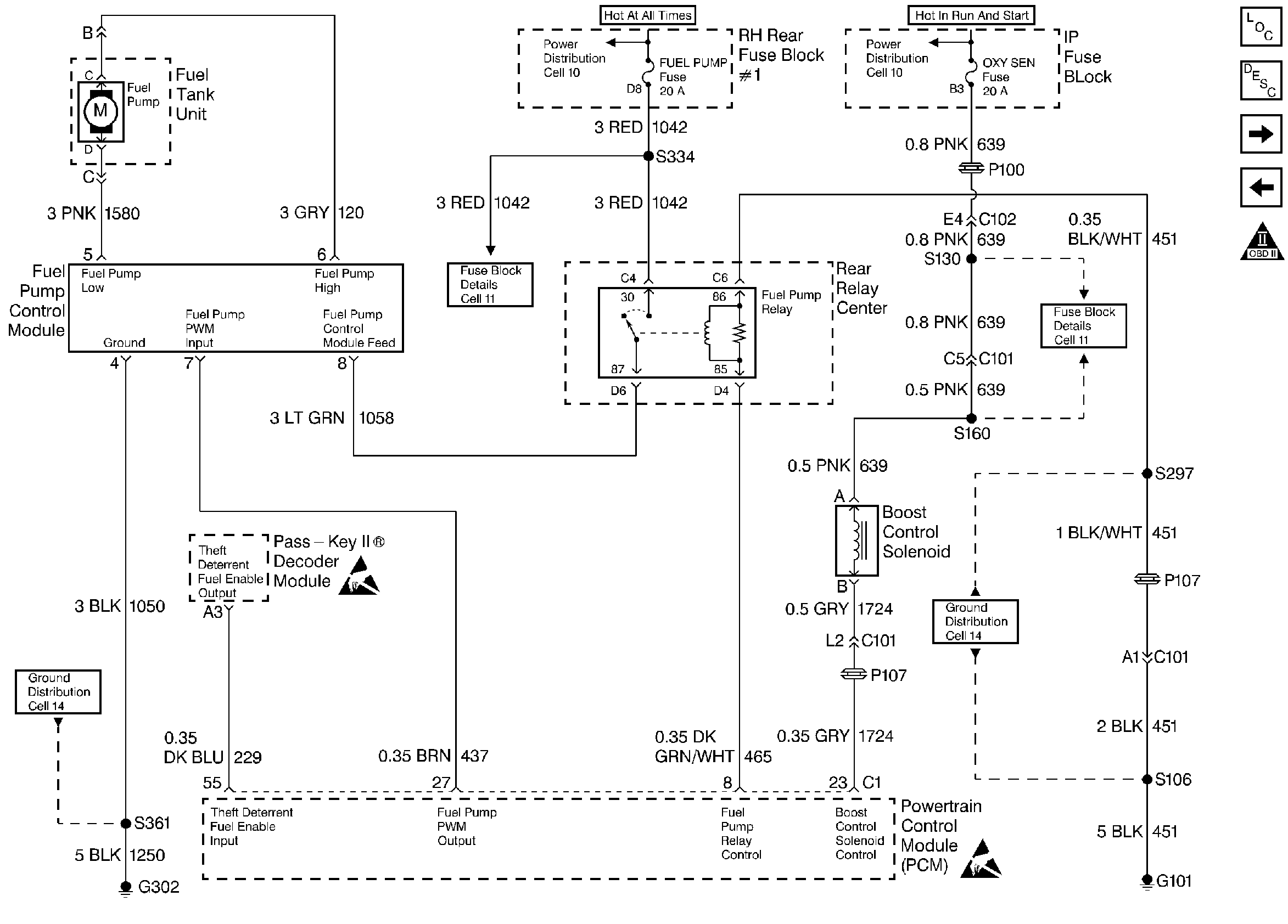
Fuel Pump Electrical Circuit Diagnosis VIN 1
Fuel Pump Control (Vin K)
Generator, Traction Control
OBD II Symbol Description Notice
Handling ESD Sensitive Parts Notice
Handling ESD Sensitive Parts Notice