GM Service Manual Online
For 1990-2009 cars only
Makes
🢒
Buick
🢒
1997
🢒
Riviera
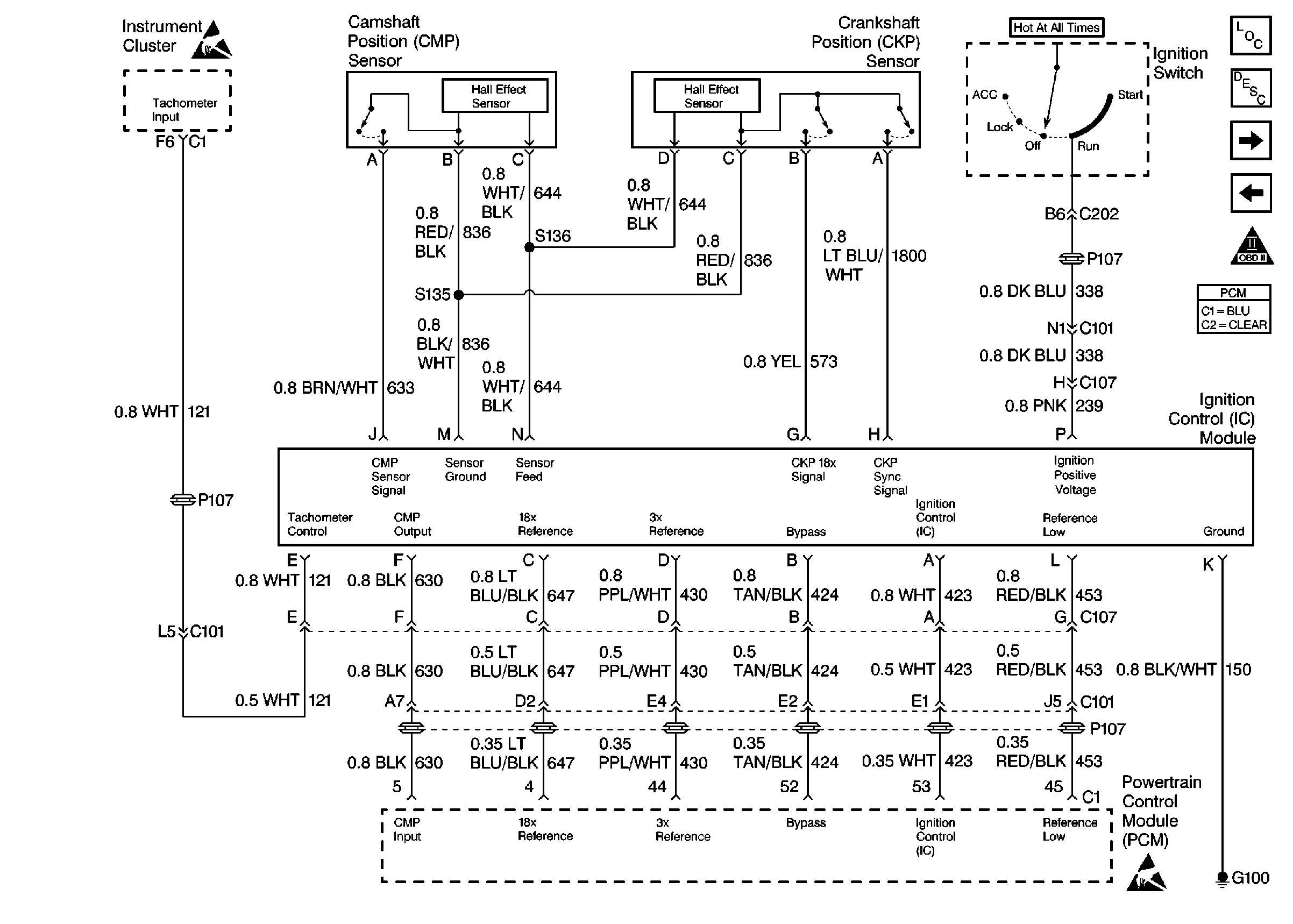
🢒 PCM Ignition Control VIN 1 and K
PCM Ignition Control VIN 1 and K
PCM Ignition Control VIN 1 and K
Engine Controls Components
Electronic Ignition (EI) System
PCM Fuel Pump Control VIN K
PCM MIL and DLC - VIN 1 and K
OBD II Symbol Description Notice
Handling ESD Sensitive Parts Notice
Handling ESD Sensitive Parts Notice