GM Service Manual Online
For 1990-2009 cars only
Makes
🢒
Buick
🢒
1997
🢒
Riviera
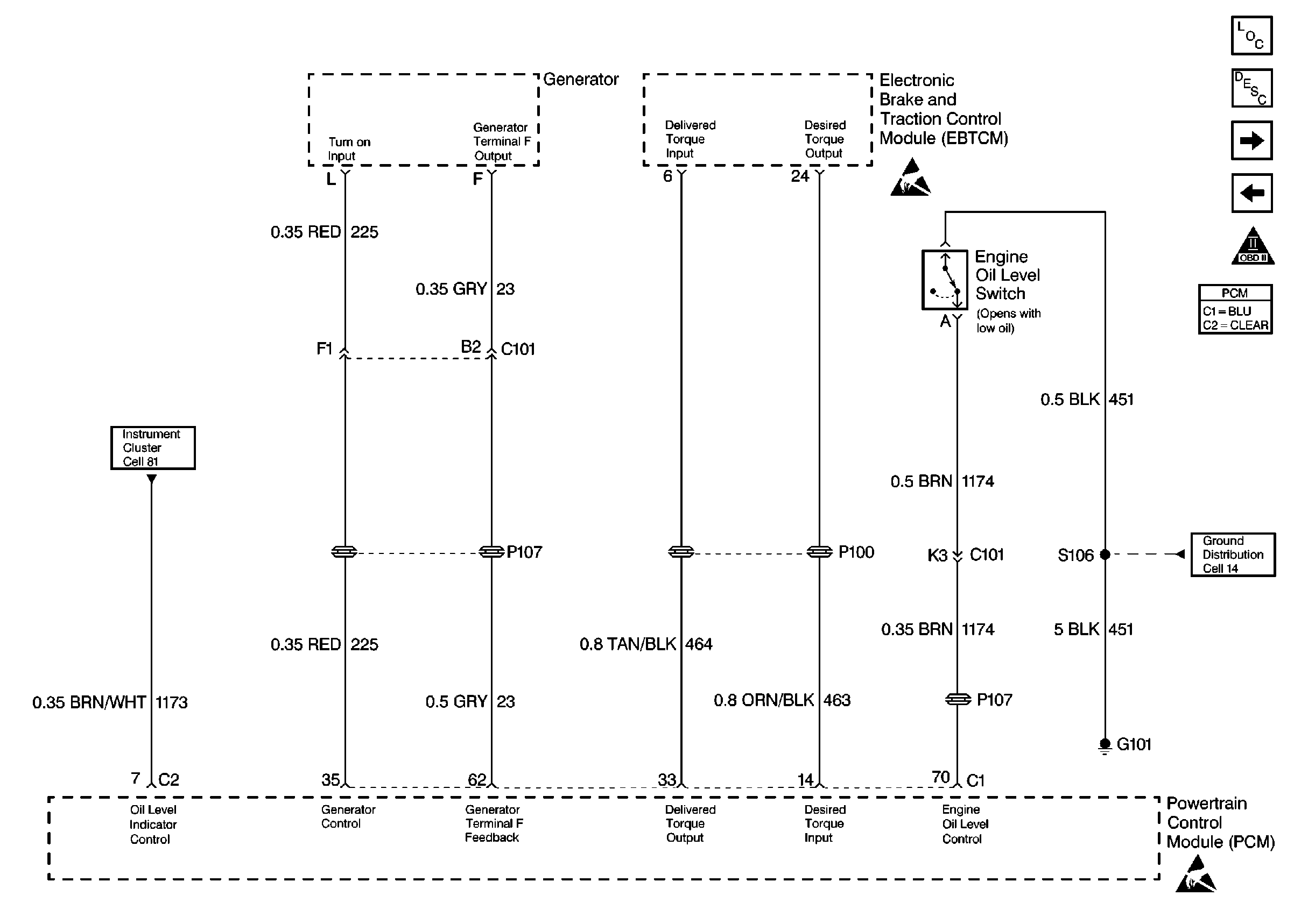
🢒 PCM EBTCM, Oil Level Switch, and Generator VIN 1 and K
PCM EBTCM, Oil Level Switch, and Generator VIN 1 and K
PCM EBTCM, Oil Level Switch, and Generator VIN 1 and K
Engine Controls Components
Powertrain Control Module (PCM)
PCM A/C Compressor Clutch VIN 1 and K
PCM Cruise Control Module and VSS VIN 1 and K
OBD II Symbol Description Notice
Handling ESD Sensitive Parts Notice
Engine Controls Schematic References