GM Service Manual Online
For 1990-2009 cars only
Makes
🢒
Buick
🢒
1998
🢒
Riviera
🢒
Engine
🢒
Engine Cooling
🢒 Cooling Fan Schematics
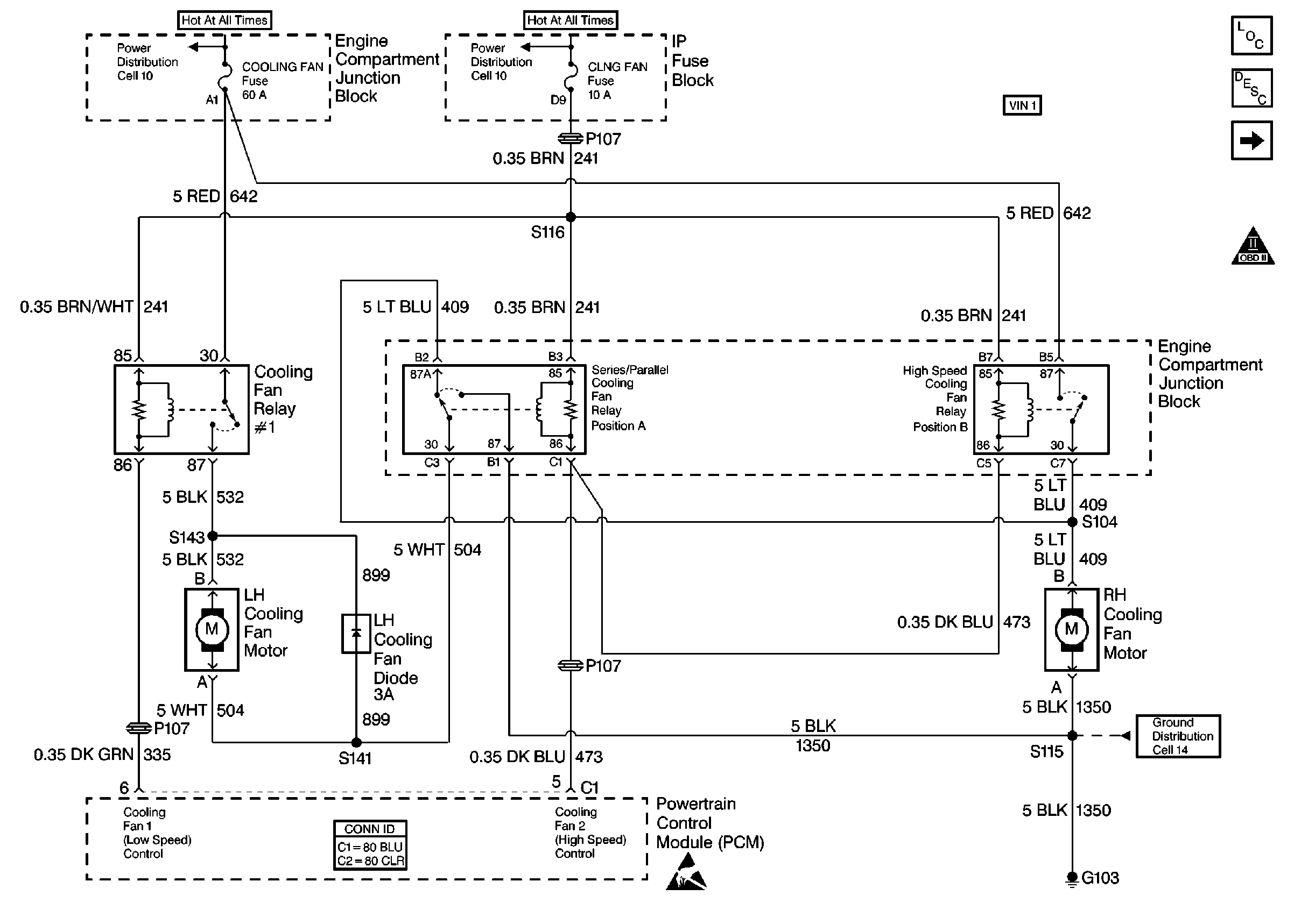
Figure
1:
Cell 31: Oldsmobile
Cooling System Components
Coolant Description
Cell 31: Buick
OBD II Symbol Description Notice
Handling ESD Sensitive Parts Notice
Cooling System Schematic References
Cooling System Schematic References
Cooling System Schematic References
Powertrain Control Module Connector End Views
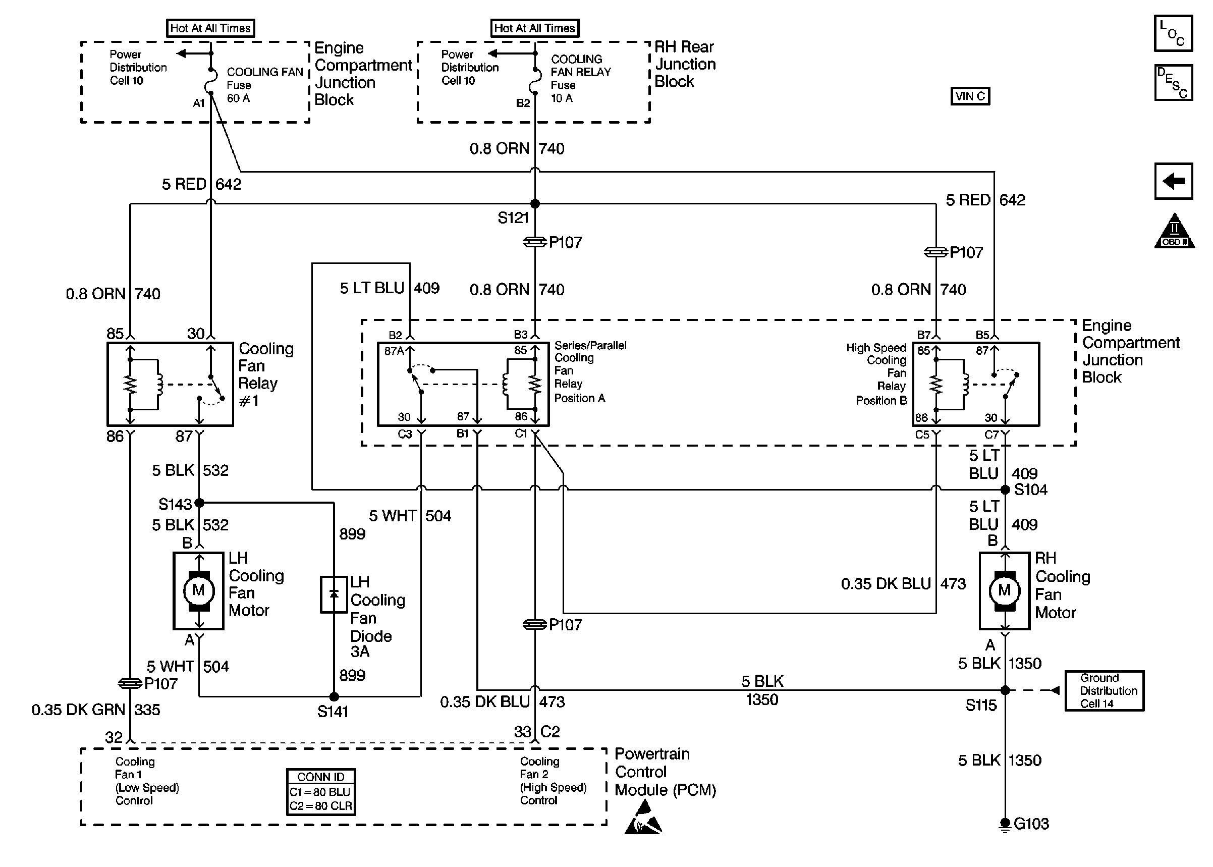
Figure
2:
Cell 31: Buick
Cooling System Components
Coolant Description
Cell 31: Oldsmobile
OBD II Symbol Description Notice
Handling ESD Sensitive Parts Notice
Cooling System Schematic References
Cooling System Schematic References
Cooling System Schematic References
Powertrain Control Module Connector End Views