GM Service Manual Online
For 1990-2009 cars only
Makes
🢒
Buick
🢒
1998
🢒
Riviera
🢒
Brakes
🢒
Hydraulic Brakes
🢒 Brake Warning System Schematics
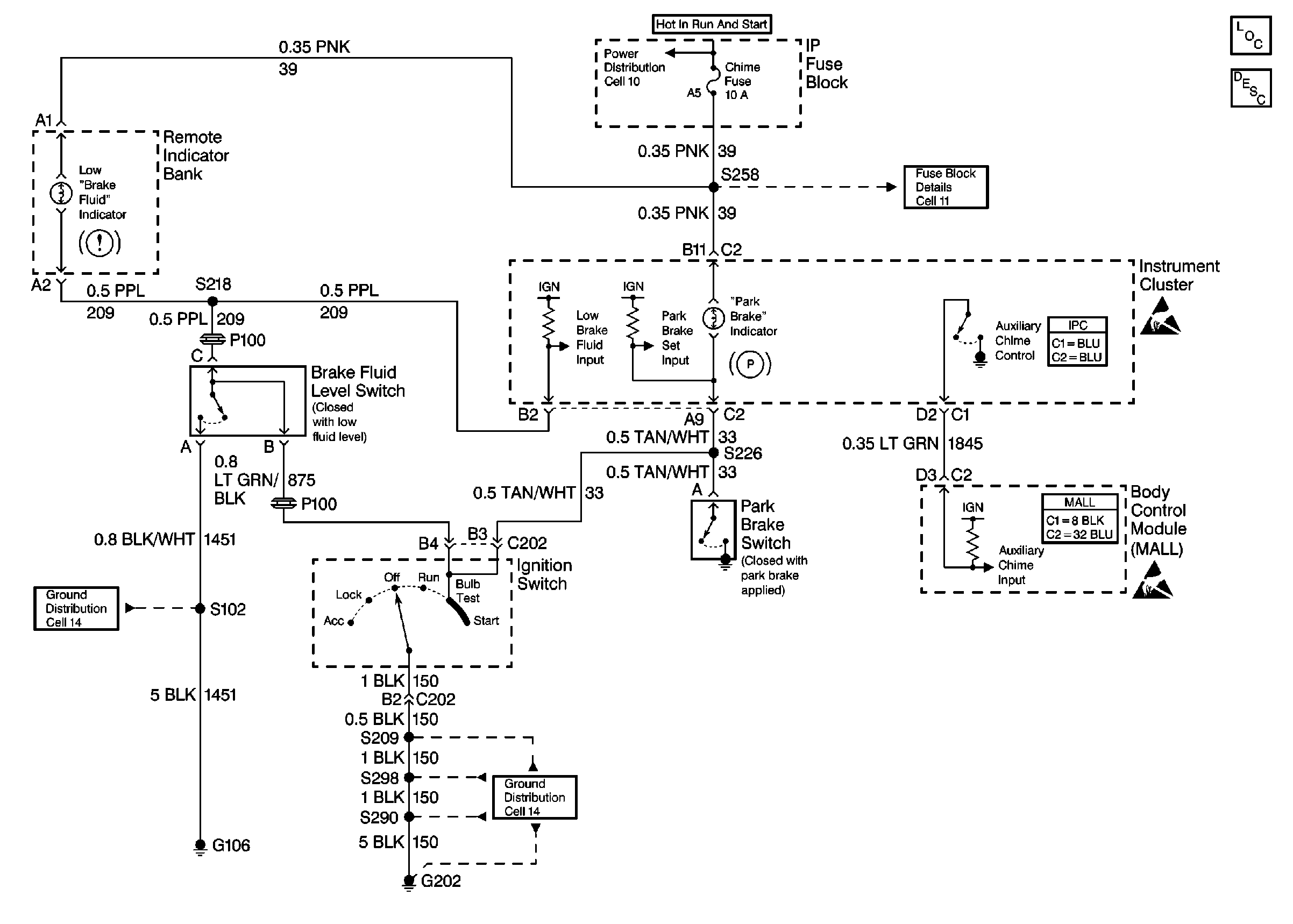
Brake Warning System Schematics Buick
Cell 41 -- Buick
Hydraulic Brakes Components
Brake Warning System Circuit Description Buick
Hydraulic Brakes Schematic References
Hydraulic Brakes Schematic References
Hydraulic Brakes Schematic References
Hydraulic Brake Schematic Icons
Hydraulic Brake Schematic Icons
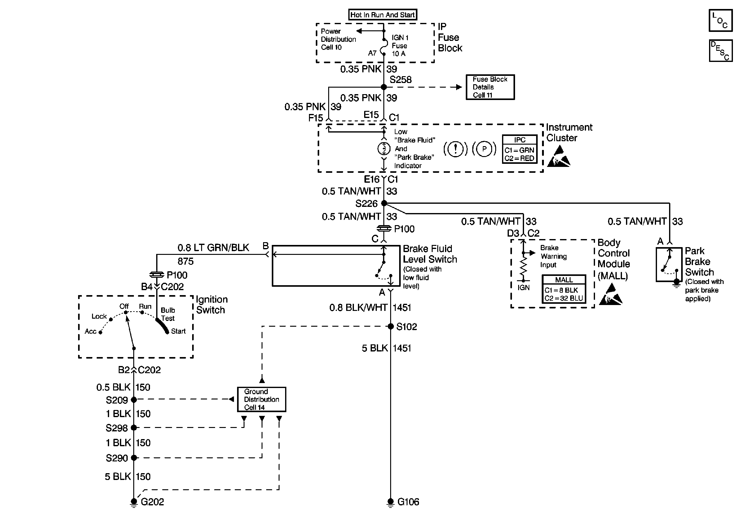
Brake Warning System Schematics Oldsmobile
Cell 41 -- Oldsmobile
Hydraulic Brakes Components
Brake Warning System Circuit Description Oldsmobile
Hydraulic Brakes Schematic References
Hydraulic Brakes Schematic References
Hydraulic Brakes Schematic References
Hydraulic Brake Schematic Icons
Hydraulic Brake Schematic Icons