GM Service Manual Online
For 1990-2009 cars only
Makes
🢒
Buick
🢒
1998
🢒
Riviera
🢒
HVAC
🢒
HVAC Systems - Automatic
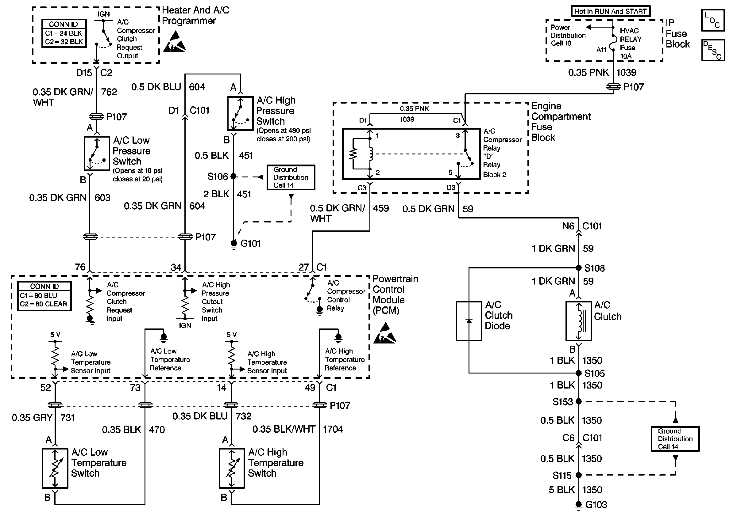
🢒 HVAC Compressor Control Schematics
HVAC Compressor Control Schematics Buick
Cell 67
HVAC Compressor Controls Circuit Description Buick
HVAC Components
Power Distribution Schematics
HVAC Connector End Views
Powertrain Control Module Connector End Views
Engine Controls Schematics
Ground Distribution Schematics
Handling ESD Sensitive Parts Notice
Handling ESD Sensitive Parts Notice
HVAC Compressor Control Schematics Oldsmobile
Cell 67
HVAC Compressor Controls Circuit Description Oldsmobile
HVAC Components
HVAC Connector End Views
Powertrain Control Module Connector End Views
Ground Distribution Schematics
Ground Distribution Schematics
Handling ESD Sensitive Parts Notice
Handling ESD Sensitive Parts Notice
Power Distribution Schematics