GM Service Manual Online
For 1990-2009 cars only

Headlights Schematics Buick

Figure 1:

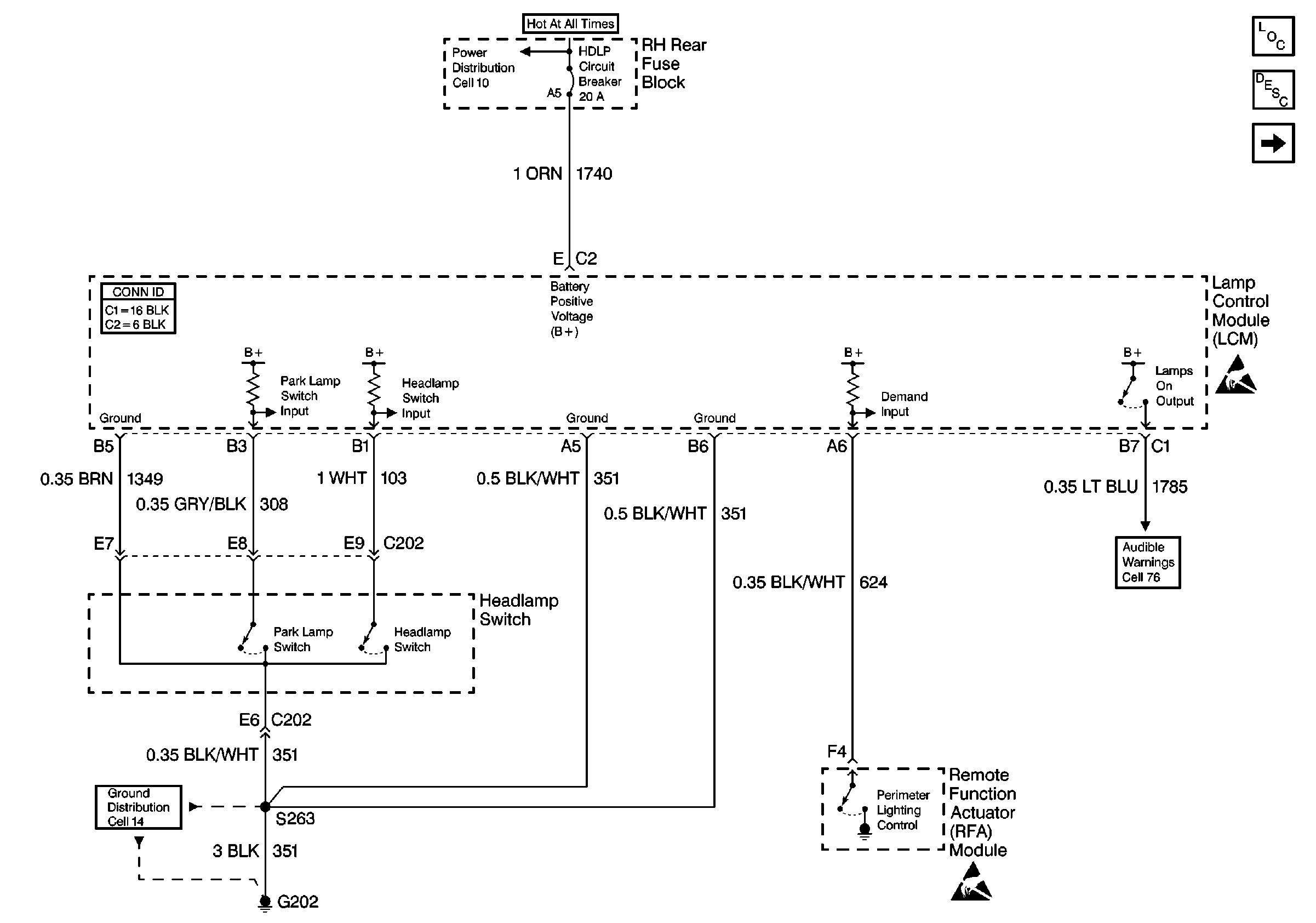
Cell 100: PWR, GND, Headlamp Switch and Lamps On Output


Object Number: 478948  Size: FS
Lighting Systems Components
Headlights Circuit Description
Cell 100: Ignition and Park Inputs, Twilight Delay and Ambient Light Sensor
Ground Distribution Schematics
Power Distribution Schematics
Lighting Systems Connector End Views
Handling ESD Sensitive Parts Notice
Audible Warnings Schematics
Ground Distribution Schematics
Ground Distribution Schematics
Ground Distribution Schematics
Figure 2:

Cell 100: Ignition and Park Inputs, Twilight Delay and Ambient Light Sensor


Object Number: 478949  Size: FS
Power Distribution Schematics
Power Distribution Schematics
Power Distribution Schematics
Ground Distribution Schematics
Cell 138: Buick
Cell 141: PWR, GND, LH Seat/Lock Switch and Memory Seat/Mirror Module
Ground Distribution Schematics
Ground Distribution Schematics
Handling ESD Sensitive Parts Notice
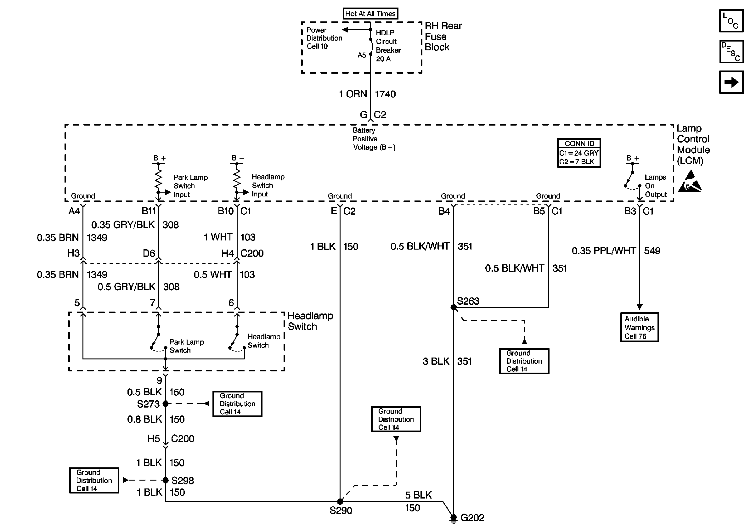
Cell 100: PWR, GND, Headlamp Switch and Lamps On Output
Cell 100: Headlamp Dimmer Switch, RFA, and High Beam Indicator
Headlights Circuit Description
Lighting Systems Components
Lighting Systems Connector End Views
Figure 3:

Cell 100: Headlamp Dimmer Switch, RFA, and High Beam Indicator


Object Number: 478950  Size: FS
Lighting Systems Components
Headlights Circuit Description
Cell 100: Headlamps
Cell 100: Ignition and Park Inputs, Twilight Delay and Ambient Light Sensor
Handling ESD Sensitive Parts Notice
Ground Distribution Schematics
Handling ESD Sensitive Parts Notice
Instrument Panel, Gages, and Console Connector End Views
Handling ESD Sensitive Parts Notice
Figure 4:

Cell 100: Headlamps


Object Number: 478951  Size: FS
Lighting Systems Components
Headlights Circuit Description
Cell 100: Headlamp Dimmer Switch, RFA, and High Beam Indicator
Handling ESD Sensitive Parts Notice
Lighting Systems Connector End Views
Ground Distribution Schematics
Ground Distribution Schematics

Headlights Schematics Oldsmobile

Figure 1:

Cell 100: PWR, GND, Headlamp Switch, RFA, and Lamps On Output


Object Number: 478952  Size: FS
Lighting Systems Components
Headlights Circuit Description
Cell 100: Ignition and Park Inputs, Twilight Delay and Ambient Light SeNsor
Audible Warnings Schematics
Ground Distribution Schematics
Power Distribution Schematics
Handling ESD Sensitive Parts Notice
Handling ESD Sensitive Parts Notice
Lighting Systems Connector End Views
Figure 2:

Cell 100: Ignition and Park Inputs, Twilight Delay and Ambient Light Sensor


Object Number: 478954  Size: FS
Lighting Systems Components
Headlights Circuit Description
Cell 100: Headlamps and High Beam Indicator
Cell 100: PWR, GND, Headlamp Switch, RFA, and Lamps On Output
Power Distribution Schematics
Ground Distribution Schematics
Ground Distribution Schematics
Power Distribution Schematics
Cell 138: Oldsmobile
Cell 141: PWR, GND, LH Seat/Lock Switch and Memory Seat/Mirror Module
Lighting Systems Connector End Views
Handling ESD Sensitive Parts Notice
Power Distribution Schematics
Figure 3:

Cell 100: Headlamps and High Beam Indicator


Object Number: 478955  Size: FS
Lighting Systems Components
Headlights Circuit Description
Cell 100: Ignition and Park Inputs, Twilight Delay and Ambient Light SeNsor
Handling ESD Sensitive Parts Notice
Power Distribution Schematics
Power Distribution Schematics
Handling ESD Sensitive Parts Notice
Lighting Systems Connector End Views
Ground Distribution Schematics
Ground Distribution Schematics
Ground Distribution Schematics
Ground Distribution Schematics
Handling ESD Sensitive Parts Notice
Instrument Panel, Gages, and Console Connector End Views