GM Service Manual Online
For 1990-2009 cars only
Makes
🢒
Buick
🢒
1998
🢒
Riviera
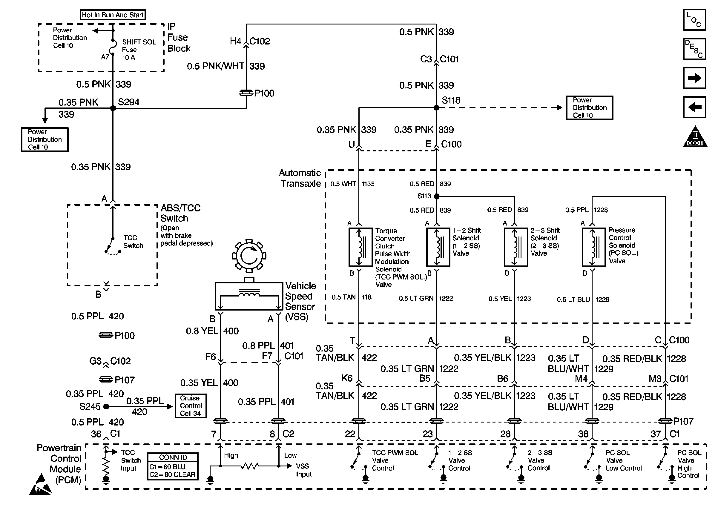
🢒 Cell 21: TCC Switch, Transaxle Solenoids
Cell 21: TCC Switch, Transaxle Solenoids
Cell 21: TCC Switch, Transaxle Solenoids
Engine Controls Components
Powertrain Control Module Description
Cell 21: Transaxle - Sensors and TR Switch
Cruise Control Schematics
OBDII Symbol Description Notice
Power Distribution Schematics
Engine Controls Schematic References
Engine Controls Schematic References
Handling ESD Sensitive Parts Notice
Powertrain Control Module Connector End Views