GM Service Manual Online
For 1990-2009 cars only
Makes
🢒
Buick
🢒
1998
🢒
Riviera
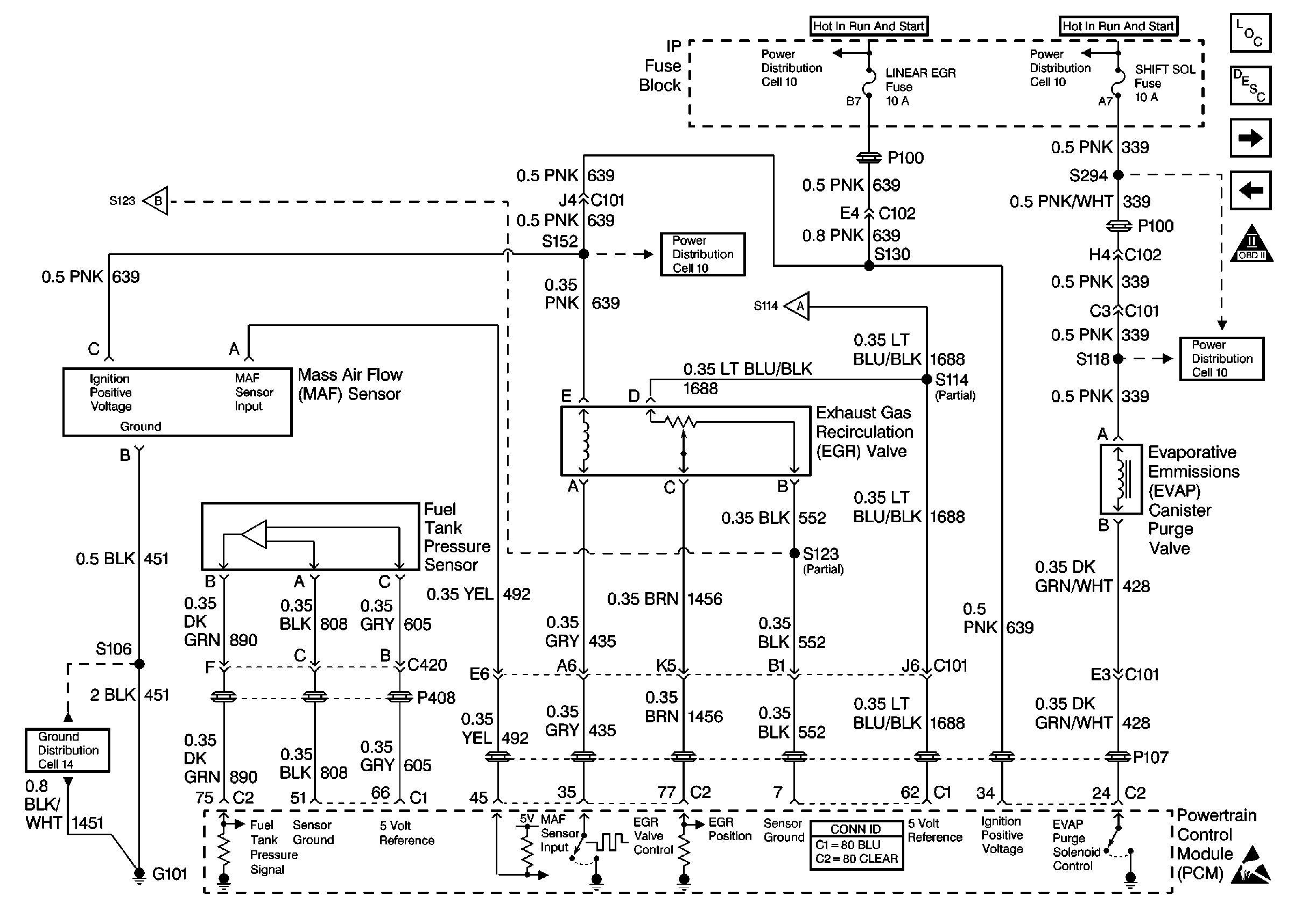
🢒 Cell 21: MAF, EGR, EVAP Purge, F/T Pressure Sensor
Cell 21: MAF, EGR, EVAP Purge, F/T Pressure Sensor
Cell 21: MAF, EGR, EVAP Purge, F/T Pressure Sensor
Engine Controls Components
Powertrain Control Module Description
Cell 21: PSP, IAC Valve, Coolant Level Switch
Cell 21: IAT, ECT, TP, MAP Sensors
OBD II Symbol Description Notice
Power Distribution Schematics
Power Distribution Schematics
Cell 21: Front, Rear Heated Oxygen Sensors
Power Distribution Schematics
Cell 21: Front, Rear Heated Oxygen Sensors
Ground Distribution Schematics
Powertrain Control Module Connector End Views
Handling ESD Sensitive Parts Notice