GM Service Manual Online
For 1990-2009 cars only
Makes
🢒
Buick
🢒
1998
🢒
Riviera
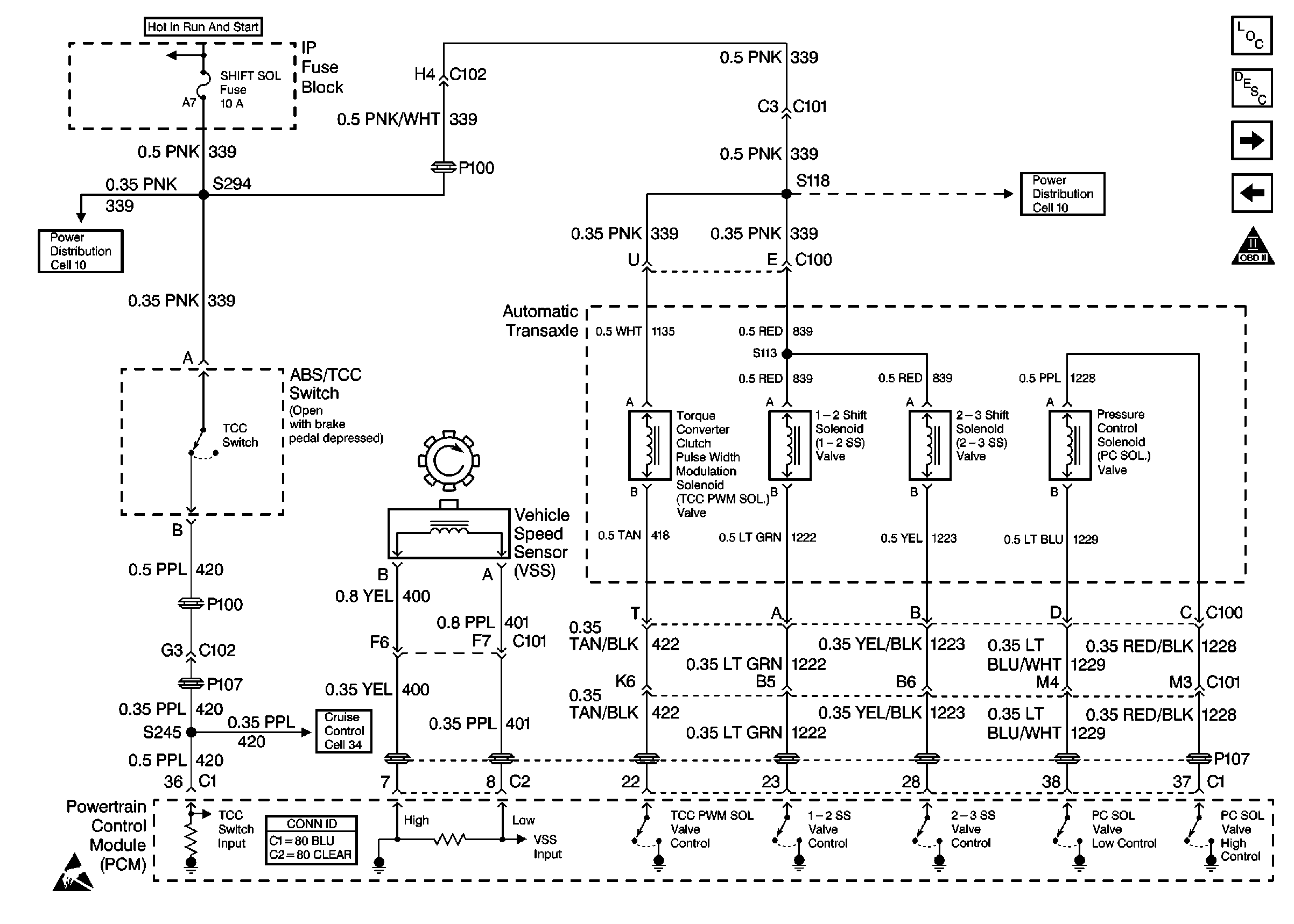
🢒 Cell 21: TCC Switch, Transaxle Solenoids
Cell 21: TCC Switch, Transaxle Solenoids
Cell 21: TCC Switch, Transaxle Solenoids
Engine Controls Components
Powertrain Control Module Description
Cell 21: Transaxle - Sensors and TR Switch
Cell 21: Cruise Control Module
OBD II Symbol Description Notice
Power Distribution Schematics
Power Distribution Schematics
Cruise Control Schematics
Handling ESD Sensitive Parts Notice
Powertrain Control Module Connector End Views