GM Service Manual Online
For 1990-2009 cars only
Makes
🢒
Buick
🢒
1998
🢒
Riviera
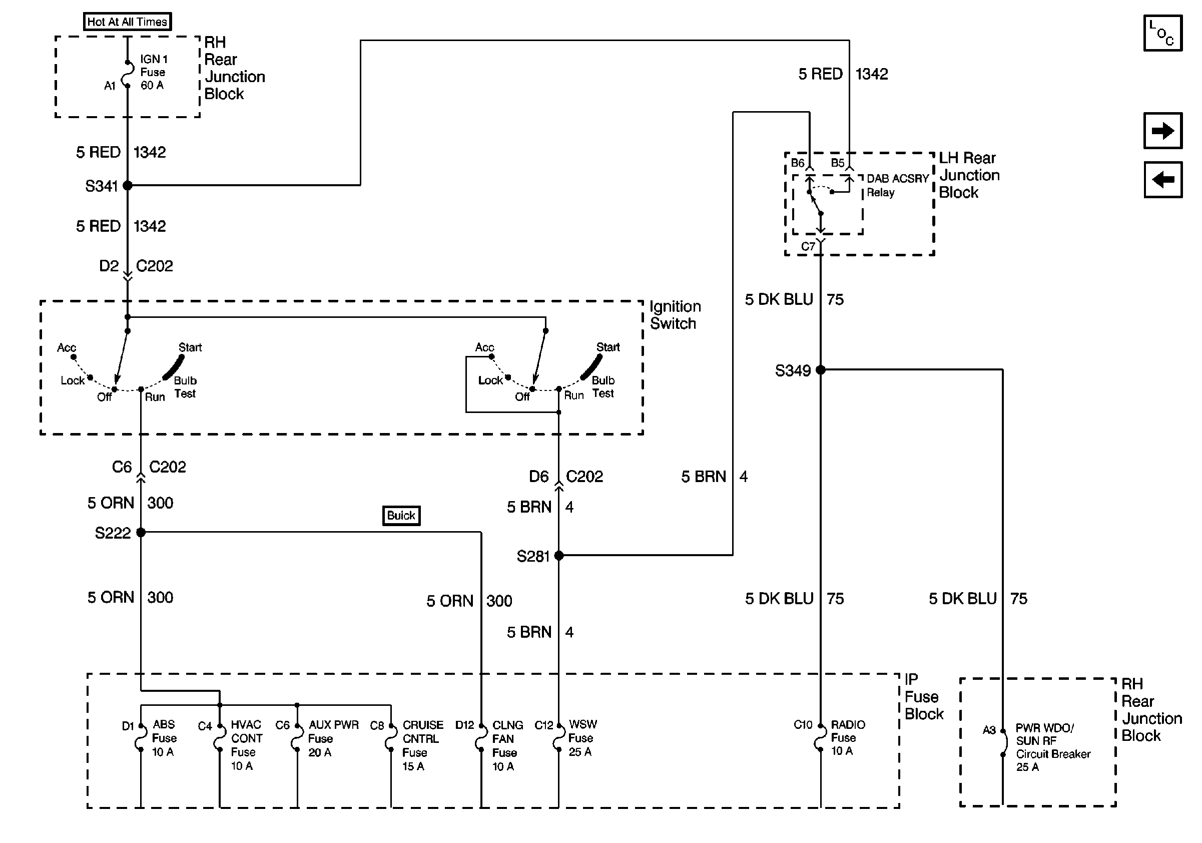
🢒 Cell 10: IGN 1 Fuse, Ignition Switch
Cell 10: IGN 1 Fuse, Ignition Switch
Cell 10: IGN 1 Fuse, Ignition Switch
Power and Grounding Components
Cell 10: IGN 3 Fuse and Ignition Switch (Buick)
Cell 10: Battery Power