GM Service Manual Online
For 1990-2009 cars only
Makes
🢒
Buick
🢒
1998
🢒
Riviera
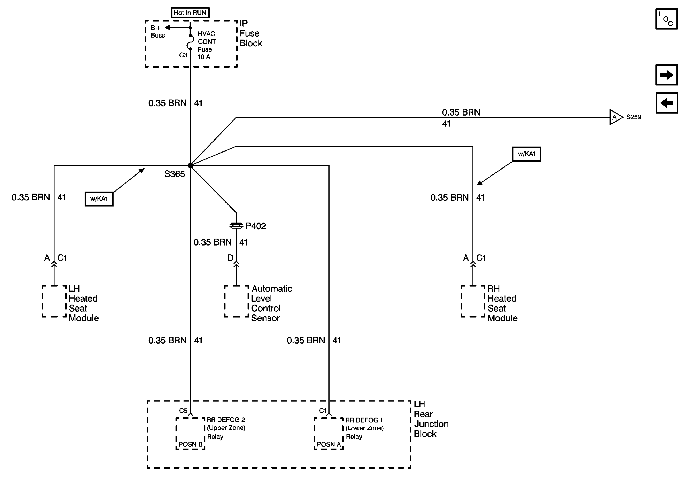
🢒 Cell 10: HVAC CONT Fuse (1 of 2) (Buick)
Cell 10: HVAC CONT Fuse (1 of 2) (Buick)
Cell 10: HVAC CONT Fuse (1 of 2) (Buick)
Power and Grounding Components
Cell 10: HVAC CONT Fuse (2 of 2) (Buick)
Cell 10: HVAC CONT Fuse (Oldsmobile)
Cell 10: HVAC CONT Fuse (2 of 2) (Buick)
Cell 10: Battery Power