GM Service Manual Online
For 1990-2009 cars only
Makes
🢒
Buick
🢒
1998
🢒
Riviera
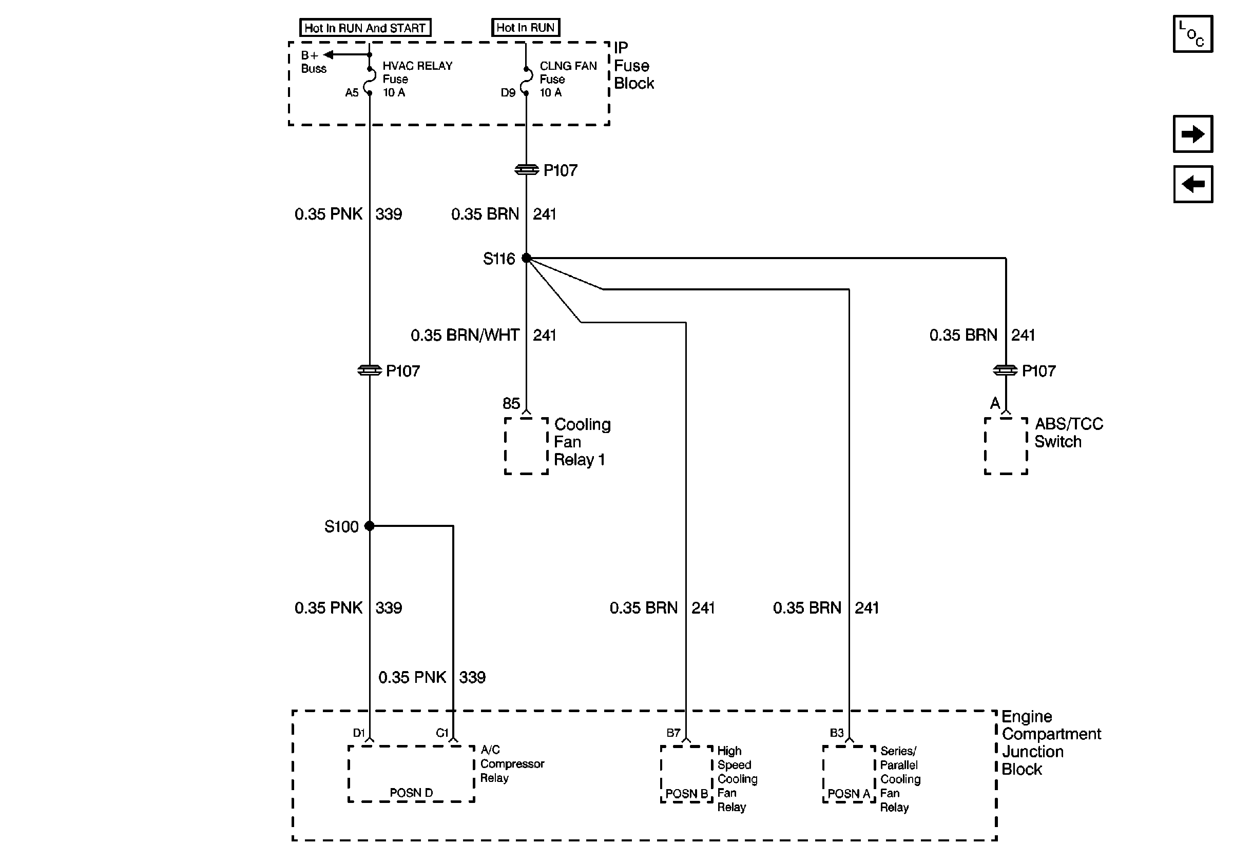
🢒 Cell 10: HVAC RELAY and CLNG FAN Fuses (Buick)
Cell 10: HVAC RELAY and CLNG FAN Fuses (Buick)
Cell 10: HVAC RELAY and CLNG FAN Fuses (Buick)
Power and Grounding Components
Cell 10: HVAC RELAY and SHIFT SOL Fuses (Oldsmobile)
Cell 10: INT LPS Fuse
Cell 10: Battery Power