GM Service Manual Online
For 1990-2009 cars only
Makes
🢒
Buick
🢒
1998
🢒
Riviera
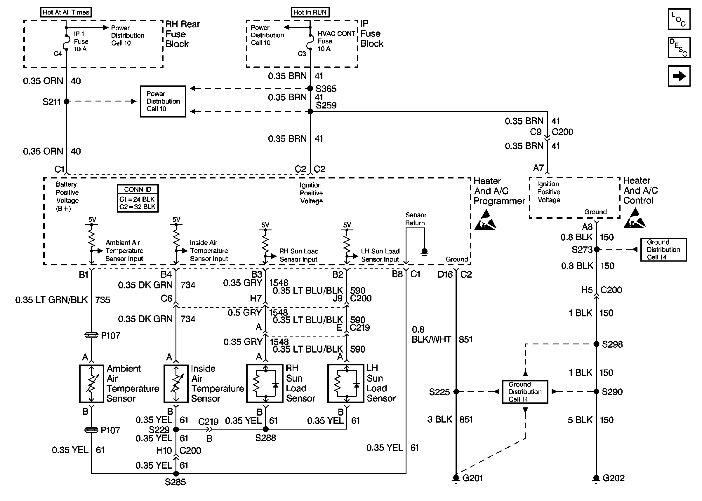
🢒 Cell 68: Temperature Sensor
Cell 68: Temperature Sensor
Cell 68: Temperature Sensor
HVAC Temperature Controls Circuit Description
HVAC Components
Power Distribution Schematics
Power Distribution Schematics
HVAC Connector End Views
Ground Distribution Schematics
Ground Distribution Schematics
Power Distribution Schematics
Cell 68: Passenger Temperature Control
Handling ESD Sensitive Parts Notice
Handling ESD Sensitive Parts Notice