GM Service Manual Online
For 1990-2009 cars only

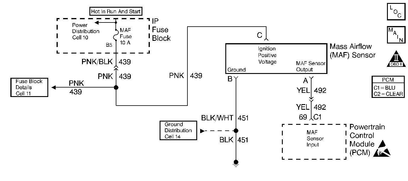
Object Number: 197621  Size: SF
Engine Controls Components
Cell 20: MAF, IAC, Knock Sensors
OBD II Symbol Description Notice

Circuit Description

The mass air flow (MAF) sensor measures the amount of air which passes through it into the engine during a given time. The PCM uses the mass air flow information to monitor engine operating conditions for fuel delivery calculations. A large quantity of air entering the engine indicates an acceleration or high load situation, while a small quantity of air indicates deceleration or idle. The MAF sensor produces a frequency signal which can be monitored using a scan tool. The frequency will vary within a range of around 2,000 Hertz at idle to about 10,000 Hertz at maximum engine load. DTC P0102 will be set if the signal frequency from the MAF sensor is lower than the possible range of a normally operating MAF sensor.

Conditions for Setting the DTC

    • The engine is running.
    • TP angle is less than 50%.
    • System voltage is greater than 8 volts.
    • MAF signal frequency is less than 1200 Hertz.
    • The above conditions are present for at least 0.5 seconds + 400 3X reference periods (133 crankshaft revolutions).

Action Taken When the DTC Sets

    • The PCM will illuminate the malfunction indicator lamp (MIL) the first time the malfunction is detected.
    • The PCM calculates an airflow value based on idle air control valve position, throttle position, RPM and barometric pressure.
    • The PCM will store conditions which were present when the DTC set as Freeze Frame and Failure Records data.

Conditions for Clearing the MIL/DTC

    • The PCM will turn OFF the MIL during the third consecutive trip in which the diagnostic has been run and passed.
    • The History DTC will clear after 40 consecutive warm-up cycles have occurred without a malfunction.
    • The DTC can be cleared by using the scan tool.

Diagnostic Aids

Check for the following conditions:

    • Poor connection at the PCM. Inspect harness connectors for backed out terminals, improper mating, broken locks, improperly formed or damaged terminals, and poor terminal to wire connection.
    • Misrouted harness. Inspect the MAF sensor harness to ensure that it is not routed too close to high voltage wires such as spark plug leads.
    • Damaged harness. Inspect the wiring harness for damage.
    • If the harness appears to be OK, observe the scan tool while moving connectors and wiring harnesses related to the MAF sensor. A change in the display will indicate the location of the malfunction.
    • Plugged intake air duct or filter element. A wide-open throttle acceleration from a stop should cause the Mass Air Flow displayed on a scan tool to increase from about 4-7 gm/s at idle to 100 gm/s or greater at the time of the 1-2 shift. If not, check for a restriction.

If DTC P0102 cannot be duplicated, the information included in the Fail Records data can be useful in determining vehicle mileage since the DTC was last set. This may assist in diagnosing the condition.

Test Description

Number(s) below refer to the Step number(s) on the Diagnostic Table:

  1. This step verifies that the problem is present at idle.

  2. A voltage reading of less than 4 or over 6 volts at the MAF sensor signal circuit indicates a malfunction in the wiring or a poor connection.

  3. Verifies that ignition feed voltage and a good ground are available at the MAF sensor.

  4. This vehicle is equipped with a PCM which utilizes an Electrically Erasable Programmable Read Only Memory (EEPROM). When the PCM is being replaced, the new PCM must be programmed.

DTC P0102 - MAF Sensor Circuit Low Frequency

Step

Action

Value(s)

Yes

No

1

Was the Powertrain On-Board Diagnostic (OBD) System Check performed?

--

Go to Step 2

Go to the Powertrain On Board Diagnostic (OBD) System Check

2

  1. Start the engine.
  2. With the engine idling, monitor MAF Frequency display on the scan tool.

Is MAF Frequency less than the specified value?

1200 Hz

(1.2 kHz)

Go to Step 4

Go to Step 3

3

  1. Turn ON the ignition switch.
  2. Review and record scan tool Fail Records data.
  3. Operate the vehicle within Fail Records conditions.
  4. Using a scan tool, monitor Specific DTC info for DTC P0102.

Does the scan tool indicate DTC P0102 failed this ign?

--

Go to Step 4

Go to Diagnostic Aids

4

  1. Check for the following conditions:
  2. • Objects blocking the MAF sensor inlet screen.
    • Vacuum leaks around the intake manifold.
    • Vacuum leaks at throttle body.
    • Vacuum leaks at the EGR valve flange and pipes.
    • Crankcase ventilation valve malfunctioning, missing, or incorrectly installed.
  3. If a problem is found, repair as necessary.

Was a problem found?

--

Go to Step 14

Go to Step 5

5

  1. Turn OFF the ignition switch.
  2. Disconnect the MAF sensor connector.
  3. Turn ON the ignition switch.
  4. Using a J 39200 Digital Multimeter, measure voltage between the MAF signal circuit and battery ground.

Is the voltage near the specified value?

5V

Go to Step 6

Go to Step 9

6

Connect a test light between the MAF sensor ignition feed and ground circuits at the MAF sensor harness connector.

Is the test light ON?

--

Go to Step 8

Go to Step 7

7

Connect a test light between MAF sensor ignition feed circuit and battery ground.

Is the test light ON?

--

Go to Step 10

Go to Step 11

8

  1. Check for a poor connection at the MAF sensor.
  2. If a problem is found, repair as necessary. Refer to Wiring Repairs in Wiring Systems.

Was a problem found?

--

Go to Step 14

Go to Step 12

9

  1. Check the MAF signal circuit between the PCM and the MAF sensor for an open, short to ground, short to the MAF ground circuit, or short to voltage.
  2. If a problem is found, repair as necessary. Refer to Wiring Repairs in Wiring Systems.

Was a problem found?

--

Go to Step 14

Go to Step 13

10

Locate and repair the open in the ground circuit to the MAF sensor. Refer to Wiring Repairs in Wiring Systems.

Is action complete?

--

Go to Step 14

--

11

Locate and repair the open in the ignition feed circuit to the MAF sensor. Refer to Wiring Repairs in Wiring Systems.

Is action complete?

--

Go to Step 14

--

12

Replace the MAF sensor. Refer to Mass Airflow Sensor Replacement .

Is action complete?

--

Go to Step 14

--

13

Replace the PCM.

Important:: The replacement PCM must be programmed. Refer to Powertrain Control Module Replacement/Programming .

Is action complete?

--

Go to Step 14

--

14

  1. Turn ON the ignition switch
  2. Review and record scan tool Fail Records data.
  3. Clear DTCs.
  4. Operate the vehicle within Fail Records conditions.
  5. Using a scan tool, monitor Specific DTC info for DTC P0102.

Does the scan tool indicate DTC P0102 failed this ign?

--

Go to Step 2

System OK