GM Service Manual Online
For 1990-2009 cars only

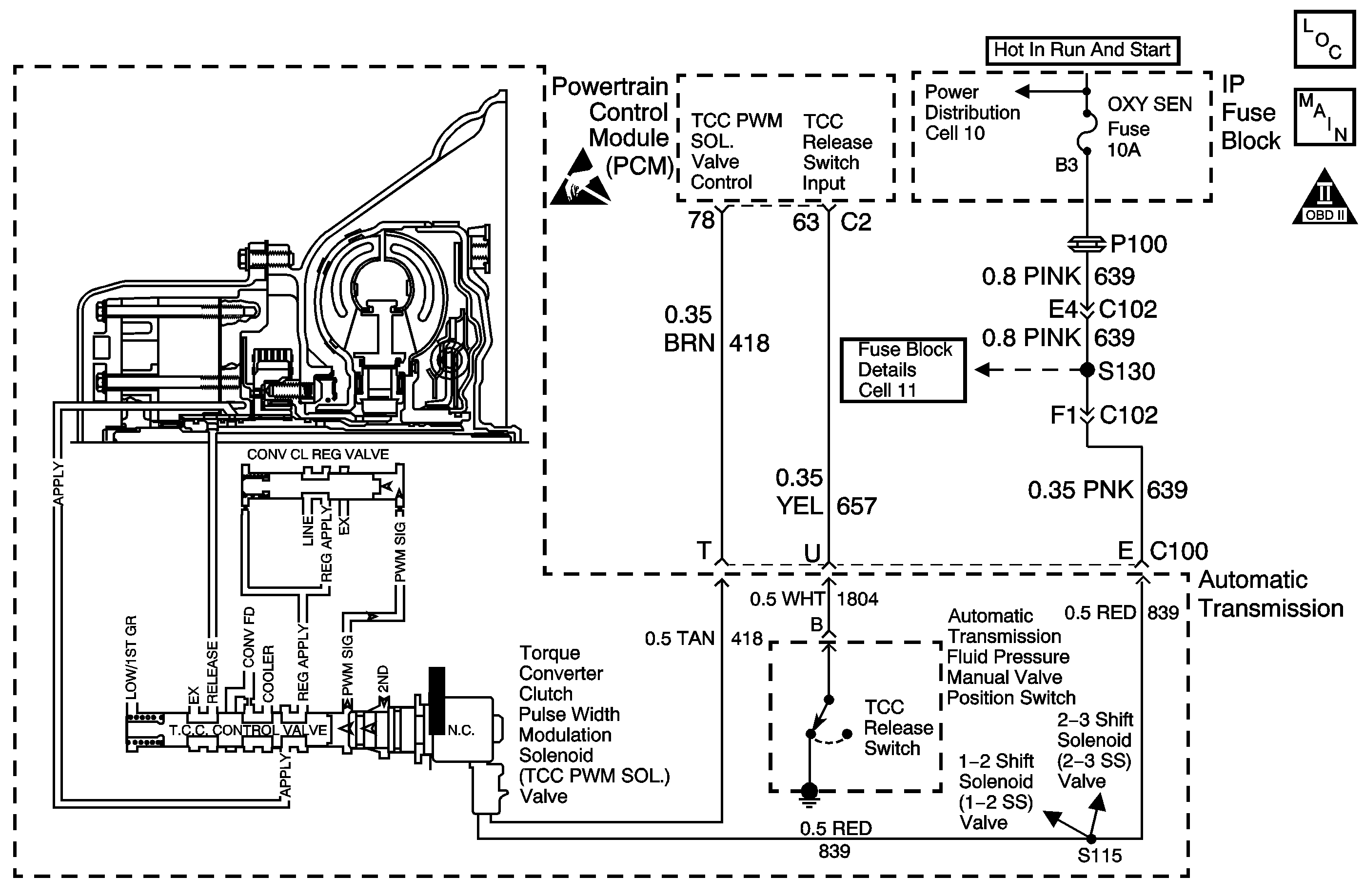
Object Number: 172600  Size: MF
Automatic Transmission Components
Automatic Transmission Controls Schematics
OBD II Symbol Description Notice
Handling ESD Sensitive Parts Notice

Circuit Description

The Powertrain Control Module (PCM) controls the Torque Converter Clutch Pulse Width Modulation Solenoid Valve (TCC PWM Sol. Valve). The solenoid controls the hydraulic fluid for TCC apply and release. When the TCC is fully applied, the engine is coupled directly to the transmission through the TCC.

The Torque Converter Clutch (TCC) used is the Electronically Controlled Converter Clutch (EC3). The EC3 allows the TCC to slip without excessive wear. This allows smooth application and release of the TCC. The PCM will normally allow a small amount of slip to occur with the EC3. This prevents fluid pressure in the torque converter from becoming too great. Very high pressure in the torque converter will damage the converter. When the TCC PWM Sol. Valve engages the TCC, TCC slip speed is approximately 20 RPM.

If the PCM detects high torque converter slip when the TCC is commanded ON, then DTC P0741 sets. DTC P0741 is a Type B DTC.

Conditions for Setting the DTC

    • No TP DTCs P0121, P0122 or P0123 are set.
    • No VSS DTCs P0502 or P0503 are set.
    • No A/T ISS DTCs P0716 or P0717 are set.
    • No TCC Stuck ON DTC P0742 is set.
    • No TFP Val. Position Sw. DTC P1810 is set.
    • No TCC PWM Sol. Valve DTC P1860 is set.
    • No TCC Release Switch DTC P1887 is set.
    • The TCC is at maximum apply pressure.
    • The engine speed is greater than 500 RPM for 5 seconds, and not in fuel shut off.
    • The time since the last gear range change is greater than 3 seconds.
    • The TCC Sol. Valve is commanded ON for 0.5 seconds.
    • The throttle angle is 5-30%.
    • The transmission gear range is D4, D3 or D2.
    • The transmission fluid temperature is greater than 20°C (68°F).
    • The TCC slip speed is greater than 250 RPM.
    • All of the above conditions are met twice for 8 seconds each.

Action Taken When the DTC Sets

    • The PCM illuminates the Malfunction Indicator Lamp (MIL).
    • The PCM inhibits Torque Converter Clutch.
    • The PCM inhibits 4th gear if the transmission is in hot mode.
    • The PCM disables shift adapts.

Conditions for Clearing the MIL/DTC

    • The PCM turns OFF the MIL after three consecutive trips without a failure reported.
    • A scan tool can clear the DTC from the PCM history. The PCM clears the DTC from the PCM history if the vehicle completes 40 warm-up cycles without a failure reported.
    • The PCM cancels the DTC default actions when the fault no longer exists and the ignition is OFF long enough in order to power down the PCM.

Diagnostic Aids

    • Inspect the transmission fluid level.
    • The transmission may be in hot mode. Inspect the transmission fluid lines to the radiator. The lines may be pinched, plugged or twisted.

Test Description

The numbers below refer to the step numbers on the diagnostic table.

  1. This step verifies that the TCC engages when commanded ON by the Scan Tool .

DTC P0741 Torque Converter Clutch System -- Stuck Off

Step

Action

Value(s)

Yes

No

1

Was the Powertrain On-Board Diagnostic (OBD) System Check performed?

--

Go to Step 2

Go to Powertrain On Board Diagnostic (OBD) System Check in Engine Controls

2

Did you perform the transmission fluid checking procedure?

--

Go to Step 3

Go to Transmission Fluid Check

3

  1. Install the Scan Tool .
  2. With the engine OFF, turn the ignition switch to the RUN position.
  3. Important: Before clearing the DTCs, use the Scan Tool in order to record the Freeze Frame and Failure Records for reference. The Clear Info function will erase the data.

  4. Record the DTC Freeze Frame and Failure Records, then clear the DTC(s).
  5. Start and run the engine.
  6. Set the Scan Tool to observe the TCC release pressure.

Is TCC release pressure present?

--

Go to Step 5

Go to Step 4

4

  1. Inspect the following components:
  2. Refer to Transmission Overhaul in the 4T65-E Section of the Transmission Unit Repair Manual.

    • The TCC control valve
    • The TCC Feed limit valve
    • The TCC regulator apply valve
    • The TCC PWM solenoid valve
    • The pressure regulator valve
  3. Repair or replace any malfunctioning components.

Is the inspection or repair complete?

--

Go to Step 7

--

5

  1. Drive the vehicle at above 72 km/h (45 mph), with a TP Angle of less than 30%.
  2. Select Output Test, TCC PWM on the Scan Tool .
  3. Command the TCC PWM Solenoid ON and monitor the TCC slip speed display.

Is the slip speed within the specified value?

-50 RPM to +50 RPM

Go to Diagnostic Aids

Go to Step 6

6

  1. Inspect the following components:
  2. Refer to Transmission Overhaul in the 4T65-E Section of the Transmission Unit Repair Manual.

    • The TCC control valve
    • The TCC regulator valve
    • The TCC solenoid
    • The Turbine shaft seals
    • The torque converter clutch
  3. Repair or replace any malfunctioning components.

Is the inspection or repair complete?

--

Go to Step 7

--

7

In order to verify your repair, perform the following procedure:

  1. Select DTC.
  2. Select Clear Info.
  3. Operate the vehicle under the following conditions:
  4. • The throttle position is 5-30%
    • The TFT is greater than 20°C (68°F).
    • The transmission range is D2, D3 or D4.
    • The engine speed is greater than 500 RPM for 5 seconds.
    • The time since the last gear change is greater than 3 seconds.
    • Not in fuel shut off.
    • The TCC is commanded at maximum capacity for 0.5 seconds.
    • The TCC slip speed is less than 50 RPM for 4 seconds.
  5. Select Specific DTC.
  6. Enter DTC P0741.

Has the test run and passed?

--

System OK

Go to Step 1