GM Service Manual Online
For 1990-2009 cars only

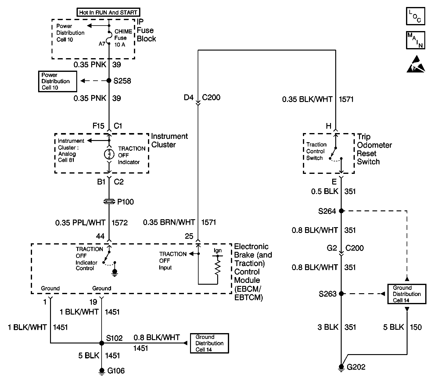
Traction Off Indicator Inoperative Oldsmobile


Object Number: 406530  Size: LF
ABS Components
Cell 44: Traction Control Switch
Handling ESD Sensitive Parts Notice
Cell 10: IGN 3 Fuse, Ignition Switch (Oldsmobile)
Cell 10: CHIME(IGN 1) Fuse (Oldsmobile)
Cell 14: G102, G104, G106, G110, and G301 (Battery Ground)
Cell 14: G202 (Oldsmobile 3 of 3)
Cell 14: G202 (Oldsmobile 1 of 3)
Cell 81: Traction Off Indicator

Circuit Description

The EBTCM goes through a self-test when the ignition is first turned to RUN. During this test, the EBTCM grounds both the ANTILOCK and the TRACTION OFF indicators for 2 to 4 seconds. This acts as a bulb test for the indicators.

Traction Control Switch

The traction control switch allows the driver to select the traction control mode (ON/OFF). When the Traction Control System is turned OFF, the TRACTION OFF indicator remains illuminated.

Diagnostic Aids

The following conditions may cause the TRACTION OFF indicator to be inoperative:

    • An open fuse
    • An open bulb
    • An open in any of the following circuits:
       - CKT 39
       - CKT 150
       - CKT 1451
       - CKT 1571
       - CKT 1572
    • A malfunction instrument cluster
    • A malfunctioning traction control switch

When the vehicle is equipped with traction control any symptom that illuminates the ANTILOCK indicator also illuminates the TRACTION OFF indicator. Follow the ANTILOCK indicator diagnosis when both indicators are illuminated and no DTCs are set.

Step

Action

Value(s)

Yes

No

1

Was the ABS Diagnostic System Check performed?

--

Go to Step 2

Go to Diagnostic System Check - ABS

2

Turn the ignition switch to the RUN position.

Does the TRACTION OFF indicator come ON for 2-4 seconds?

--

Go to Step 3

Go to Step 9

3

  1. Turn the ignition switch to the OFF position.
  2. Disconnect the traction control switch connector.
  3. Turn the ignition switch to the RUN position.
  4. Use a J 39200 in order to measure the voltage between the traction control switch harness connector terminal 2 and the vehicle ground.

Is the voltage within the specified range?

Battery Voltage

Go to Step 4

Go to Step 6

4

  1. Turn the ignition switch to the OFF position.
  2. Use a J 39200 in order to measure the resistance between the traction control switch harness connector terminal 3 and the vehicle ground.

Is the resistance less than the specified value?

2 ohms

Go to Step 5

Go to Step 15

5

  1. Check the traction control switch connector for proper terminal contact. Refer to Wiring Repairs in Wiring Systems.
  2. If the contact is correct, replace the traction control switch. Refer to Electronic Traction Control Switch Replacement .

Is the repair complete?

--

Go to Diagnostic System Check - ABS

--

6

  1. Turn the ignition switch to the OFF position.
  2. Disconnect the EBTCM harness connector.
  3. Use a J 39200 in order to measure the resistance between the EBTCM harness connector terminal 25 and the traction control switch harness connector terminal 2.

Is the resistance less than the specified value?

2 ohms

Go to Step 8

Go to Step 7

7

Repair the open or high resistance in CKT 1571. Refer to Wiring Repairs in Wiring Systems.

Is the repair complete?

--

Go to Diagnostic System Check - ABS

--

8

  1. Check the EBTCM connector for proper terminal contact. Refer to Wiring Repairs in Wiring Systems.
  2. If the contact is correct, replace the EBTCM. Refer to Electronic Brake and Traction Control Module Replacement .

Is the repair complete?

--

Go to Diagnostic System Check - ABS

--

9

  1. Turn the ignition switch to the OFF position.
  2. Disconnect the remote indicator bank harness connector.
  3. Turn the ignition switch to the RUN position.
  4. Use a J 39200 in order to measure the voltage between the remote indicator bank connector terminal A1 and a good ground.

Is the voltage less than the specified value?

Battery Voltage

Go to Step 10

Go to Step 12

10

  1. Turn the ignition switch to the OFF position.
  2. Disconnect the EBTCM harness connector.
  3. Install the J 38716 pinout box.
  4. Turn the ignition switch to the RUN position.
  5. Use a J 39200 in order to measure the voltage between the remote indicator bank connector terminal A1 and the J 38716 terminal 1.

Is the voltage less than the specified value?

Battery Voltage

Go to Step 11

Go to Step 13

11

  1. Turn the ignition switch to the OFF position.
  2. Use a J 39200 in order to measure the resistance between the remote indicator bank connector terminal A6 and the J 38716 terminal 44.

Is the voltage less than the specified value?

Battery Voltage

Go to Step 16

Go to Step 14

12

Repair the open or high resistance in CKT 39. Refer to Wiring Repairs in Wiring Systems.

Is the repair complete?

--

Go to Diagnostic System Check - ABS

--

13

Repair the open or high resistance in CKT 1451. Refer to Wiring Repairs in Wiring Systems.

Is the repair complete?

--

Go to Diagnostic System Check - ABS

--

14

Repair the open or high resistance in CKT 1572. Refer to Wiring Repairs in Wiring Systems.

Is the repair complete?

--

Go to Diagnostic System Check - ABS

--

15

Repair the open or high resistance in CKT 150. Refer to Wiring Repairs in Wiring Systems.

Is the repair complete?

--

Go to Diagnostic System Check - ABS

--

16

Replace the ANTILOCK indicator bulb. Refer to Instrument Cluster Replacement in Instrument Panel, Gauges and Console.

Is the repair complete?

--

Go to Diagnostic System Check - ABS

--

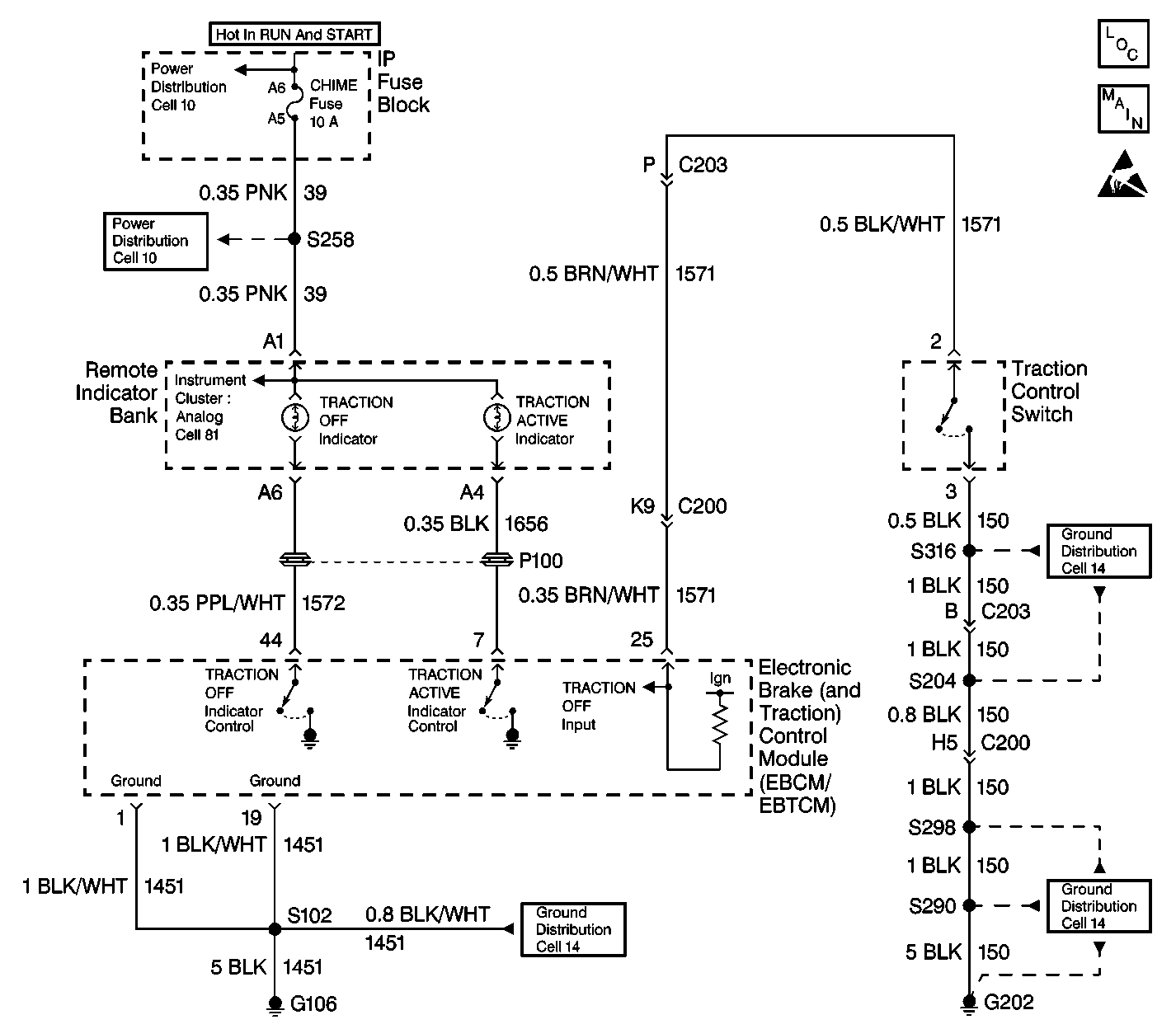
Traction Off Indicator Inoperative Buick


Object Number: 450192  Size: LF
ABS Components
Cell 44: ABS and Traction Control Indicators
Handling ESD Sensitive Parts Notice
Cell 10: IGN 3 Fuse, Ignition Switch (Buick)
Cell 10: CHIME(IGN 1) Fuse (Buick)
Cell 14: G102, G104, G106, G110, and G301 (Battery Ground)
Cell 14: G202 (Buick 1 of 3)
Cell 81: Airbag Indicator

Circuit Description

The EBTCM goes through a self-test when the ignition is first turned to RUN. During this test, the EBTCM grounds both the ANTILOCK and the TRACTION OFF indicators for 2 to 4 seconds. This acts as a bulb test for the indicators.

Traction Control Switch

The traction control switch allows the driver to select the traction control mode (ON/OFF). When the Traction Control System is turned OFF, the TRACTION OFF indicator remains illuminated.

Diagnostic Aids

The following conditions may cause the TRACTION OFF indicator to be inoperative:

    • An open fuse
    • An open bulb
    • An open in any of the following circuits:
       - CKT 39
       - CKT 150
       - CKT 1451
       - CKT 1571
       - CKT 1572
    • A malfunction instrument cluster
    • A malfunctioning traction control switch

When the vehicle is equipped with traction control any symptom that illuminates the ANTILOCK indicator also illuminates the TRACTION OFF indicator. Follow the ANTILOCK indicator diagnosis when both indicators are illuminated and no DTCs are set.

Step

Action

Value(s)

Yes

No

1

Was the ABS Diagnostic System Check performed?

--

Go to Step 2

Go to Diagnostic System Check - ABS

2

Turn the ignition switch to the RUN position.

Does the TRACTION OFF indicator come ON for 2-4 seconds?

--

Go to Step 3

Go to Step 9

3

  1. Turn the ignition switch to the OFF position.
  2. Disconnect the traction control switch connector.
  3. Turn the ignition switch to the RUN position.
  4. Use a J 39200 in order to measure the voltage between the trip odometer reset switch harness connector terminal H and the vehicle ground.

Is the voltage within the specified range?

Battery Voltage

Go to Step 4

Go to Step 6

4

  1. Turn the ignition switch to the OFF position.
  2. Use a J 39200 in order to measure the resistance between the trip odometer reset switch harness connector terminal E and the vehicle ground.

Is the resistance less than the specified value?

2 ohms

Go to Step 5

Go to Step 15

5

  1. Check the trip odometer reset switch connector for proper terminal contact. Refer to Wiring Repairs in Wiring Systems.
  2. If the contact is correct, replace the trip odometer reset switch. Refer to Electronic Traction Control Switch Replacement in Instrument Panel, Gauges and Console.

Is the repair complete?

--

Go to Diagnostic System Check - ABS

--

6

  1. Turn the ignition switch to the OFF position.
  2. Disconnect the EBTCM harness connector.
  3. Use a J 39200 in order to measure the resistance between the EBTCM harness connector terminal 25 and the trip odometer reset switch harness connector terminal H.

Is the resistance less than the specified value?

2 ohms

Go to Step 8

Go to Step 7

7

Repair the open or high resistance in CKT 1571. Refer to Wiring Repairs in Wiring Systems.

Is the repair complete?

--

Go to Diagnostic System Check - ABS

--

8

  1. Check the EBTCM connector for proper terminal contact. Refer to Wiring Repairs in Wiring Systems.
  2. If the contact is correct, replace the EBTCM. Refer to Electronic Brake and Traction Control Module Replacement .

Is the repair complete?

--

Go to Diagnostic System Check - ABS

--

9

  1. Turn the ignition switch to the OFF position.
  2. Disconnect the instrument cluster harness connector C1.
  3. Turn the ignition switch to the RUN position.
  4. Use a J 39200 in order to measure the voltage between the instrument harness connector C1 terminal F15 and a good ground.

Is the voltage less than the specified value?

Battery Voltage

Go to Step 10

Go to Step 12

10

  1. Turn the ignition switch to the OFF position.
  2. Disconnect the EBTCM harness connector.
  3. Install the J 38716 pinout box.
  4. Turn the ignition switch to the RUN position.
  5. Use a J 39200 in order to measure the voltage between the instrument harness connector C1 terminal F15 and the J 38716 terminal 1.

Is the voltage less than the specified value?

Battery Voltage

Go to Step 11

Go to Step 13

11

  1. Turn the ignition switch to the OFF position.
  2. Disconnect the instrument cluster harness connector C2.
  3. Use a J 39200 in order to measure the resistance between the instrument harness connector C2 terminal B1 and the J 38716 terminal 44.

Is the voltage less than the specified value?

Battery Voltage

Go to Step 16

Go to Step 14

12

Repair the open or high resistance in CKT 39. Refer to Wiring Repairs in Wiring Systems.

Is the repair complete?

--

Go to Diagnostic System Check - ABS

--

13

Repair the open or high resistance in CKT 1451. Refer to Wiring Repairs in Wiring Systems.

Is the repair complete?

--

Go to Diagnostic System Check - ABS

--

14

Repair the open or high resistance in CKT 1572. Refer to Wiring Repairs in Wiring Systems.

Is the repair complete?

--

Go to Diagnostic System Check - ABS

--

15

Repair the open or high resistance in CKT 351. Refer to Wiring Repairs in Wiring Systems.

Is the repair complete?

--

Go to Diagnostic System Check - ABS

--

16

Replace the ANTILOCK indicator bulb. Refer to Instrument Cluster Replacement in Instrument Panel, Gauges and Console.

Is the repair complete?

--

Go to Diagnostic System Check - ABS

--