GM Service Manual Online
For 1990-2009 cars only

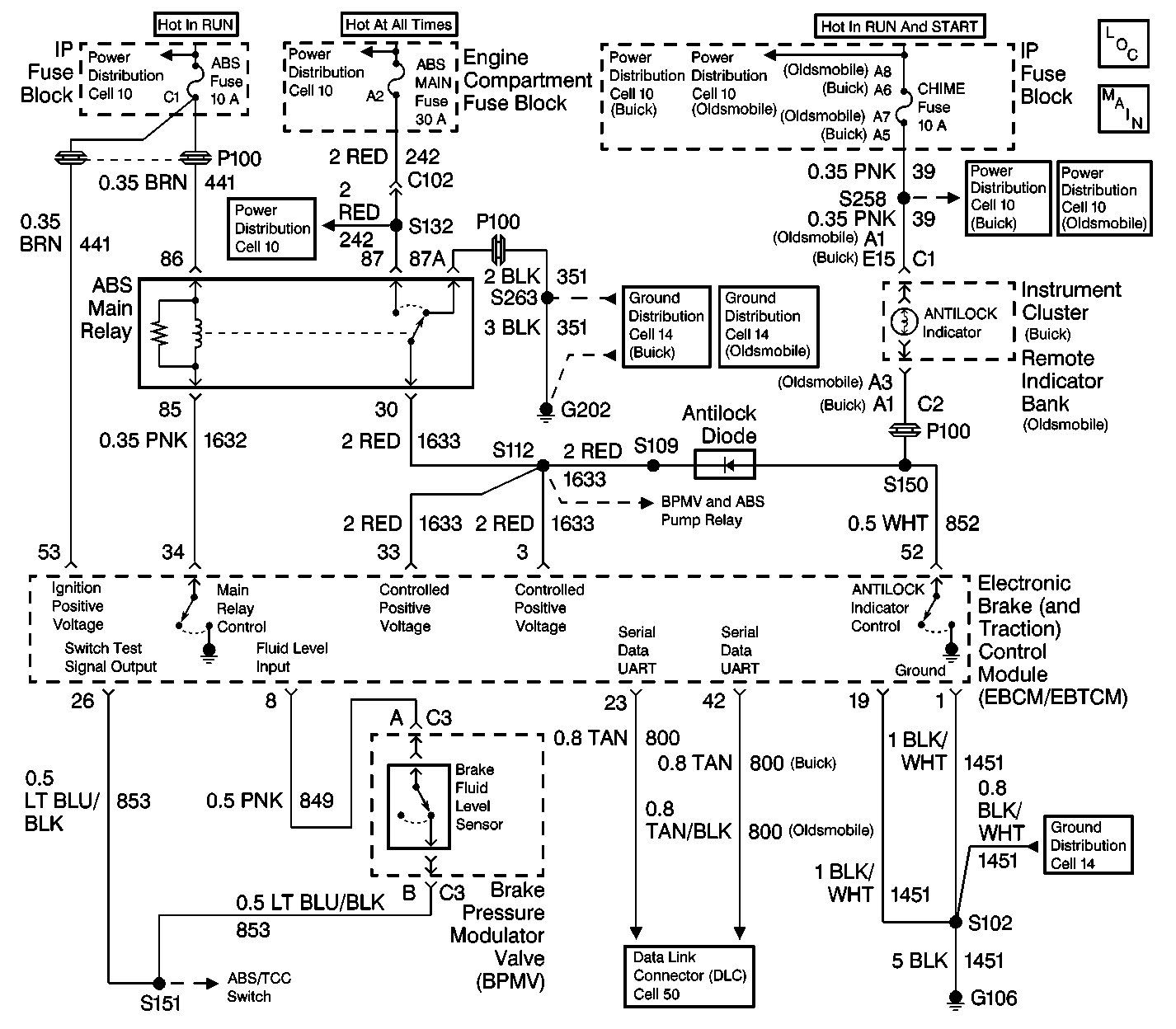
Object Number: 406540  Size: LF
ABS Components
Cell 44: ABS and Traction Control Indicators
Cell 10: IGN 1 Fuse, Ignition Switch
Cell 10: Battery
Cell 10: IGN 3 Fuse, Ignition Switch (Buick)
Cell 10: IGN 3 Fuse, Ignition Switch (Oldsmobile)
Cell 10: CHIME(IGN 1) Fuse (Buick)
Cell 10: CHIME(IGN 1) Fuse (Oldsmobile)
Cell 10: ABS PUMP MOTOR Fuse, ABS MAIN Fuse, and COOLING FAN Fuse
Cell 14: G202 (Buick 1 of 3)
Cell 14: G202 (Oldsmobile 2 of 3)
Cell 14: G102, G104, G106, G110, and G301 (Battery Ground)
Cell 50: Serial Data UART
Cell 44: PWR, GND, and ABS Relays
Cell 44: ABS/TCS Switch, Isolation Valve Solenoids, and PCM

Circuit Description

When the ignition is first turned to RUN, the EBCM/EBTCM goes through a self-test which lasts 2 to 4 seconds.

During the test, the EBCM/EBTCM grounds terminal 52. This causes the amber ANTILOCK indicator to light. This serves as an indicator bulb test.

When the fluid is low, the EBCM/EBTCM turns ON the amber ANTILOCK and TRACTION OFF indicators. The EBCM/EBTCM does not set a DTC.

A low fluid level condition usually lights the red BRAKE warning lamp, since the master cylinder supplies the BPMV reservoir. However, restrictions or air in the hose could cause a low fluid condition in the BPMV reservoir without lighting the red BRAKE warning lamp.

Diagnostic Aids

The following conditions may cause the ANTILOCK indicator to be on with no DTCs set:

    • An open in any of the following circuits:
       - CKT 441
       - CKT 800
       - CKT 1451
       - CKT 849
       - CKT 853
    • A low brake fluid level
    • An open BPMV fluid level switch circuit
    • A short to ground in any of the following circuits:
       - CKT 441
       - CKT 800
       - CKT 852

Step

Action

Value(s)

Yes

No

1

Was the ABS Diagnostic System Check performed?

--

Go to Step 2

Go to Diagnostic System Check - ABS

2

  1. Turn the ignition switch to the OFF position.
  2. Inspect the ABS fuse of the IP Fuse Block.

Is the fuse open?

--

Go to Step 10

Go to Step 3

3

  1. Reinstall the fuse.
  2. Check the brake fluid level.
  3. If the fluid is low, check for leaks, kinks, or restrictions. Add fluid as needed to the master cylinder reservoir. Refer to Master Cylinder Reservoir Filling in Hydraulic Brakes.

  4. Disconnect the BPMV fluid level switch connector.
  5. Use the J 39200 in order to measure the resistance across the fluid level switch terminal A and terminal B.

Is the resistance less than the specified value?

1 ohms

Go to Step 4

Go to Step 11

4

  1. Reconnect the BPMV fluid level switch connector.
  2. Disconnect the EBCM/EBTCM connector.
  3. Connect the J 38716 pinout box.
  4. Use the J 39200 in order to measure the resistance between the J 38716 terminal 8 and terminal 26.

Is the resistance less than the specified value?

2 ohms

Go to Step 5

Go to Step 12

5

  1. Use the J 39200 in order to measure the resistance between the J 38716 terminal 1 and the vehicle ground.
  2. Use the J 39200 in order to measure the resistance between the J 38716 terminal 19 and the vehicle ground.

Is the resistance less than the specified value?

2 ohms

Go to Step 6

Go to Step 13

6

  1. Turn the ignition switch to the RUN position.
  2. Use the J 39200 in order to measure the voltage between the J 38716 terminal 53 and terminal 1.

Is the voltage within the specified range?

Battery Voltage

Go to Step 7

Go to Step 14

7

  1. Turn the ignition switch to the OFF position.
  2. Disconnect the ABS main relay.
  3. Turn the ignition switch to the RUN position.
  4. Use the J 39200 in order to measure the voltage between the J 38716 terminal 52 and terminal 1.

Is the voltage within the specified range?

Battery Voltage

Go to Step 8

Go to Step 15

8

Check the EBCM/EBTCM connector and wiring for the following conditions:

    • Corrosion
    • Damage
    • Poor terminal contact

Is there corrosion or damage to the connector and/or wiring?

--

Go to Step 16

Go to Step 9

9

Replace the EBCM/EBTCM. Refer to Electronic Brake and Traction Control Module Replacement .

Is the repair complete?

--

Go to Diagnostic System Check - ABS

--

10

Repair the short to ground in CKT 441. Refer to Wiring Repairs in Wiring Systems.

Is the repair complete?

--

Go to Diagnostic System Check - ABS

--

11

Replace the BPMV reservoir. Refer to Brake Pressure Module Valve Reservoir Replacement .

Is the repair complete?

--

Go to Diagnostic System Check - ABS

--

12

Repair the open or high resistance in CKT 849 or CKT 853. Refer to Wiring Repairs in Wiring Systems.

Is the repair complete?

--

Go to Diagnostic System Check - ABS

--

13

Repair the open or high resistance in CKT 1451 or G106. Refer to Wiring Repairs in Wiring Systems.

Is the repair complete?

--

Go to Diagnostic System Check - ABS

--

14

Repair the open or high resistance in CKT 441. Refer to Wiring Repairs in Wiring Systems.

Is the repair complete?

--

Go to Diagnostic System Check - ABS

--

15

Repair the short to ground in CKT 852. Refer to Wiring Repairs in Wiring Systems.

Is the repair complete?

--

Go to Diagnostic System Check - ABS

--

16

  1. Check for corrosion or damage to the EBCM/EBTCM connector terminals. Repair or replace the EBCM/EBTCM as needed. Refer to Wiring Repairs in Wiring Systems.
  2. Repair or replace the wiring harness connector as needed in order to retain proper connector retention. Refer to Wiring Repairs in Wiring Systems.
  3. When all of the diagnosis and repairs are completed, clear the DTCs and verify proper operation.

Is the repair complete?

--

Go to Diagnostic System Check - ABS

--