GM Service Manual Online
For 1990-2009 cars only
Makes
🢒
Buick
🢒
1999
🢒
Riviera
🢒
Restraints
🢒
SIR
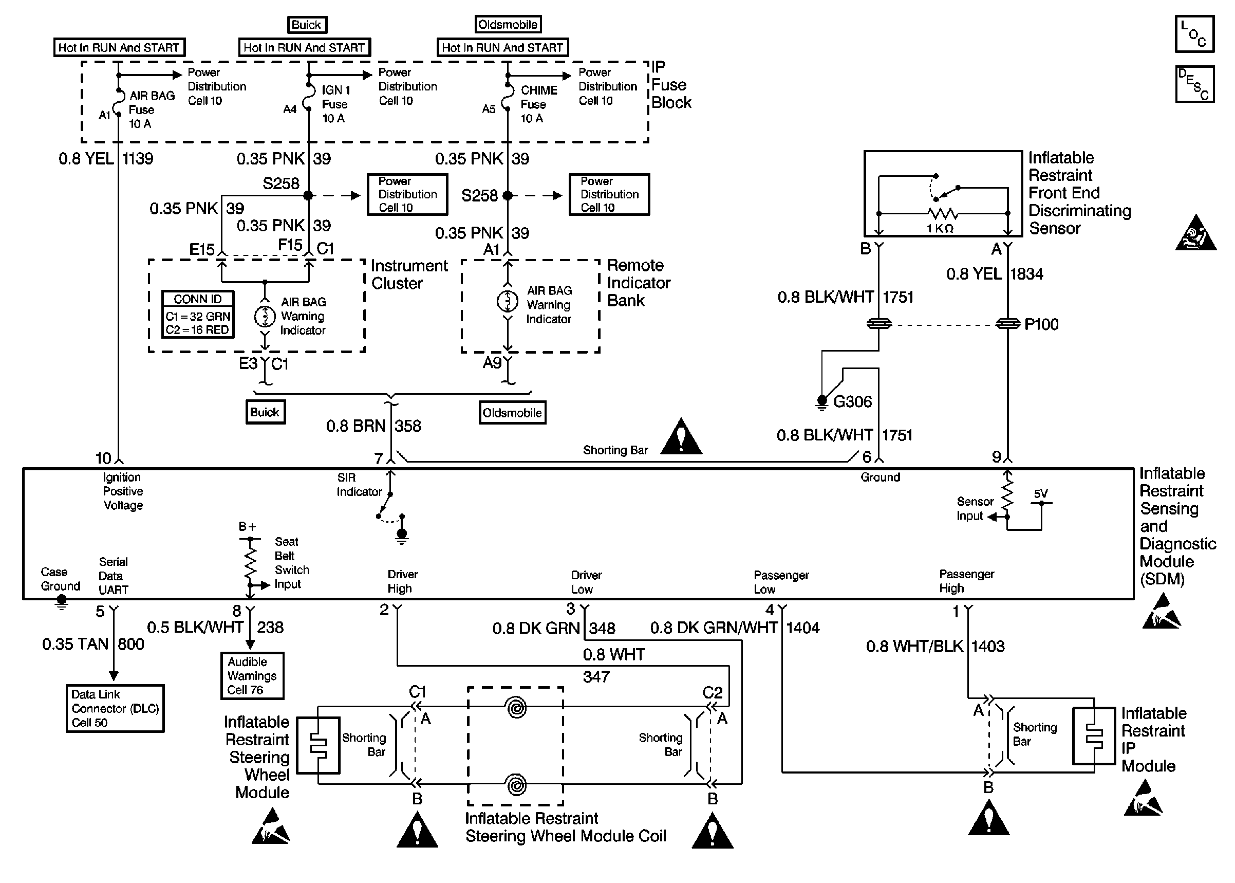
🢒 SIR Schematics
Cell 47
SIR Components
SIR System Component Description and Definitions
SIR Handling Caution
Handling ESD Sensitive Parts Notice
Handling ESD Sensitive Parts Notice
SIR Schematic Icons
SIR Schematic Icons
SIR Schematic Icons
Handling ESD Sensitive Parts Notice
Audible Warnings Schematics
Data Link Connector Schematics
SIR Schematic Icons
Cell 10: CHIME(IGN 1) Fuse (Buick)
Cell 10: CHIME(IGN 1) Fuse (Oldsmobile)
Cell 10: Ignition Switch
Cell 10: Ignition Switch
Cell 10: IGN 3 Fuse, Ignition Switch (Oldsmobile)