GM Service Manual Online
For 1990-2009 cars only
Figure 1:

Cell 14: G102, G104, G106, G110, and G301 (Battery Ground)


Object Number: 342303  Size: FS
Power and Grounding Components
Cell 14: G100 and G101 (Buick)
Cell 10: Battery
Handling ESD Sensitive Parts Notice
Figure 2:

Cell 14: G100 and G101 (Buick)


Object Number: 342304  Size: FS
Power and Grounding Components
Cell 14: G101 (Oldsmobile)
Cell 14: G102, G104, G106, G110, and G301 (Battery Ground)
Handling ESD Sensitive Parts Notice
Figure 3:

Cell 14: G101 (Oldsmobile)


Object Number: 342305  Size: FS
Power and Grounding Components
Cell 14: G103 (1 of 2)
Cell 14: G100 and G101 (Buick)
Handling ESD Sensitive Parts Notice
Figure 4:

Cell 14: G103 (1 of 2)


Object Number: 342306  Size: FS
Power and Grounding Components
Cell 14: G103 (2 of 2)
Cell 14: G101 (Oldsmobile)
Cell 14: G103 (2 of 2)
Figure 5:

Cell 14: G103 (2 of 2)


Object Number: 342308  Size: FS
Power and Grounding Components
Cell 14: G201 (1 of 2)
Cell 14: G103 (1 of 2)
Cell 14: G103 (1 of 2)
Handling ESD Sensitive Parts Notice
Figure 6:

Cell 14: G201 (1 of 2)


Object Number: 342309  Size: FS
Power and Grounding Components
Cell 14: G201 (2 of 2)
Cell 14: G103 (2 of 2)
Cell 14: G201 (2 of 2)
Handling ESD Sensitive Parts Notice
Handling ESD Sensitive Parts Notice
Figure 7:

Cell 14: G201 (2 of 2)


Object Number: 342310  Size: FS
Power and Grounding Components
Cell 14: G202 (Buick 1 of 3)
Cell 14: G201 (1 of 2)
Cell 14: G201 (1 of 2)
Handling ESD Sensitive Parts Notice
Handling ESD Sensitive Parts Notice
Handling ESD Sensitive Parts Notice
Figure 8:

Cell 14: G202 (Buick 1 of 3)


Object Number: 342311  Size: FS
Power and Grounding Components
Cell 14: G202 (Buick 2 of 3)
Cell 14: G201 (2 of 2)
Cell 14: G202 (Buick 2 of 3)
Cell 14: G202 (Buick 3 of 3)
Handling ESD Sensitive Parts Notice
Handling ESD Sensitive Parts Notice
Handling ESD Sensitive Parts Notice
Handling ESD Sensitive Parts Notice
Handling ESD Sensitive Parts Notice
Handling ESD Sensitive Parts Notice
Figure 9:

Cell 14: G202 (Buick 2 of 3)


Object Number: 342312  Size: FS
Power and Grounding Components
Cell 14: G202 (Oldsmobile 1 of 3)
Cell 14: G202 (Buick 1 of 3)
Cell 14: G202 (Buick 1 of 3)
Handling ESD Sensitive Parts Notice
Handling ESD Sensitive Parts Notice
Handling ESD Sensitive Parts Notice
Handling ESD Sensitive Parts Notice
Figure 10:

Cell 14: G202 (Buick 3 of 3)


Object Number: 342316  Size: FS
Power and Grounding Components
Cell 14: G202 (Oldsmobile 3 of 3)
Cell 14: G202 (Oldsmobile 2 of 3)
Cell 14: G202 (Buick 1 of 3)
Figure 11:

Cell 14: G202 (Oldsmobile 1 of 3)


Object Number: 342313  Size: FS
Power and Grounding Components
Cell 14: G202 (Oldsmobile 2 of 3)
Cell 14: G202 (Buick 2 of 3)
Cell 14: G202 (Oldsmobile 2 of 3)
Cell 14: G202 (Oldsmobile 3 of 3)
Cell 14: G202 (Oldsmobile 2 of 3)
Handling ESD Sensitive Parts Notice
Figure 12:

Cell 14: G202 (Oldsmobile 2 of 3)


Object Number: 342315  Size: FS
Power and Grounding Components
Cell 14: G202 (Buick 3 of 3)
Cell 14: G202 (Oldsmobile 1 of 3)
Cell 14: G202 (Oldsmobile 1 of 3)
Cell 14: G202 (Oldsmobile 1 of 3)
Handling ESD Sensitive Parts Notice
Handling ESD Sensitive Parts Notice
Handling ESD Sensitive Parts Notice
Handling ESD Sensitive Parts Notice
Handling ESD Sensitive Parts Notice
Figure 13:

Cell 14: G202 (Oldsmobile 3 of 3)


Object Number: 342317  Size: FS
Power and Grounding Components
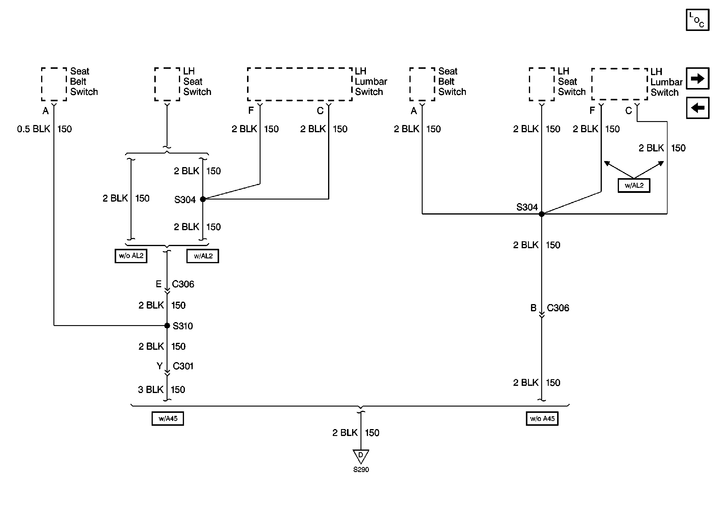
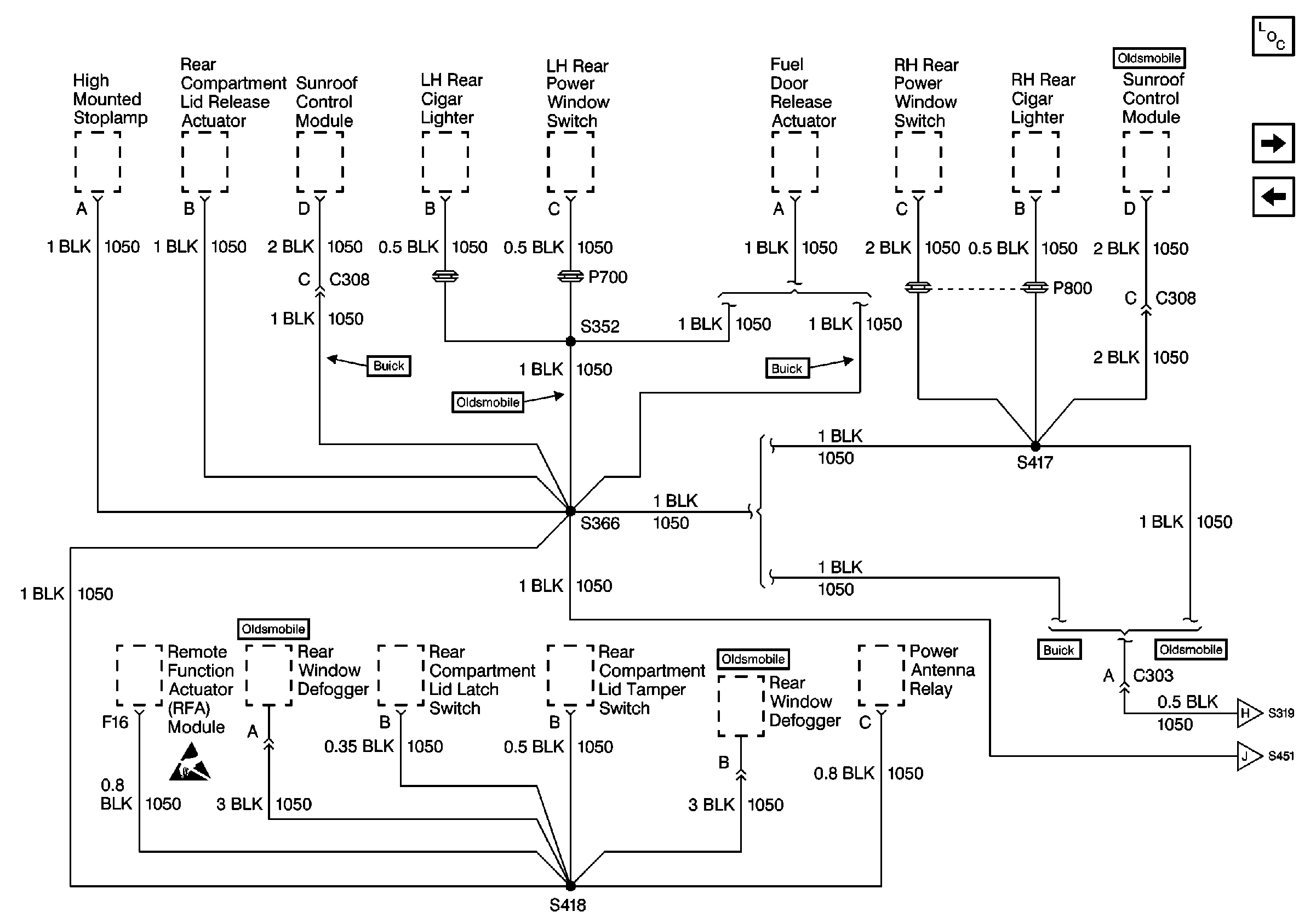
Cell 14: G302 (1 of 2)
Cell 14: G202 (Buick 3 of 3)
Cell 14: G202 (Oldsmobile 1 of 3)
Figure 14:

Cell 14: G302 (1 of 2)


Object Number: 342318  Size: FS
Power and Grounding Components
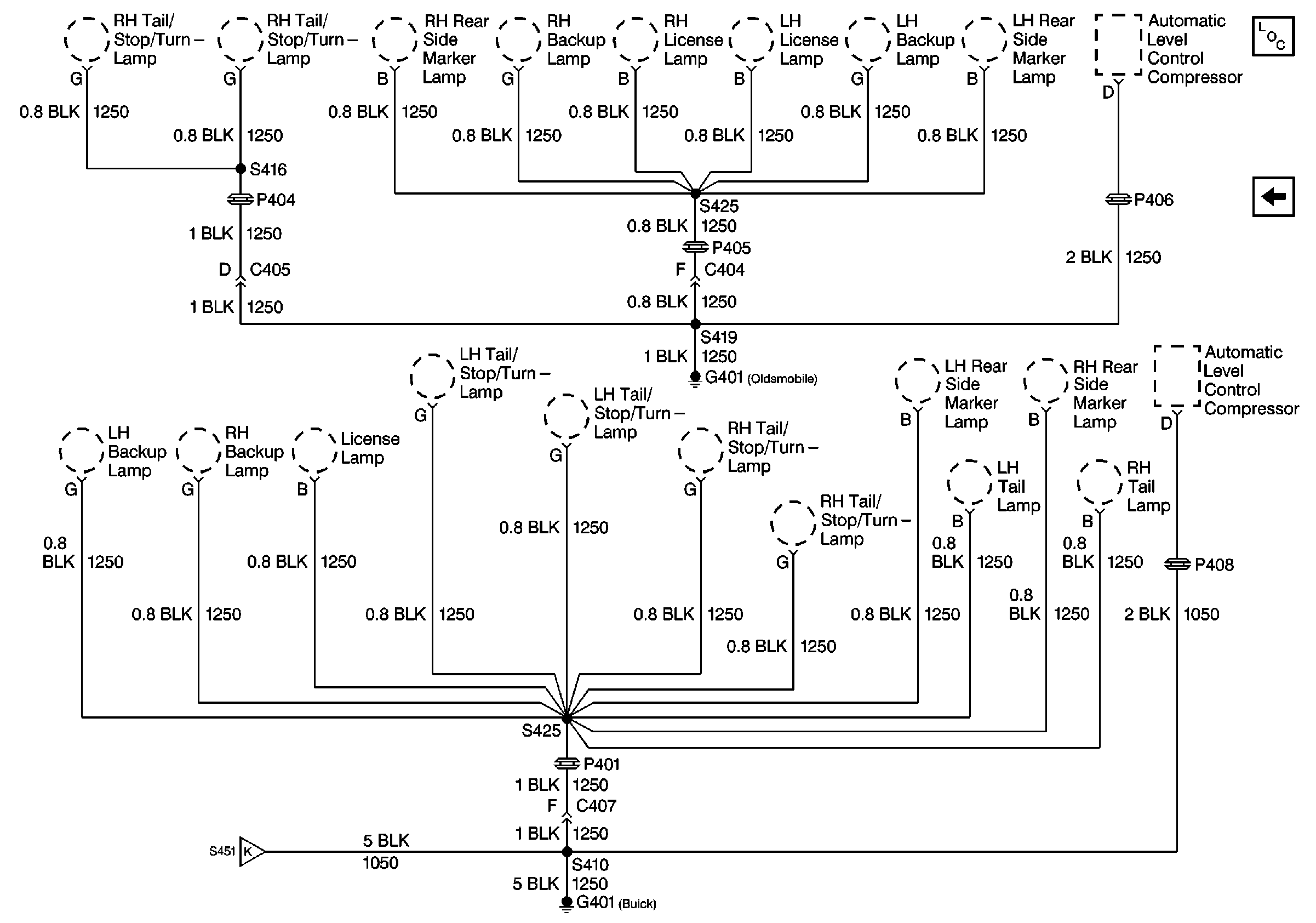
Cell 14: G306 and G302 (2 of 2)
Cell 14: G202 (Oldsmobile 3 of 3)
Cell 14: G306 and G302 (2 of 2)
Cell 14: G306 and G302 (2 of 2)
Handling ESD Sensitive Parts Notice
Figure 15:

Cell 14: G306 and G302 (2 of 2)


Object Number: 342320  Size: FS
Power and Grounding Components
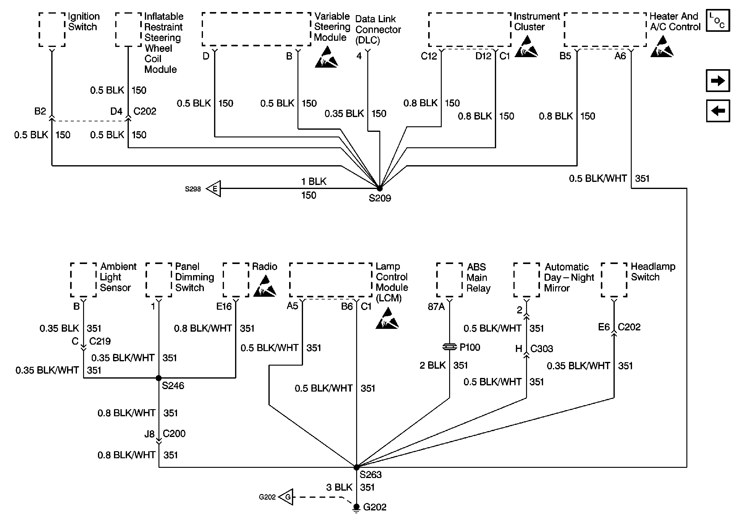
Cell 14: G401
Cell 14: G302 (1 of 2)
Cell 14: G302 (1 of 2)
Cell 14: G302 (1 of 2)
Cell 14: G401
Handling ESD Sensitive Parts Notice
SIR Handling Caution
SIR Handling Caution
Figure 16:

Cell 14: G401


Object Number: 342321  Size: FS
Power and Grounding Components
Cell 14: G306 and G302 (2 of 2)
Cell 14: G306 and G302 (2 of 2)