GM Service Manual Online
For 1990-2009 cars only
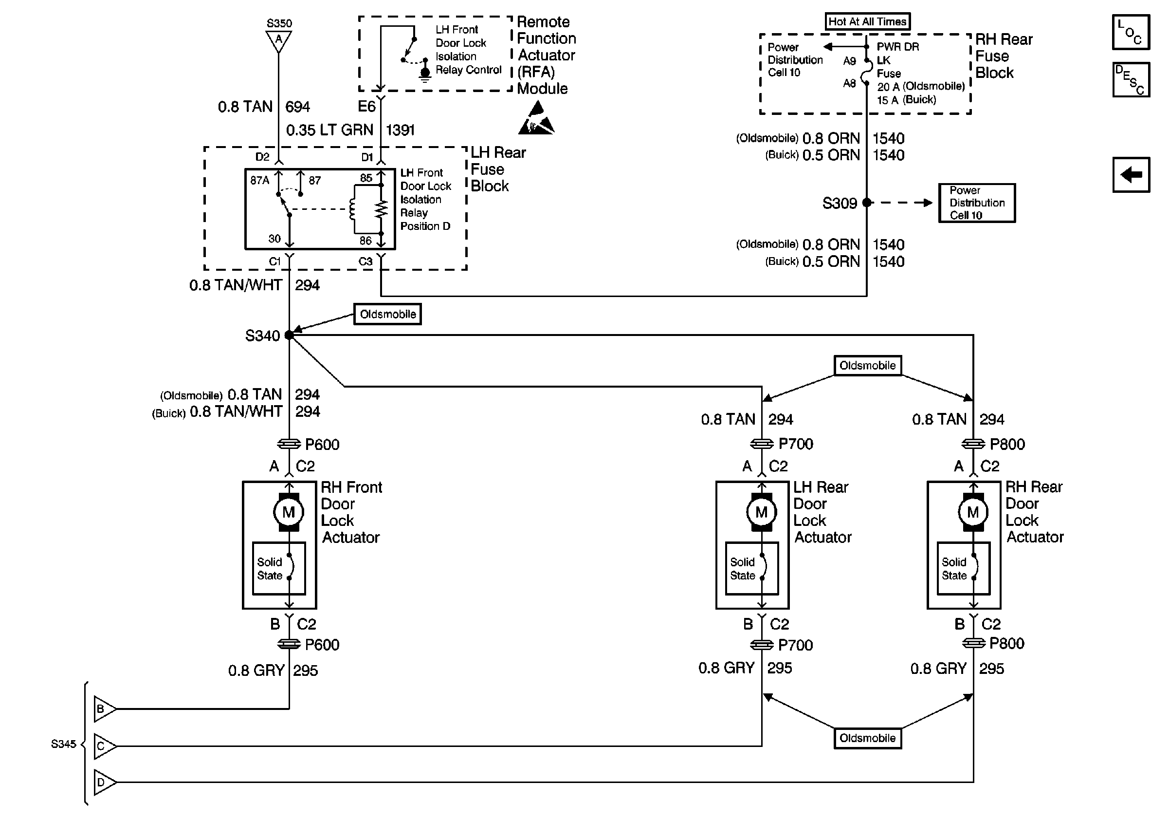
Figure 1:

Cell 130: IP Fuse Block


Object Number: 342326  Size: FS
Power Door Systems Component Views
Power Door Locks Circuit Description
Cell 10: CHIME(IGN 1) Fuse (Oldsmobile)
Cell 10: PWR DR LK Fuse and BATT THER Fuse
Cell 10: F/PMP Fuse, HZRD/STOP Fuse, and INTR LP Fuse
Cell 130: Remote Function Actuator (RFA) Module
Handling ESD Sensitive Parts Notice
Cell 10: CHIME(IGN 1) Fuse (Buick)
Cell 10: PWR DR LK Fuse and BATT THER Fuse
Cell 14: G202 (Oldsmobile 1 of 3)
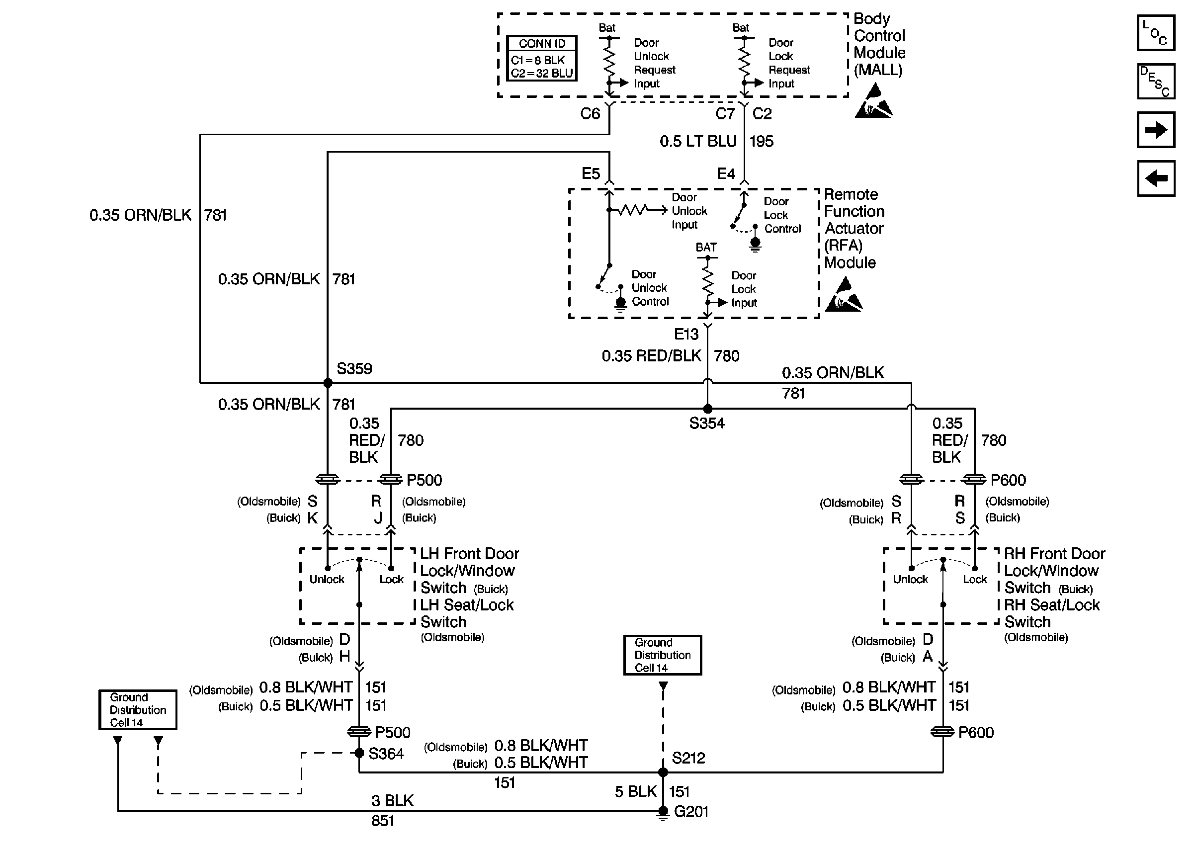
Figure 2:

Cell 130: Remote Function Actuator (RFA) Module


Object Number: 342327  Size: FS
Power Door Systems Component Views
Power Door Locks Circuit Description
Cell 130: LH Front Door Lock Actuator
Cell 130: IP Fuse Block
Cell 14: G201 (1 of 2)
Cell 14: G201 (1 of 2)
Power Door Systems Connector End Views
Handling ESD Sensitive Parts Notice
Handling ESD Sensitive Parts Notice
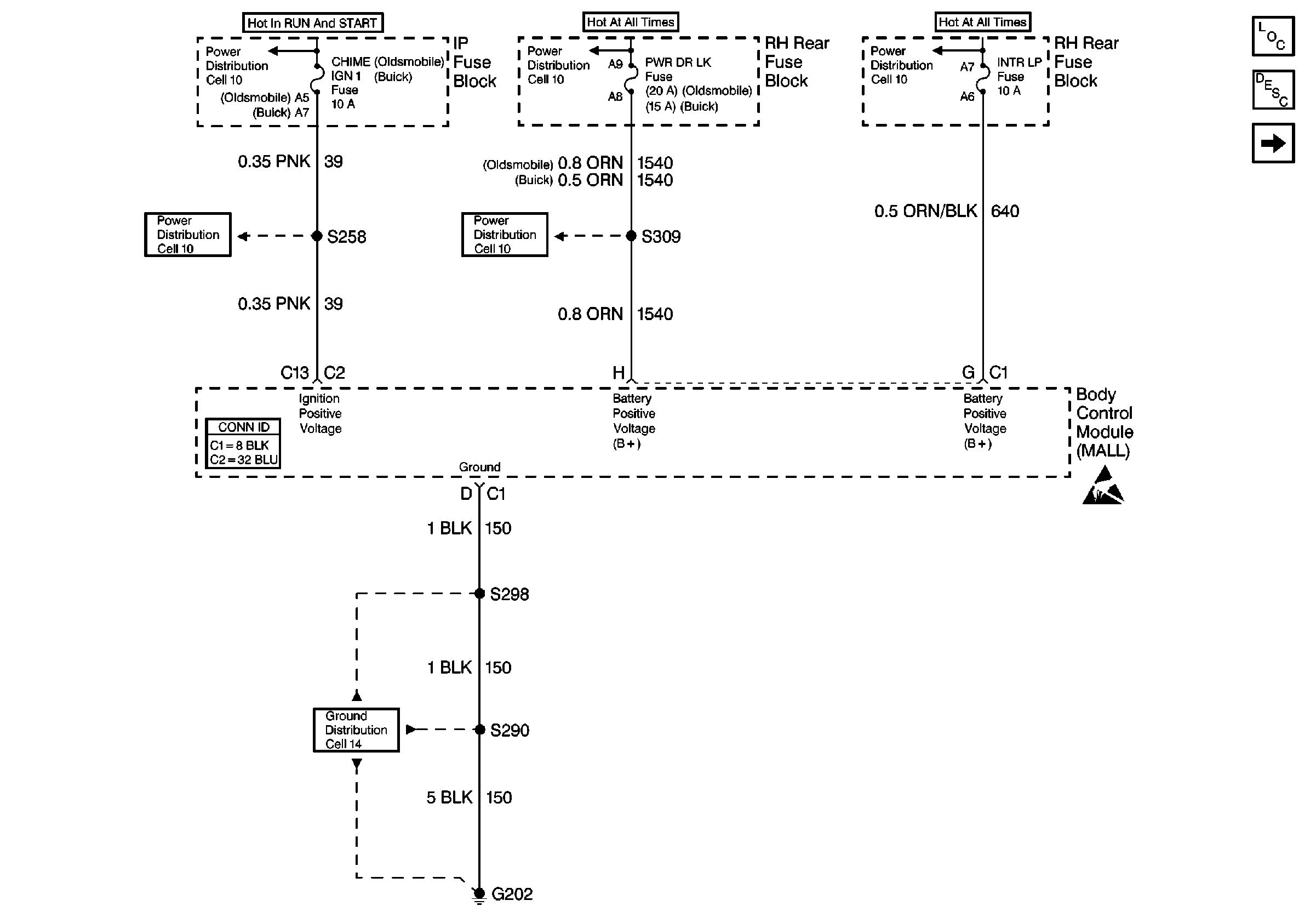
Figure 3:

Cell 130: LH Front Door Lock Actuator


Object Number: 342328  Size: FS
Power Door Systems Component Views
Power Door Locks Circuit Description
Cell 130: RH Rear Junction Block
Cell 130: Remote Function Actuator (RFA) Module
Cell 130: Remote Function Actuator (RFA) Module
Cell 130: Remote Function Actuator (RFA) Module
Cell 130: Remote Function Actuator (RFA) Module
Cell 130: Remote Function Actuator (RFA) Module
Power Door Systems Connector End Views
Handling ESD Sensitive Parts Notice
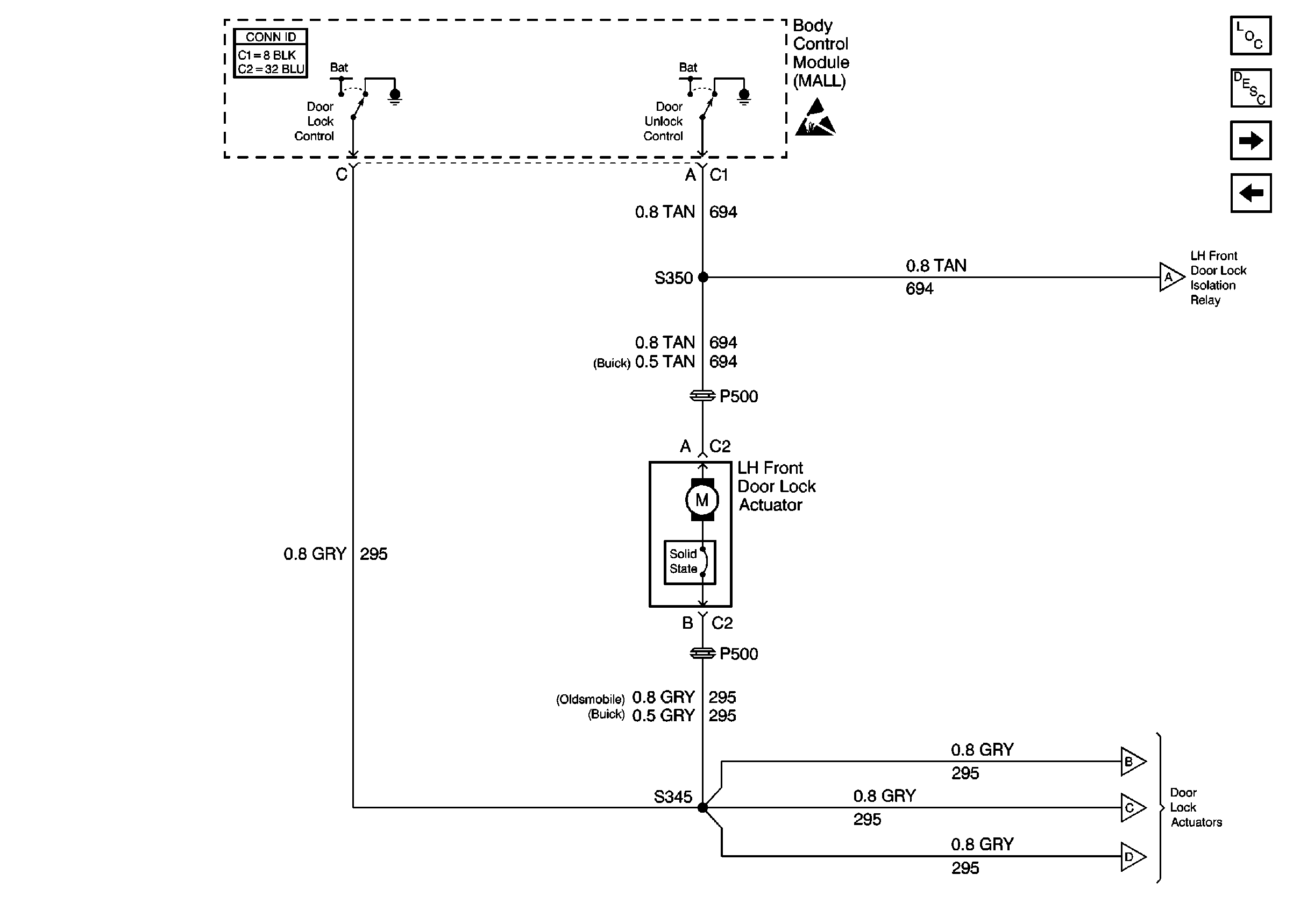
Figure 4:

Cell 130: RH Rear Junction Block


Object Number: 342330  Size: FS
Power Door Systems Component Views
Power Door Locks Circuit Description
Cell 130: LH Front Door Lock Actuator
Cell 130: LH Front Door Lock Actuator
Cell 130: LH Front Door Lock Actuator
Cell 130: LH Front Door Lock Actuator
Cell 10: PWR DR LK Fuse and BATT THER Fuse
Handling ESD Sensitive Parts Notice
Cell 10: PWR DR LK Fuse and BATT THER Fuse