GM Service Manual Online
For 1990-2009 cars only
Makes
🢒
Buick
🢒
1999
🢒
Riviera
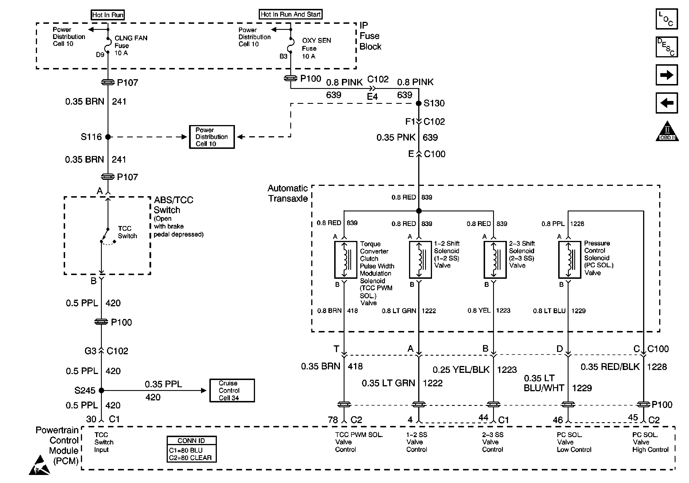
🢒 Cell 20: TCC Switch, Transaxle Solenoids
Cell 20: TCC Switch, Transaxle Solenoids
Cell 20: TCC Switch, Transaxle Solenoids
Engine Controls Components
Powertrain Control Module Description
Cell 20: Transaxle - Sensors and TR Switch
Cell 20: Cooling Fans
OBDII Symbol Description Notice
Power Distribution Schematics
Power Distribution Schematics
Power Distribution Schematics
Power Distribution Schematics
Cruise Control Schematics
Handling ESD Sensitive Parts Notice
Powertrain Control Module Connector End Views