GM Service Manual Online
For 1990-2009 cars only
Makes
🢒
Buick
🢒
1999
🢒
Riviera
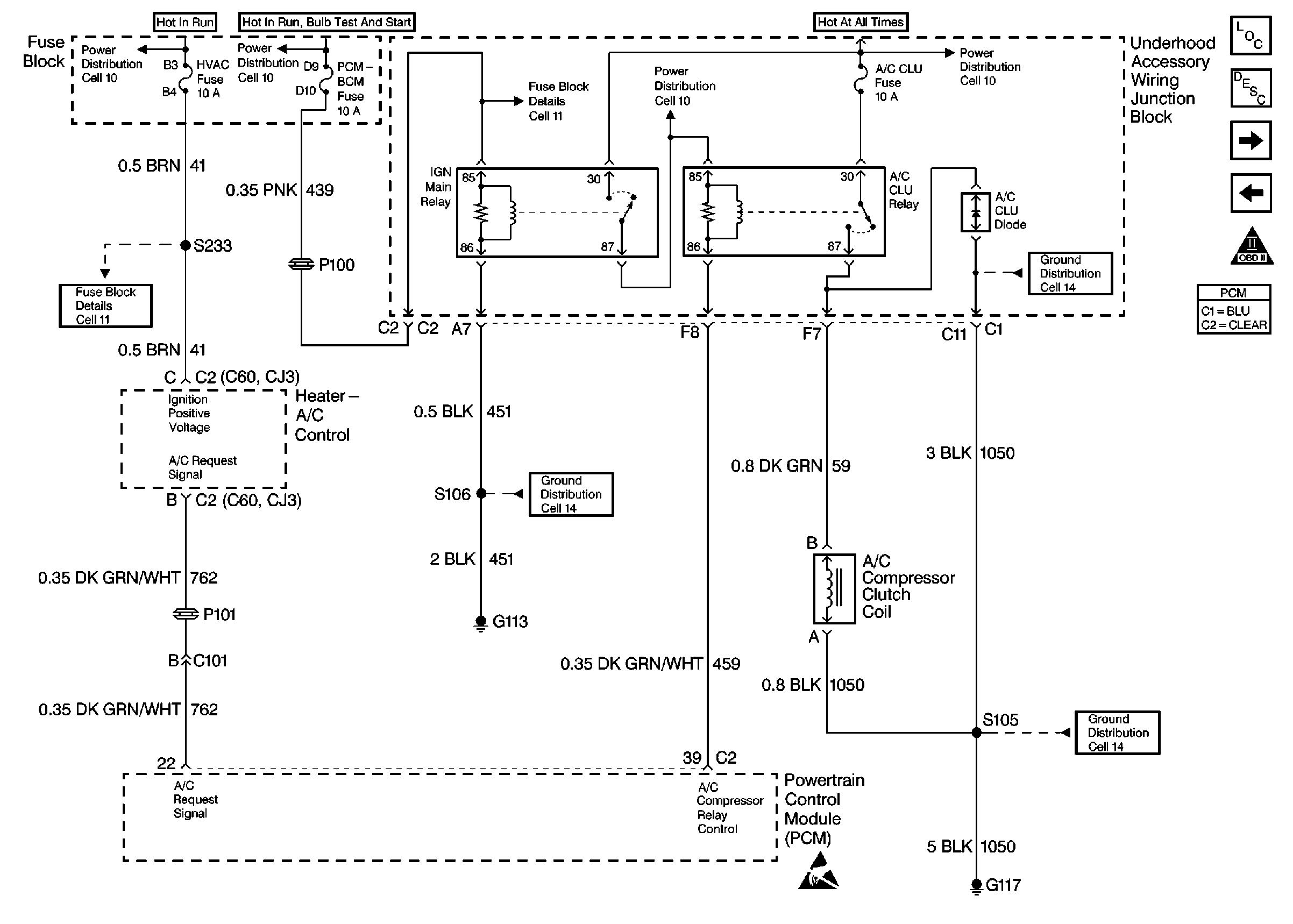
🢒 A/C Compressor Controls
A/C Compressor Controls
A/C Compressor Controls
Engine Controls Components
Information Sensors/Switches Description
Coolant Fans
Automatic Transaxle, TCC Switch
OBD II Symbol Description Notice
Powertrain Control Module Connector End Views